Viktor Posted July 12, 2017 Share Posted July 12, 2017 http://www.gmclub.ro/forum/index.php/topic/25830-aveo-nu-porneste/ Link to comment
shagman Posted August 5, 2017 Share Posted August 5, 2017 Salutare Detin un Chevrolet Nubira 2.0 TDCI an fabricatie 2007, am urmatoarea problema/probleme: - Din cand in cand, aproximativ o data la 2-3 saptamani turatiile la relanti cresc la 1000 r/min, ventilatorul de racire porneste instant si dupa cativa kilometri parcursi apare martorul "engine check" . Tin sa precicez ca acest fenomen se manifesta indiferent de temperatura motorul, inclusiv cand motorul este rece ventilatorul porneste. Dupa alti kilometrii parcursi (in general 1-2 zile condus in oras) dintr-o data turantiile scad la pozitia normala 800 r/min, ventilatorul se opreste, lucreaza in parametrii normali doar cand motorul este foarte cald si "check engine" dispare . Istoria se repeta cum am specificat mai sus o data la 2-3 saptamani sau poate chiar o luna . Va rog sa ma ajutati cun un sfat, care ar putea fi cauza problemei. Senzor temperatura lichidului de racire defect? Daca aceasta ar fi problema unde este localizat senzorul? Va multumesc Link to comment
starsteel Posted August 15, 2017 Share Posted August 15, 2017 (edited) Azi am intrat si eu in clubul select al celor cu martorul check engine aprins...masina are putin peste 10 ani si 72.000 km! Revizia a fost facuta acum 2 luni in urma iar de vreo 2-3 saptamani am vazut ca am o scurgere mica de ulei dar uniforma in partea superioara fara sa sesizez ceva insemnat pe joja. Posibil sa fie garnitura capac colbutori, sa fie asta cauza martorului aprins? Am incercat cu un tester insa nu-mi recunoaste eroarea, sters mers un pic dupa care cu motorul lasat pornit la alimentare cu o benzina, am bagat 10litri de 100 de la OMV l-am gasit din nou aprins. Ca modalitate de mers, pana acum 2-3 ani schimbam mereu peste 3.000 rot/min dupa care am lasat-o mai jos fara sa merg subturat. Motorul, cel putin la mersul in oras, nu prezinta niciun simptom pe care sa-l sesizez, e drept ca am facut doar cativa km! Edited August 15, 2017 by starsteel Link to comment
starsteel Posted August 21, 2017 Share Posted August 21, 2017 (edited) Am pus testerul pe ea astazi, cod defect - P0340 pozitie senzor ax came, am schimbat si garnitura capac colbutori, scorurile 66 tester, 56 garnitura ELRING si 80 manopera...gasisem la manopera 50 schimbat ganitura insa nu avea tester dedicat sa-mi citeasca martorul check engine. Studiez topicul parasit, a devenit un jurnal arhiva! https://www.autoeco.ro/senzor-pozitie-ax-cu-came-delphi-ss10956/a14724568/ Martorul air bag mi-a dat 5 coduri de eroare asa ca nu-mi propun sa-l fac, inlocuire senzor ax came acolo unde am fost mi-a mentionat la scor, 400! Edited August 21, 2017 by starsteel 1 Link to comment
buburuza vesela Posted August 21, 2017 Share Posted August 21, 2017 (edited) Si care este "minunăția " aia de tester dedicat? Aveo are OBD, deci ar fi functionat orice tester care suporta OBD. Edited August 21, 2017 by buburuza vesela Link to comment
starsteel Posted August 22, 2017 Share Posted August 22, 2017 (edited) Si care este "minunăția " aia de tester dedicat? Aveo are OBD, deci ar fi functionat orice tester care suporta OBD. O "minunatie" care sa-ti vada toate erorile in cazul Chevrolet/Daewoo poarta numele Scan100, marea majoritate a celorlalte "obd-uri" iti vor scrie in cazul anumitor erori deja semnalate prin martori de bord, lipsa comunicatie, cod eroare necunoscut, etc, in concluzie fara sa-ti fie de vreun ajutor. Edited August 22, 2017 by starsteel 2 Link to comment
starsteel Posted August 30, 2017 Share Posted August 30, 2017 (edited) Istoric la martor aprins - engine check....revizie 28 iun, concediu sfarsitul lui iulie, in intervalul 1- 15 aug am observat o usoara pata de ulei in zona capacului culbutori, drumuri scurte si putine prin oras, pe data de 15 aug martor aprins pt prima data in istoricul masinii, aprox. 72.000 km, urmat imediat de o diagnoza fara sa-mi recunoasca codul de eroare, sters martorul, alimentat imediat cu 10 litri benzina omv100 rezervorul avea cativa litri rompetrol95, martorul se reaprinde cand alimentam, motorul fiind pornit, pe 16 aug facut un drum la service pt o programare/lamurire, martor check engine se prezinta stins , 21 aug plecat spre service, martor aprins, schimbat garnitura capac culbutori, diagnoza cu cei 2 martori aprinsi , unul vechi de 2 ani la air-bag rezultat dupa miscarea scaunului la revizie si "nou nascutul" engine check, rezultate P0340 pozitie senzor ax came, recomandare schimbare, si 5 erori la air-baguri, frontale, laterale (am realizat ulterior ca am avut toate mufele desfacute pt a le da cu un spray de curatare fara insa a sterge ulterior eroarea), evident au fost ambele erori sterse, pe 23aug scos masina la o spalare, bordul cu martori ok, imediat cum am iesit de la spalatorie martor aprins - check engine, pe 25 aug facut itp cu martor check engine aprins, in aceeasi zi plecat la drum, se stinge dupa o oprire la iesirea din oras alimentarea cu 10 litri de benzina rompetrol95 insa se reaprinde in cativa km, dupa parcurgerea a 100 km in care martorul mai mereu aprins, forjat putin motorul ca nu-mi permitea traficul, 4000-4500 rot/min, rar un 5000, mai mult cu viteza a 3-a si pe portiuni de 1-2 km plus dupa o fataila cu mai multe opriri prin Focsani martorul se stinge fara sa-l mai vad aprins pana astazi 30 aug. In perioada asta am facut 3 iesiri de cate 11kmx2 , 75kmx2 (dupa o alimentare cu 15 litri petrom95), drumuri de munte plus inca 120km drum intins pana acasa si cateva opriri piata, garaj, cumparaturi, etc. Am banuit de prima data ca ar putea sa existe o legatura intre pierderea de ulei pe la garnitura capac culbutori si martorul aprins posibilitatea fiind dupa diagnosticare murdarirea senzorul ax came, deasemenea am banuit ca prin simpla stergere a codului de eroare a martorului air-bag e posibil sa nu se mai aprinda....momentan banuielile par reale, revin daca va fi cazul! Sper ca nu prea curand....oricum de citit se pare ca nu mai exista amatori insa daca ce am scris foloseste unui singur posesor auto atunci timpul pierdut nu a fost in zadar! Edited August 30, 2017 by starsteel Link to comment
Myg Posted August 31, 2017 Share Posted August 31, 2017 Eee.. se mai gaseste cate un cititor si,cum zici,poate ajuta pe cineva Link to comment
ionut v Posted November 24, 2017 Share Posted November 24, 2017 Salutare grup! Detin un Aveo 1.4 din 2007,masina luata de noua si condusa doar de mine in parametri normali. Masina are 130000 km si acum doua saptamani am schimbat toate supapele semeringutile bobina din cauza problemelor deja cunoscute. Brusc ma trezesc cu un consum de ulei exagerat adica dupa schimbul de ulei, in 1400 de km au mai ramas 2 litri in motor. Am revenit la service unde au schimbat pe garantia lucrarii semeringurile crezand ca au un defect. Am pus alte semeringuri dar problema persista. Servis-ul zice sa iau in calcul o segmentare. Totusi masina nu a consumat ulei niciodata, pierderi nu sunt, scoate fum in sarcina. E ciudat sa apara problema asta brusc, iar cei de la service nu prea au explicatie la problema asta. O parere ar fi binevenita! Link to comment
cris06 Posted November 24, 2017 Share Posted November 24, 2017 Servisul nu si-a facut bine treaba si n-a verificat etansarea supapelor pe scaune si ghidurile. Supapele noi au fost originale, pe cod de producator? O reparatie la chiulasa se face la un atelier specializat. Eu am patit-o si trag ponoasele! Scoate bujiile si vezi care au ulei pe filet si electrozi si daca sunt ancrasate. Unde ai facut reparatia la chiulasa? Link to comment
ionut v Posted November 24, 2017 Share Posted November 24, 2017 Cei de service s-au ocupat de tot(inclusiv chiuloasa). Cand au scimbat semeringurile a doua oara erau urme de ulei in capul pistonului 3 si 4. Reparatia am facut-o sa service Multibrand(in spate la tigarete) si stiu ca baietii vin cu recomandari bune si au lucrat si la Chevrolet pe vremuri. Link to comment
Viktor Posted November 26, 2017 Share Posted November 26, 2017 Care au fost acele cauze "deja cunoscute" de s-a lasat cu demontare chiulasa? Constatatorii in cauza, nu cumva au fost concediati de Chevrolet multumita recomandarilor minune ? Ori, cererea si oferta nu-i tocmai clara. Link to comment
ionut v Posted November 28, 2017 Share Posted November 28, 2017 Au lucrat la service Chevrolet inainte ca acesta sa se inchida(fostul proprietar turc a intrat in faliment), dar nu asta e relevant. Problemele deja cunoscute sunt calaminarea supapelor de care eu nu m-am lovit cat a fost masina in garantie. M-am confruntat cu problema aceasta acum vreo doi ani mai ales in sezonul rece iar solutia data de toate servisuri-le era aceeasi, schimbarea supapelor. Masina mergea neregulat( simptom de mers in 3), dadea in nas la plecarea de pe loc, iar iarna pornea la a doua sau a treia cheie. La aprinderea becului check am facut o diagnoza si a rezultat "missfire" pe un anumit piston( nu mai retin care). Noxele miroseau urat, a gaze nearse dar nu scotea fum. Pana a demara aceasta lucrare, in vara am incercat sa elimin si alte posibile cauze si am schimbat senzor de temperatura, pompa benzina, bujii si fise. Deasemenea au fost verificate sonda lambda si injectoarele, toate in regula, simptomele au persistat, solutia oferita aceeasi (schimbarea supapelor). Asa ca am ajuns sa fac lucrarea, schimbat supape evacuare si admisie, simeringuri, bobina si restul pieselor care includ aceasta lucrare (ulei, filtru, lichid racire, prezoane chiuloasa, garnituri etc) Am plecat cu masina din service mergand perfect si dupa aprox 2 sapt de mers in oras am plecat la un drum in afara orasului(240km dus intors) timp in care am constatat un tacanit fin care in timp s-a accentuat. Dimineata eram la service cu motorul aproape uscat. In teorie nu era nimic in neregula asa ca s-au schimbat din nou simeringurile pentru ca era singura varianta pe unde ar fi putut pierde(consuma) uleiul. Dupa aceasta operatie, nici o schimbare, masina merge dar brusc consuma foarte mult ulei (1L/1000km) La o adoua parere ceruta unui alt mecanic, acesta zice ca este imposibil acest consum de ulei doar din cauza semeringurilor sau a supapelor si trebuie totusi verificat segmentii. Se pare ca testul de compresie ar fi irelevant in acest caz deoarece o astfel de uzura poate implica segmentul de ungere si nu si pe cel de compresie. Ce nu imi explic e cum poate aprea acest consum brusc. Repet, masina nu a fost fortata, bruscata, forjata peste masura, are 130000km. Ma asteptam ca astfel de probleme sa apara in timp, nu brusc. Asta ma face sa cercetez de unde ar putea fi eroarea! Link to comment
Viktor Posted November 28, 2017 Share Posted November 28, 2017 De-a dreptul interesanta treaba asta. Cum de pina a demonta chiulasa segmentul de curatare isi facu treaba (ca al de ungere nu face nici mai mult nici mai putin decit a asigura ungerea de stiu eu bine) iar acum ii franjuri, nu mai curata de unde si pierderile, de intr-adevar acolo-i buba. Ceva la mijloc ii putred in chiulasa aia. N-or fi cozile supapelor prea subtiri, strimbe ori usor accidentate iar simeringurile nu etanseaza suta-n suta ? Link to comment
ionut v Posted November 28, 2017 Share Posted November 28, 2017 Caut o explicatie plauzibila(chiar daca e teoretica) avand in vedere ca tot ce s-a schimbat a fost nou si reparatia nu tocmai ieftina(3200). Desi masina merge bine, scoate fum alb si parca si condensul "scuipat" pe esapament e mai accentuat, ori mi se pare mie. Deocamdata refuz ideea segmentarii si mai cercetez. O astfel de reparatie aproape ca nu se mai justifica la valoarea actuala a masinii! Link to comment
Mihai.Ionita Posted November 29, 2017 Share Posted November 29, 2017 Ca service mi se pare absolut stupid sa dea chiulasa jos si sa nu se uite și ei prin cilindri. Si daca observa ca blocul nu mai are zgarieturile alea in x, sa se sesizeze la niste segmenti noi cel putin. Ce mai erau 300 de lei în plus pe langa 3200 cand motorul era deja desfacut? Sent from my Vodafone Smart ultra 6 using Tapatalk Link to comment
ionut v Posted November 29, 2017 Share Posted November 29, 2017 Lumineaza-ma putin. Cum isi pot da seama de starea segmentilor fara sa ii dea jos, ca nu imi dau seama? Si explica-mi te rog ce e cu marcajul in x? Multumesc! Link to comment
Mihai.Ionita Posted November 29, 2017 Share Posted November 29, 2017 In poza vezi la ce ma refer. Daca alea dispar, e primul semn ca ar trebui scos un piston si verificati segmentii Sent from my Vodafone Smart ultra 6 using Tapatalk Link to comment
Viktor Posted November 29, 2017 Share Posted November 29, 2017 Ca service mi se pare absolut stupid sa dea chiulasa jos si sa nu se uite și ei prin cilindri. Si daca observa ca blocul nu mai are zgarieturile alea in x, sa se sesizeze la niste segmenti noi cel putin. Ce mai erau 300 de lei în plus pe langa 3200 cand motorul era deja desfacut? Sent from my Vodafone Smart ultra 6 using Tapatalk Ehe, cam asta e... Un meserias "de bine" ar fi venit cu recomandarea in prima faza pentru inlocuirea segmentilor si cuzinetilor, asta in cazul in care chiulasa fu reconditionata ca la carte. Dara deh, timpul trece, leafa merge ... noi cu drag muncim. Link to comment
Fantastikool Posted January 8, 2018 Share Posted January 8, 2018 Salutare, am cumparat si eu un chevrolet aveo 1.2 cu gpl, nu am fost prea atent cand l-am achizitionat si dupa o cercetare mai amanuntita am gasit martorii de check engine si ulei astupati cu banda izoler si marker permanent ! Am urmatoarele probleme, motorul moare uneori cand reduc viteza si trec in trepte inferioare ... de fapt nici nu apuc sa schimb ca ma trezesc cu el mort subit, uneori porneste imediat alteori trebuie sa astep 30-60 secunde pana sa porneasca. martorul de ulei sta aprins la relanti iar in mers se stinge, am pus-o pe un tester si imi apar urmatoarele erori, daca este cineva care ma poate ajuta si daca merita sa investesc pentru a o readuce pe picioare ! Am atasat poza cu erorile gasite ! Multumesc anticipat ! Link to comment
ches Posted January 11, 2018 Share Posted January 11, 2018 Salut, Ai luat o masina samsarita, conform cu ce scrie in codurile alea ai probleme cu senzorul de la axa cu came, valva de purjare de la canistra de vapori (de asta nu sunt sigur), sondele lambda cu incalzitoarele arse, solenoidul de la valva EGR ars. Am pus mai jos cateva instructiuni ca sa nu cumperi piese aiurea: - Cod P0030 si P0036: Pentru testat circuitul de incalzire al sondei lambda vezi aici: - Cod P0403 - cel mai probabil solenoidul de la EGR dus, dar verifica valva EGR, vezi de la minutul 5:30 incolo: Data viitoare sper sa te fi invatat minte si sa verifici o masina la service inainte sa o cumperi, ca doar nu cumperi un sac de cartofi... Link to comment
Mircea B Posted January 14, 2018 Share Posted January 14, 2018 Cei 100.000 km. paecurși, i-am marcat cu celebrul bec galben aprins fără să se mai stingă . M-am consultat cu un amic, care s-a dovedit a fi un bun mecanic auto, stabilind împreună pașii ce a urmat să-i parcurg pt. eliminarea problemei. Trebuie să încep prin a menționa că bujiile originale au fost înlocuite la 85.000 km. Primul pas: diagnoza a arătat eroare pe pistonul 3, am mutat bujiile între ele și am șters eroarea. După cca. 5 km., s-a reaprins . Motorul nu mai funcționa în parametri normali: după ce se încălzea, piedea din putere, în toba de eșapament se auzea că merge sacadat. Am parcurs cca. 300 km. în aceste condiții. Pasul 2: am înlocuit fișele ce duc de la bobina de inducție la bujii și normal am șters eroarea. După cca. aceeași distanță problema a reapărut, deci nu au fost fișele . Am mai parcurs aprox. tot 300 km. motorul comportîndu-se identic, pînă cînd am înlocuit bobina de inducție. Observație: de fiecare dată cînd alimentam, în cca. primii 15 km. becul ardea cu intermitență, după care rămînea nestins. După înlocuirea bobinei totul a fost perfect pînă am alimentat cu benzină. După nici 5 min. de funcționare a motorului becul s-a reaprins . Am parcurs cca. 500 km. cu el aprins, însă motorul funcționa ireproșabil: avea putere, mergea rotund. După cei 500 km. surpriză: becul se stinge după pornirea motorului . Am mai parcurs cca. 150 km., și el se stinge la fel cum o făcea în urmă cu mulți ani cînd mi-au vîndut mașina . Link to comment
Mircea Posted January 22, 2018 Share Posted January 22, 2018 Salutare, am cumparat si eu un chevrolet aveo 1.2 cu gpl, nu am fost prea atent cand l-am achizitionat si dupa o cercetare mai amanuntita am gasit martorii de check engine si ulei astupati cu banda izoler si marker permanent ! Am urmatoarele probleme, motorul moare uneori cand reduc viteza si trec in trepte inferioare ... de fapt nici nu apuc sa schimb ca ma trezesc cu el mort subit, uneori porneste imediat alteori trebuie sa astep 30-60 secunde pana sa porneasca. martorul de ulei sta aprins la relanti iar in mers se stinge, am pus-o pe un tester si imi apar urmatoarele erori, daca este cineva care ma poate ajuta si daca merita sa investesc pentru a o readuce pe picioare ! Am atasat poza cu erorile gasite ! Multumesc anticipat ! Si o plangere penala la adresa vanzatorului, pentru inselaciune, nu ai facut si tu? Link to comment
perfidus Posted February 25, 2018 Share Posted February 25, 2018 Al meu Lacetti 1.4 HB face figuri la cald, adica dupa o stationare de 10-15 minute. Porneste mai greu, la a doua cheie sau daca tin > 2 secunde demarorul. Cand eram prin tara in concediu, mi s-a aprins prima oara MIL (ODO e peste 91.000km). Nu-mi dau seama daca imediat dupa o astfel de pornire la cald, ca mi-a sarit in ochi ceva mai tarziu. A stat asa vreo doua zile timp in care am mai facut vreo 300km, dupa care odata ajuns acasa MIL s-a stins cand i-am dat urmatoarea cheie Pentru ca eram foarte curios am dat fuga si mi-am luat un scanner ELM, eroarea stocata era P0342 - Camshaft Position Sensor "A" Circuit Low. E posibil sa fi aparut din cauza pornirii greoaie sau e un contact imperfect, ramane de vazut. Pentru ca nu era foarte deranjant becul galben si noxele au fost mereu in parametri (altceva in afara de pornirea grea nu avea), abia anul trecut am rezolvat senzorul de la axul cu came cu ocazia schimbarii distributiei la 110.000km (avea mai mult de 5 ani). Eroarea P0342 a disparut si nu a mai aparut de vreo 6 luni. Acum ma deranjeaza doar zgomotul unui culbutor la rece, in rest sunt f. multumit de zvac si consumul parca a revenit la "normal" (daca normal este 7.3 la un motor de 1.4 la un drum lung cu ceva alergatura pe autostrada si multe bagaje). Niciodata nu am avut alte erori gen P0300. Apa paie si bataie (adica schimbat in general peste 3500 rpm) plus revizii la timp. Bafta! Trimis de pe al meu SM-G920F folosind Tapatalk Link to comment
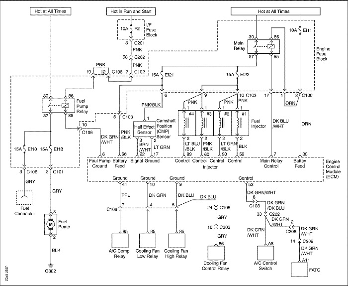
perfidus Posted March 14, 2018 Share Posted March 14, 2018 (edited) Hai sa va spun una buna. Parca am avut un presentiment apucându-ma sa scriu mesajul de mai sus, cu rezolvarea becului galben (P0342) dupa 4 ani. In seara de 8 martie cand sa plec de la niste amici (bine ca nu eram pe coclauri) dau la cheie, pornește la sfert (ca de obicei după ce am schimbat senzorul CMP) las motorul sa merga 15-20 secunde si dau sa ies din parcare. Brusc imi moare motorul si simt apoi un miros de rasina epoxi arsa. Zic în gând - sa vezi ca a murit bobina de inducție. Insist la cheie si nu pornește, dar vad deja becul galben aprins. Amicul care venise intre timp la mine imi zice sa apas acceleratia si sa mai încerc, dacă e dusa o bobina poate merge jumătatea cealaltă si pornește in 2 pistoane. Fac cum zice el după ce ridic capota si adulmec mirosul de ars (nu-mi dau seama de unde vine dar parca nu e de la bobine). Dupa 4 5 secunde se hotărăște sa pornească, foarte greu însa si mergând întrerupt rău, se oprește dacă las accelerația. N-am încotro si plec cu ea asa, după ce ma asigur ca nu ia nimic foc (deja mirosul nu mai persista) - se mai oprește pe drum pe la intersecții dar cu chiu cu vai ajung acasă. Dupa cum mergea motorul încep sa bănuiesc ca nu e bobina sau fisele, pentru ca nu parea ca merge in 2-3, ci mai degrabă ceva gen missfire generalizat (sughițuri). Iau laptopul, pun scanerul si citesc: P0562 - system voltage low P0404 - EGR control circuit range/performance P0342 (sic) - camshaft position sensor A circuit low P0510 - closed throttle position switch P0406 - EGR sensor A circuit high Scot mufa EGR (ma gandesc ca s-a blocat deschis) si dau la cheie - nu pornește decât cu accelerația apăsata dar acum cel putin nu mai merge in șuturi. Totuși, la ralanti canci. MTIA nu mai ciupea nimic la pedala de accelerație când puneam contactul (inainte se auzea si ceva ca un tiuit din funcționarea motorașului). Si mai observ ceva - ventilatorul radiatorului nu mai pornește când dau drumul la A/C. Pentru ca era târziu zic ca o las pe a doua zi deși la asemenea lista de probleme nu putea fi decât o chestie electrica gen un releu, lipsa masa fir belit sau ceva mai nasol la ECM. Vineri la serviciu deschid manualul si găsesc schema: Ajung acasă si mă uit mai bine pe scheme. Soluția apare acum limpede: lipsa tensiune pe Ef21 (cutie sig. motor) sau releu MAIN sau comanda lipsa releu MAIN. (l.edit : nu putea fi de la releu, ca tot pe releu e si Ef22 care alimenteaza injectoarele - n-ar fi pornit deloc) De aici si ne-funcționarea ventilatorului de răcire. Încerc întâi releul MAIN, fac schimb cu unul de langa el (de la pompa de benzina). Releul face Clic cand pun contactul deci are comanda. Dar tot nimic, nici un zgomot la MTIA. Scot Ef21 - BINGO (e scrum). Ce mai alimentează Ef21 (notată EMS pe capac) în afara de senzorul CMP? Cam multe: încălzitoarele de sonde lambda, bobina EEGR, solenoidul de la canistra de carbon, plus terminalul 66 (BAT FEED) de la ECM (de aici și eroarea de System Voltage Low si lipsa comanda MTIA. Deci acum mi-e deja cam clar ce a mirosit a ars. Demontez capacul motor, dau afara conectorul senzor ax came CMP, pun o siguranță Ef21 nouă de 15A (e una la rezerve), pun la loc mufa EEGR si pun contactul. Desi MTIA pare ca acum merge (înainte nu făcea nimic, nici un zgomot cand puneam contactul), ceva e pe dos (adică pur si simplu invers, cand pun contactul in loc sa se deschidă un pic parca se închide de tot și se ridica pedala de accelerație). Porneşte acum dar tot cu accelerația apăsată un pic si nu tine ralantiul. Siguranța tine, clar e de acolo. Îmi aduc aminte brusc că am niște erori în sistem, MIL aprins, pe care nu am apucat sa le șterg. Cum am pus interfața și am dat clear trouble codes, în secunda doi s-a lăsat mai jos accelerația - iar MTIA și-a revenit în simțiri. Acum a pornit la sfert. La început ralantiul cam dubios, dar și-a intrat in parametri dupa IDLE LEARN si câteva ture de învățare cu accelerări și apoi mers constant. Bineînțeles după câteva porniri s-a aprins si MIL (P0342 - mufa senzor CMP scoasa) Case closed - atenție deci ce senzori cumpărați. Din păcate anul trecut în vară am lăsat pe mâna magazinului de piese auto (al unui prieten) ce sa cumpere și cred ca m-am ales cu un chinezism de 70 lei. Acum aștept un senzor nou, sper eu original (am văzut acum ca se găsește mai ieftin pentru Nubira 2 sau chiar Matiz Euro3 - codul OEM 96253544). Sper ca nu v-am plictisit prea mult cu detaliile despre depanarea pas cu pas a defectului. Defect extrem de dubios la prima vedere, datorită unei proiectări cam din economie a GMDAT - multe elemente fără legătură cuplate pe un singur circuit de alimentare. Dacă aveți îndemânare la şurubărit și manualul în faţă, nu vă trebuie decât puțină logică. Un indicator de tensiune ajută când trebuie să o iei sistematic din conector în conector sau sa vezi o siguranță arsă fără să o scoți. Şi investiți într-o interfață OBD II. Face toți banii! Numai bine. Edited March 14, 2018 by perfidus 3 Link to comment
Recommended Posts
Create an account or sign in to comment
You need to be a member in order to leave a comment
Create an account
Sign up for a new account in our community. It's easy!
Register a new accountSign in
Already have an account? Sign in here.
Sign In Now