-
Posts
8501 -
Joined
-
Last visited
-
Days Won
101
Content Type
Profiles
Forums
Events
Everything posted by VAXXi
-
Păi centura ca să fie eficientă, trebuie să fie şi bine reglată ! Asta presupune ca punctul de prindere pe stâlp să fie undeva la nivelul gâtului (aşa cum la tetiere, baza tetierei trebuie să fie la nivelul lobului urechii).
-
1. Daewoo Espero 1.8 CD din 1995 2. Acum am aproape 112.000 km la bord. Cât rezistă - habar n-am. Motorul l-am făcut la 100.000 km, acum nu papă nici un mililitru de ulei. 3. Iarăşi, habar n-am pentru că nu sunt un om cu planuri făcute dinainte. Totuşi, n-am de gând să o vând în viitorul apropiat, deoarece mi se potriveşte de minune. 4. S-o îngrijeşti, ce altceva ? Pentru motor, doar ce-i mai bun: ulei de calitate, curatare de injectoare, benzină bună, filtrul de benzină şi de aer schimbat la timp. Întreţinere preventivă: schimbat furtune, conducte, garnituri. Pentru caroserie: remedierea rapidă a oricărui defect cu potenţial de distrugere, cum ar fi apariţia petelor de rugină. Pentru restul: piese noi, şi nu cârpeli.
-
Mda, mereu. Cum mă urc în maşină, o fixez. Aşa m-am obişnuit, aşa e bine - nu pentru amendă, ci pentru capul meu (o prietenă a spart un parbriz cu scăfârlia încăpăţânăndu-se să nu-şi pună centura, şi asta la impact cu viteză mică, 15-20 km/h). Fără dispozitive de reţinere, centurile au fost gândite să lucreze aşa cum sunt ele, pretensionate, nu cu agrafe şi alte brizbrizuri.
-
Apa in usa la Espero
VAXXi replied to hellcat's topic in Probleme tehnice Cielo, Nubira, Espero, Leganza
Ţinând cont de mizeria pe care-am găsit-o în furtunaşul de la antenă, aş vrea să cuvânt_urâtăţ şi eu găurile astea, dar zău dac-am priceput unde sunt. Nu face nimeni o poză ? sau măcar un X cu roşu pe una din schiţele din manual ? -
Mda, nici eu. Opel Astra 1.6 din '92 (sau '93), a ajuns tot pe autobahn la viteza de 190 km/h pe bord, cu turaţiile la roşu. Şi-am mers aşa vreo 20 de minute, de m-aşteptam din moment în moment să prind nişte pistoane în braţe. Dar a rezistat.
-
Probleme La Pornire Si Imediat Dupa Pornire
VAXXi replied to iuzar's topic in Probleme tehnice Cielo, Nubira, Espero, Leganza
Eu am observat un fâsâit la oprire, şi 100% e de la aerul condiţionat, pe care până acum l-am avut stricat. Şi aerul e o povară suplimentară pentru motor, de-aia cred că nici nu se poate porni motorul cu el în funcţiune. -
Ăsta nu e pentru antigel, ci pentru a păstra o cantitate de ulei gata pregătită şi filtrată, care e eliberată imediat ce bagi cheia în contact. Ca atare, se evită acele prime cicluri de ardere în care uleiul nu e complet urcat, şi lubrifierea e cam proastă. "With the AutoEngineLube kit installed filtered oil is stored in the tank ready to pressurize the system BEFORE the first revolution of the crank shaft."
-
Aham. Şi: cine îmi zice cât am de plătit la reîntregirea asta ? presupun că la asigurare, după ce le vine devizul de la service ? Eu mai trebuie să fac vreun drum la asigurare după ce am reparat maşina ? mă cheamă ei sau trebuie să mă duc voluntar ?
-
Mă uitam pe Pro TV la emisiunea aia cu tipul de se plimbă prin multe ţări europene, care acum ajunsese în Monaco. Şi vorbea el cu un tip ce venise la service-ul Ferrari din "localitate", care era acum la al 5-lea Ferrari propriu. Şi zicea omul (repet, avea Ferrari): "la voi e bine, că dai ceva la poliţist şi scapi de amendă, dar la noi în Franţa nu se mai poate aşa, dacă ai depăşit cu peste 40 km/h limita de viteză faci închisoare" (sublinierea îmi aparţine). Ce părere aveţi ? cred că dacă s-ar aplica la noi, ar trebui ăştia să cvadrupleze numărul de închisori peste noapte ! Acum, închisoare e puţin cam drastic, dar parcă n-ar strica nişte ore de muncă în folosul comunităţii (câteva ore de făcut curat în parcuri, prin spaţiile verzi, măturat, etc).
-
Apropos, şi ce e treaba asta cu "reîntregirea poliţei" ? că mie nu mi-a zis nimic inspectorul de la asigurare. NFS, eu n-am fost în Bucureşti cu CASCO am zis doar că diferă procedura în funcţie de oraş ! (mai exact, cât de mare este oraşul, cu câte service-uri are contract asiguratorul, etc).
-
Se verifică cu maşina la orizontală (foarte important, pentru că o înclinare poate afecta semnificativ nivelul pe jojă), şi după ce motorul a fost oprit de 5-10 minute. După o noapte întreagă se scurge aproape tot uleiul în baie, şi e mult prea rece faţă de temperatura normală de lucru, deci nu e relevant (deci prima pornire după o noapte "de stat" e cea mai dificilă pentru motor, motiv pentru care mă gândesc la un dispozitiv de genul http://www.autoenginelube.com ). Când spui ulei de transmisie, bănuiesc că te referi la uleiul din cutia de viteze. Şi Daewoo-urile au aşa ceva, tot cu indicaţii diferite pentru - este explicat în manual.
-
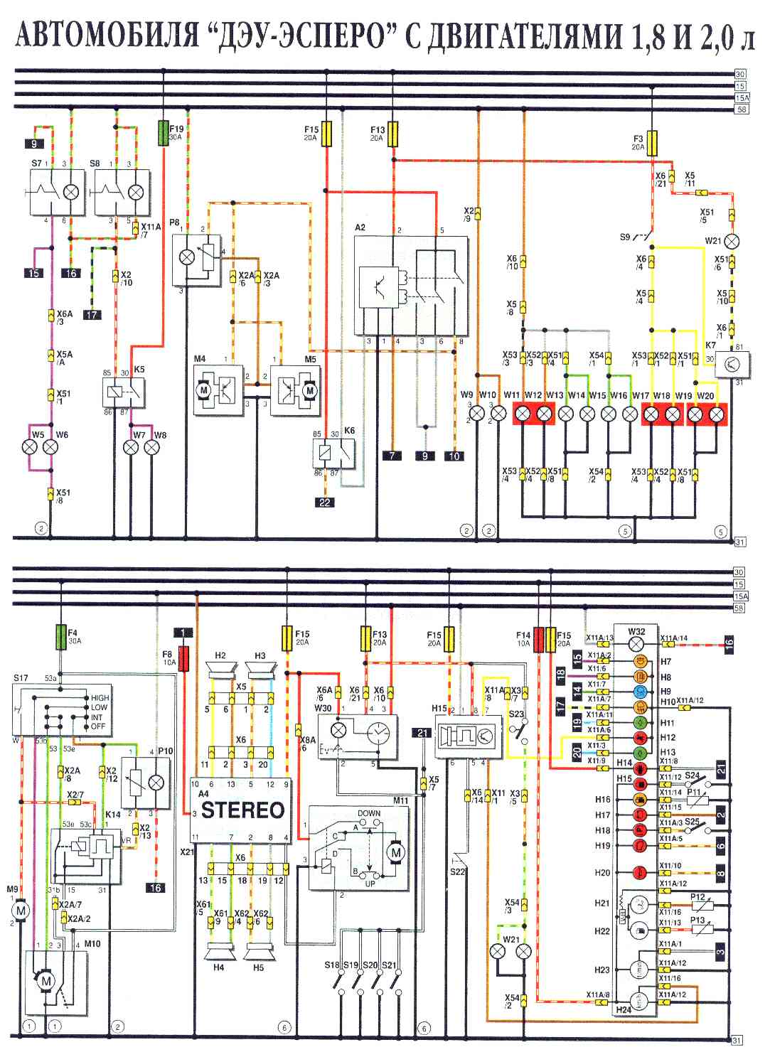
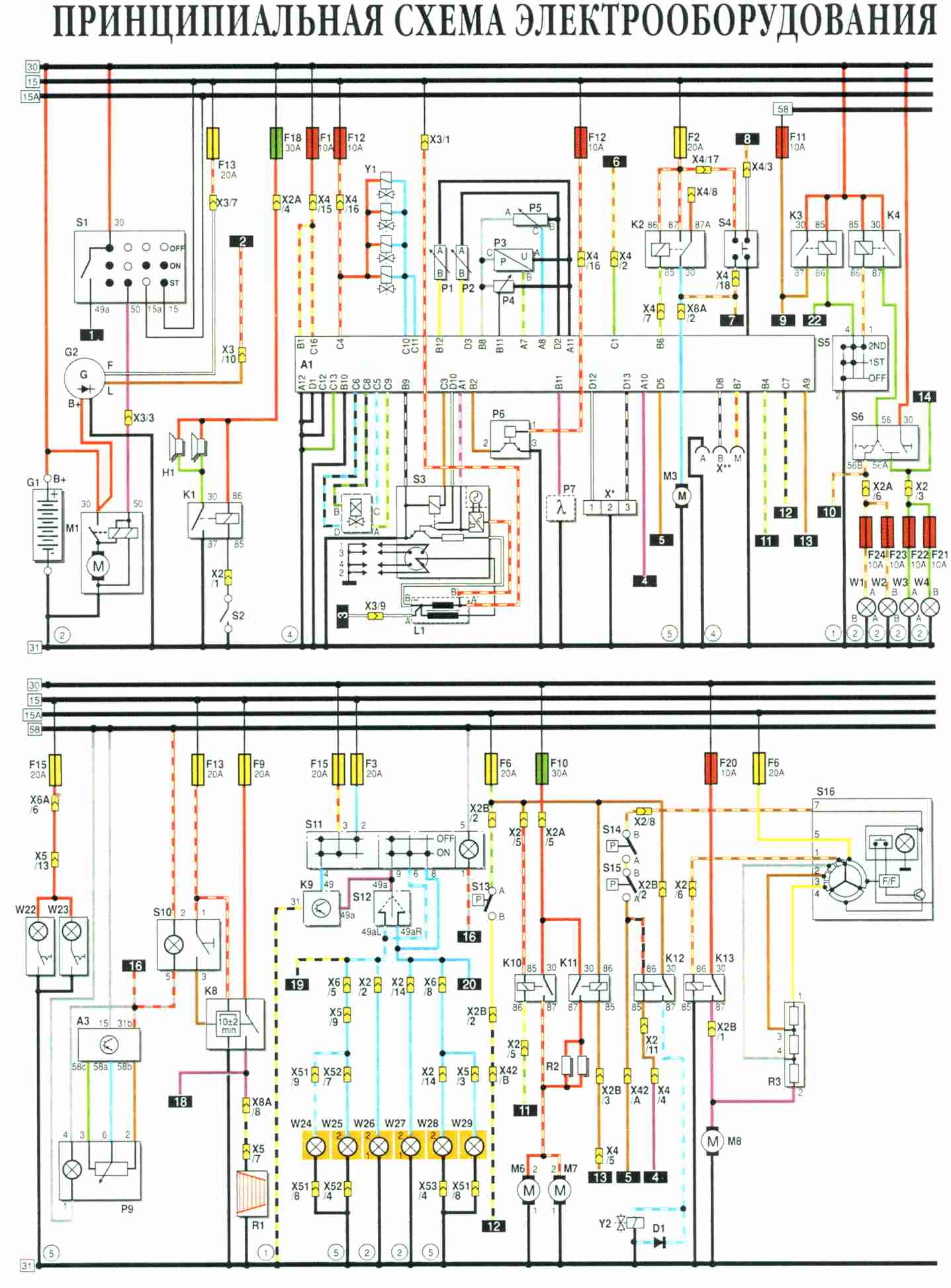
Nişte scheme pentru Espero 1.8 şi 2.0
VAXXi replied to VAXXi's topic in Modificări și tuning Cielo, Nubira, Espero, Leganza
Aşa, aşa.. bun. Acum cine ne traduce şi nouă ce scrie acolo, că aşa în mare mă prinsesem şi eu ce sunt. -
-
Multe ar fi mai bune dac-aş avea o afurisită de-aia digitală, din păcate n-am. O să caut una de împrumut, cu care să pozez absolut tot ce trebuie: autocolantul, maşina, eu, motorul, modul în care pot fi demontate diverse chestii de pe maşină, etc .
-
E destul de probabil să fie ca alea. Eventual uită-te şi pe eticheta produsului, să vezi dacă e trecut şi Espero (la cele pe care le am eu, era).
-
Nici eu n-am sărit de 20 mii anual . Şi sincer, îmi pare rău, că-mi place tare mult să conduc.
-
E o nebunie imensă procesul ăsta de înmatriculare. Pentru cine n-are nervi zdraveni, răbdare sisifică şi timp de pierdut, se rezolvă cu 100 EUR la una din persoanele care stau p-acolo (dar aveţi grijă la cine daţi actele totuşi).
-
S-a prăbuşit... de vreo doi ani mi se pare. Cel puţin aşa ştiu eu, dacă mă înşel cu atât mai bine. Ce-ai dom'le cu liftul, numa' bărbaţii adevăraţi trec proba liftului :afro: Când am fost eu, nici luminat nu era, mergeai în beznă totală şi ziceai "se rupe ? am ajuns ? se rupe ?" Uite şi nişte linkuri: http://www.ici.ro/romania/ro/turism/b_slan...nicprahova.html http://www.salrom.ro/slanics.htm
-
Cam cât parcurgeţi anual, la volanul maşinii proprii ?
-
Tocmai aia e, că nu le-am cumpărat. Le-am primit. Şi habar n-am de unde, nici eticheta lor n-o mai am.
-
Păi aia o fi, înseamnă. N-am observat să scrie anexa 2 pe ea, dar ... o anexă pare să fie.
-
Confirm şi eu, salina e marfă de tot. Numa' coborârea cu liftul face toţi banii, darmite interiorul. Păcat că s-a prăbuşit Grota Miresei, era frumos de tot şi-acolo (am văzut-o, sâc ).
-
Hint pentru covoraşe speciale de Espero (pe care eu le-am găsit dintr-o mare pură întâmplare şi cu mult noroc): unul din covoraşele din spate are un fel de "limbă" care trece peste "umflătura" ce uneşte consola centrală cu mijlocul banchetei (pe-acolo dacă nu mă înşel trece eşapamentul). Limba asta trece peste umflătură, şi intră sub preşul celălalt (de asta nu sunt interşanjabile). Şi pe faţă, şi pe spate se fixează excelent - sunt un pic mai late cele pe spate, şi stau înţepenite între şinele scaunului. Huse pentru Espero n-am găsit nici eu, am înţeles c-ar avea la Rădăcini (erau 1.700 kROL când am întrebat, pe la începutul anului) şi la Poliserv, dar aici n-am întrebat. Cele de 1 milion din Metro sunt foarte, foarte nasoale ca material şi ca fixare pe scaun: am văzut montate, şi mereu se trag, se strâng... incomode. Am şi-un set de de-astea universale, din OMV luate. Acceptabile, dar nu se compară cu alea "cu limbă". Plus că la absolut toate covoraşele pe care le-am avut, se duce porţiunea aia de cauciuc lipită pe preşul de la şofer... şi pe cuvântul meu că nu conduc cu crampoane .
