entaro79 Posted July 14, 2010 Share Posted July 14, 2010 Vad ca multi sunt porniti impotriva masinii astia si nu inteleg de ce. La noi exista din pacate mitul masinii germane care nu poate fi scos din mentalul colectiv. Normal ca masina merge prost daca mergi in croaziera cu 1800 rpm si cand vine o coasta iti este lene sa treci intr-o treapta inferioara. Nu are cum sa consume o masina atat de mult si acelasi model, la altcineva, sa consume normal...problema este la sofer. Asa ca, INVATATI SA CONDUCETI INAINTE DE A ARUNCA CU NOROI! In primul rand se vorbeste de consum exagerat la motorul de 1.4 16V,motor pe care tu nu il ai si nu il conduci.Nimeni nu merge in croaziera la 1800 rpm (unde ai avea in a 5-a sub 70 km/h) ci la mult mai sus de 3000 rpm.Motorul tau de 1.2 e mult mai ok din multe punctelede vedere fata de cel de 1.4 16V. Link to comment
adostar Posted July 14, 2010 Share Posted July 14, 2010 Ce inseamna la voi consum exagerat la motorul de 1.4 ? Mie pana acum in oras mai mult de 10 nu mi-a luat iar afara maxim 6.5 Link to comment
cos22tm Posted July 14, 2010 Share Posted July 14, 2010 (edited) consuma si mai mult in oras. eu am scos si 14% dar in conditiile in care o tineam intre 4000-6000rpm (adica maxim vit2)...asa ca daca vrei poti. depinde de sofer. mie imi place masinuta de aia am si cumparat-o. Edited July 14, 2010 by cos22tm Link to comment
rich1974 Posted July 16, 2010 Share Posted July 16, 2010 Ieri am aschimbat tripoda planetarei de la sofer dinspre cutie. Doi dintre rulmenti nu mai aveau bile si batea planetara ca dracu. Norocul meu este ca la a mea merge tripoda de la matiz, de fapt, cred ca mergea tot capul de planetara. cu tot cu uleiul scurs m-a costat 110 ron. planetara am demontat-o si montat-o eu, este foarte usor. Nu este vina masinii, cand am umblat la planetara data trecuta, "meseriasii" nu mi-au mai pus siguranta la un rulment si pana la urma bilele au zburat! Sunt bucuros ca masina nu are jocuri la pivoti sau la caseta pt ca merg cateodata pe niste drumuri facute praf! Asa ca, luati aminte, la aveo de 1.2 cu 8 supape, planetarele sunt la fel ca la matiz. un cap de planetara de aveo costa cam 900 ron, mi se pare enorm! Link to comment
b69hdu Posted July 18, 2010 Share Posted July 18, 2010 Am o problema cu ventilatorul din haibitaclul masinii (un Aveo 1.2 din 2007) functioneaza decat pe ultima treapta.treptele 1,2si 3 sunt moarte nu inteleg ce sa intamplat Daca are cineva idee si ma poate ajuta ii multumesc anticipat Link to comment
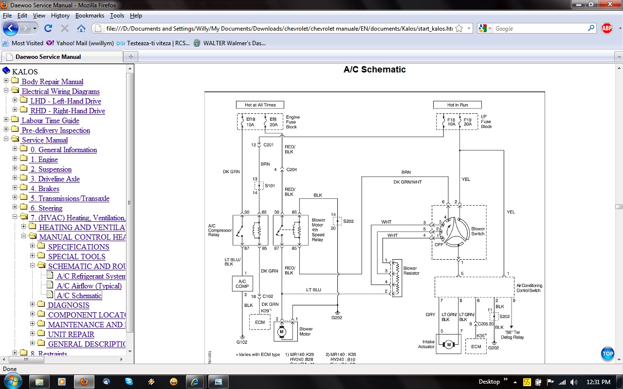
wwillym Posted July 18, 2010 Share Posted July 18, 2010 (edited) Nu dispun decat de schema instalatiei electrice de Kalos, dar cred ca oricum ideea de baza e aceeasi. As verifica siguranta F19 din habitaclu, iar daca nu, posibile probleme la blocul de rezistente. Am inteles ca rezistentele se gasesc amplasate pe grupul electomotor-ventilator. Edited July 18, 2010 by wwillym Link to comment
stefanion Posted July 18, 2010 Share Posted July 18, 2010 pentru rezistenta de pe ventilator baga in google translate http://www.aveoclub.ru/forum/index.php?showtopic=16469 Link to comment
redflame Posted July 18, 2010 Share Posted July 18, 2010 Si pentru ai mai incalzi un pic pe cei cu bruma pe "fata", tocmai m-am intors din concediu. La fel ca si anul trecut Cluj-Costanta un drum de 704 km din pompa in pompa, condus de la 11 PM pina la 11AM cu o pauza de 2 ore. Plin in Cluj - Luck Oil 95, plin in Saturn 38.9 L La intoarcere acelasi drum doar ca am ales dinspre Ploiesti spre Brasov varianta pe Valenii de Munte - Sacele partea mai muntoasa si cu f multe curbe si serpentine atit in la urcare cit si la coborire, o zona superba pentru cine cunoaste, cu plinul din Saturn Pentrom 95 refacut plin in Cluj - 43.4 L 716 km, condus de la 4 PM pina la 3 PM. Acum faceti voi calculele, la dus nu am folosit AC, dar la intoarcere a fost nevoie vreo 200 km. Viteza medie s-a invirtit in jur de 70 km/h si vreau sa spun ca avind AC cuplat pe bucata Cervavoda-Fetesti a ajuns la 150 fara probleme, a fost suficient pentru a ajunge primul la postul de taxare Un sfat care il dau mai multi pe aici cu mai mare experinta, "invatati sa va conduceti masina" Link to comment
sergiuhusca Posted July 18, 2010 Share Posted July 18, 2010 Redflame, ia spune-ne tu cum ai condus si ce motor ai? Link to comment
MCojo Posted July 18, 2010 Share Posted July 18, 2010 Ceea ce a obtinut @redflame este un consum cat se poate de normal. 1 Link to comment
redflame Posted July 19, 2010 Share Posted July 19, 2010 Salut Motor 1.4 16V, am condus dupa cum cere masina, si bineinteles dupa conditiile de trafic. Putin peste 60 km/h in localitati pentru a nu avea probleme , iar afara pina in 130-140km/h. Am calcat-o mai tare pe autostrada, unde desi cu AC cuplat a ajuns rapid la 150km/h si mai putea, dar era "detectorul" de radar in dreapta mea si a trebuit sa ma conformez. Ce am uitat sa mentionez este ca eram 3 persoane, si un portbagaj plin, plus intre scaune bagaje. Nu sint adeptul unui condus teribilist, sint constient de ce poate masina si o tin in aceste limite. Frina cit se poate mai putin iar retrogradarea intr-o treapta inferioara ori de cite ori am coborit sub 2200 rot/min. @sergiuhusca Si mai sint si alte secrete dar pentru aceasta trebuie sa ajungi sa cunosti masina 1 Link to comment
stefanion Posted July 21, 2010 Share Posted July 21, 2010 aseara am lovit un animal sarit din padure socul maxim a fost in zona mov/lila, zona rosie e rupta, verde e 30% rupt si in zona galbena e fisurata (partea inferioara) nu am casco care ar fi cea mai buna metoda de reparare, in principal a segmentul dintre marcajele rosu si verde? mersi Link to comment
diablo Posted July 23, 2010 Share Posted July 23, 2010 (edited) salut..vad ca esti din craiova ..pe forum la accesorii auto sunt mai multi care repara spoilere si altele..dar trebuie revopsit dupa.. Edited July 23, 2010 by diablo Link to comment
cos22tm Posted August 2, 2010 Share Posted August 2, 2010 ce ziceti de motorul EcoTec 1.4L 16v 74kW de pe Opel Astra / Corsa vs Chevy Aveo ? cam astea sunt specs-urile: pe Aveo 131Nm@4200rpm , Pmax=74kW@6400rpm pe Corsa 125Nm@4000rpm , Pmax=74kW@5600rpm pe Astra 130Nm@4000rpm, Pmax=74kW@6000rpm\ in realitate insa...cu toate ca greutatea masinii Corsa vs AveoHB e cam aceiasi , doar Astra are vreo 100kg in plus fata de cele 2 . totusi mi s-a parut ca in comportamentul dinamic Aveo este sub aceiasi motorizare de pe noul Astra. desigur pe Opel sunt alte cutii de viteza ...dar sa conteze chiar asa de mult ? sau map-ele din ECU la Aveo sunt cam fortate pt cei 100CP ? Link to comment
seelview Posted August 2, 2010 Share Posted August 2, 2010 Mi se pare o masina destul de ok dupa parerea mea, ce pot sa zic detin motorul 1.4 DOHC 100 cp, se infige recunosc, are momente cand devine puturoasa , papa destul in jur de 10% cu AC on, 60 in oras , 120 in afara ( ies foarte putin din oras cu ea , mai detin un fiat doblo 1.3 diesel cu care imi fac treaba lejer la drumuri lungi) . Link to comment
starsteel Posted August 12, 2010 Share Posted August 12, 2010 ... are momente cand devine puturoasa ... AC pornit sau condus subturat, astea ar fi principalele momente! Link to comment
seelview Posted August 12, 2010 Share Posted August 12, 2010 Condus subturat nu se pune problema , cu AC-ul abia trag de ea... Funny , pe Doblo n-am problema asta cu AC-ul .. Link to comment
doni Posted October 22, 2010 Share Posted October 22, 2010 Buna ziua, as dori sa stiu de la posesorii de Aveo (dupa 2008) daca au avut probleme semnificative cu ele? As dori sa achizitionez unul , cu aproximativ 42 000 km la bord, an 2008, 74 KW. 1400 cmc. si sa stiu la ce sa ma astept. La cati km se schimba distributia? (si un pret estimativ) Masina as intentiona sa o tin cam 2 ani si nu as vrea sa bag prea multi bani in ea (in afara de consumabile si lichidul magic care o propulseaza S"> ). P.S. O sa ma apuc incet incet sa citesc topicele aferente, dar acum nu prea am timp, asa ca orice raspunsuri sunt binevenite. Link to comment
Raresh20 Posted October 22, 2010 Share Posted October 22, 2010 (edited) Sa-ti raspund eu primul, ca tot esti din Cluj. Aveo meu e din 2008, dar cu motoru de 69 kw si pana acuma singura problema a fost schimbatul bucsilor de la bara stabilizatoare pe garantie, care scartaie cand se usca. A trebuit sa mai pun si o saiba la carcasa electro-ventilatorului deoarece s-a apropiat de radiator, dar acuma s-a rezolvat.Cred ca la tipul nou de motor este alt sistem, asadar nu ar trebui sa fie problema asta.In rest numai reviziile si benzina. Succes. Daca ai vreo nelamurire, incerc sa iti raspund Edited October 22, 2010 by raresh20 1 Link to comment
redflame Posted October 24, 2010 Share Posted October 24, 2010 (edited) Si tot pentru ca esti din Cj, pot sa iti spun ca am 25k km, din iunie 2009, nici o problema, mai scirtie ceva bucse acum cu frigul, dar nu cit sa fie o problema, in rest benzina si licid de spalat parbriz. Despre distributie gasesti pe topicul cu revizii. Numai bine Edited October 24, 2010 by redflame Link to comment
doni Posted November 3, 2010 Share Posted November 3, 2010 Motorul de 1.2 si 84 de harmasari turbati cum se prezinta? Vara cand porneste si AC-ul cum se misca? Link to comment
starsteel Posted November 3, 2010 Share Posted November 3, 2010 Orice motor de la 1,4 in jos cand pornesti AC-ul pierde putere si se simte...mai taie din 84 si ajungi la posibilitatile maxime, nicidecum cele reale! Banuiesc ca nu ai de gand sa o tii in 6000 rot/min. Link to comment
doni Posted November 4, 2010 Share Posted November 4, 2010 Nu am de gand sa fac asta. Masina e comandata , sper in 3 saptamani sa o ridic. Link to comment
dutuc_nicolae Posted November 8, 2010 Share Posted November 8, 2010 Salutare, la masina mea se aude un cloncanit (cel mai des in viraje, dar si pe drum drept cu denivelari). Am fost cu ea in service si mi-au schimbat bielete + caseta directie + capete de bara, pe garantie dar zgomotul nu a disparut, nu se simte nici o diferenta. Parerea mea este ca, caseta de directie era buna. Am fost cu masina si in alt service autorizat sa cer o opinie atat innainte cat si dupa ce mi-au fost schimbate piesele amintite, iar mecanicii de acolo mi-au recomadat sa fac un test la telescoape deoarece au sesizat ca in partea dr. fata am un telescop care curge. Ma intreb: sa fie oare cloncanitul de la telescop? chiar nu au sesizat cei de Gold&Platin ca am un telescop care curge? or fi avut ei nevoie de o caseta de directie buna si m-au gasit pe mine mai fraier sa mi-o schimbe? oare caseta pe care o am acum e mai proasta decat cea pe care o aveam innainte si care probabil era originala? ce garantie mi se ofera acum la piesele schimbate? exista sansa ca la anu dupa ce iese masina din garantie sa pice caseta si eu sa fiu bun de plata? daca problema nu e de la telescop ce ar trebui sa mai verific? Va multumesc! Link to comment
starsteel Posted November 8, 2010 Share Posted November 8, 2010 Nu am de gand sa fac asta. Masina e comandata , sper in 3 saptamani sa o ridic. Daca stii sa tragi de ea iti va oferi destule satisfactii...eu cu 94cp am tras de ea printr-o multime de munti ai Europei si nu m-a facut niciodata de rusine. Link to comment
Recommended Posts
Create an account or sign in to comment
You need to be a member in order to leave a comment
Create an account
Sign up for a new account in our community. It's easy!
Register a new accountSign in
Already have an account? Sign in here.
Sign In Now