Marian_MYT Posted July 22, 2014 Share Posted July 22, 2014 Salutare tuturor, De cateva zile ma confrunt cu 2 probleme la Nubira mea si anume: 1 porneste foarte, foarte greu, adica min 5-6 secunde dat la automat, indiferent ca motorul e cald sau rece. Bujiile au 5k km si fisele vreo 20k km, deci nu ar trebui sa fie din asta. In rest functioneaza corect si pe benzină si pe gpl. Ce ar trebui sa verfic, sa fie vreun injector care nu mai închide corect si curge benzina in camera de ardere,sa ii fac o curățare a injectoarelor ? 2 nu mai functioneaza AC-ul, ledul se aprinde, dar nu porneste compresorul, inainte pornea cand avea chef, dar acum se pare ca i-a pierit tot cheful, deci iau in calcul ipoteza ca ar fi un contact imperfect in modulul de climatizare. Voi ce credeti ? Multumesc anticipat de ajutor ! Link to comment
mirceajo Posted July 22, 2014 Share Posted July 22, 2014 salut! 1. se poate sa ai vreun injector infundat, pe gpl porneste la fel de greu? 2. verifica intai daca mai ai freon in instalatie, daca nu ai du-te si incarca si vezi daca ai pierderi.. apoidupa daca totul e ok te apuci de electrica. daca vrei suna-ma si mai dezbatem. Link to comment
Marian_MYT Posted July 25, 2014 Share Posted July 25, 2014 (edited) Multumesc de ajutor, Mircea, prima problemă am rezolvat-o astăzi, era vorba de membrana de la plamanul de gpl, am schimbat toate piesele de pe acolo nu doar membrana care era crăpată si acum porneste perfect. Edited July 25, 2014 by Marian_MYT Link to comment
catalinxjoker Posted September 1, 2014 Share Posted September 1, 2014 (edited) Salutare. Exista vreo posibilitate sa se potriveasca o planetara de la leganza la nubira 2? sau cea de la cielo? Stie cineva, a mai incercat? Edited September 1, 2014 by catalinxjoker Link to comment
mirceajo Posted September 3, 2014 Share Posted September 3, 2014 cielo in nici un caz! poate leganza dar nu cred, s-ar putea sa fie mai groase la butuc. Link to comment
lowlife Posted September 7, 2014 Share Posted September 7, 2014 De 1-2 luni, am probleme cu mersul la rece pana in 2000 rpm. Cu ambreiajul apasat sau scoasa din viteza, se accelereaza greu, innecat; bagata in viteza merge ceva mai bine. Am zis sa fac o reinnoire la fise si bujii. 1) Fisele cred ca le-am schimbat degeaba -> am cerut originale si mi s-au dat unele "Made in Korea" cu 65lei. Pe cele vechi am gasit valorile astea: Ce rezistente ar trebui sa aiba fisele noi? pe toate cele noi am gasit 12-13k ohmi, mai putin pe asta .. n-oi fi masurat eu bine: Din ce am citit, e bine ca rezistenta sa fie cat mai mica, deci daca nu erau intrerupte (si s-au reparat cat timp le-am invartit eu dandu-le jos) le-am schimbat degeaba, nu? Ironia e ca masina nu mai dadea in nas asa rau (poate din cauza ca fusese pornita de 1min pana sa ma plimb eu sa testez). 2) Am descoperit un furtun TOPIT (nr 2) pe care nu stiu sa-l localizez in cataloagele cu piese, ma poate ajuta cineva? cred ca prin el circula ulei. Face contact cu un furtun de la instalatia de GPL (nr 3) prin care nu stiu ce circula de se infierbanta asa urat. La nr. 1 s-a topit foarte putin izolatia. Link to comment
Mircea Posted September 8, 2014 Share Posted September 8, 2014 Prin furtunul de la GPL circula apa fierbinte. Furtunul pe care l-ai gasit topic am impresia ca este de la epuratorul de gaze, dar nu-mi dau seama exact, pleaca din capacul de culbutori? Link to comment
lowlife Posted September 8, 2014 Share Posted September 8, 2014 Mersi, Mircea, cred ca de el e vorba. Link to comment
tester5 Posted September 8, 2014 Share Posted September 8, 2014 (edited) Salut lowlife, daca nu gasesti furtunul respectiv la magazin cauta furtun pentru radiator de tico (ca solutie provizorie).Se taie pe din doua si rezulta doua bucati de schimb ambele cu cot la aproape 90 de grade.Se vand la 10/14 ron Varianta originala ar fi ( http://www.pieseautoradacini.ro/motor/24150-furtun-ventilatie-carter-lacetti-kalos.html ) Edited September 8, 2014 by tester5 Link to comment
lowlife Posted September 11, 2014 Share Posted September 11, 2014 Multumesc, tester5! am intrebat pe la mai multe magazine si nimeni nu mai aduce piese originale Daewoo Nubira initial avusesem impresia ca furtunul merge pana jos, nu mi-am dat seama ca e afectat doar cotul. Am facut rost de un cot aftermarket. Link to comment
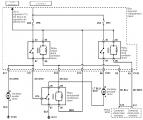
Rafi Posted September 29, 2014 Share Posted September 29, 2014 Va salut, vin si eu cu o problema tare ciudata, mai exact totul a inceput cand ventilatorul auxiliar sa ars, cei drept intr-un mod tare crunt adica s-au deslipit magnetii si s-au frecat de rotor pana a luat foc. ok cumparat ventilator montat la loc PAUZA, bun poate s-a ars vreo siguranta...verific nimic...ceva relee nimic, am schimbat mufele intre ele porneste am schimbat relee am schimbat sigurante nimic nu vrea, am verificat poate este un fir intrerup nimic le-am "sunat" zic eu ca pe toate in toate combinatiile posibile nimic, numai am ideei !!! am atasat schema poate mai aveti vreo idee ceva Link to comment
Geo_ZGA Posted September 29, 2014 Share Posted September 29, 2014 Releu, siguranta sau cablaj... zic si eu, altceva nu are ce sa fie. Ai verificat firele pt continuitate? Link to comment
cris06 Posted September 29, 2014 Share Posted September 29, 2014 (edited) Schema e putin ciudata, dar are un spil: in mod normal, ventilatorul auxiliar este alimentat (in serie) cu cel principal. Daca acesta din urma este defect, ventilatorul aux. nu functioneaza doar daca cupleaza releul viteza mare.Verifica ventilatoarele alimentate direct la baterie si releele prin alimentarea bobinelor tot la baterie. Apoi, verifica cu un ohmetru starea contactelor. Atentie la releul serie-paralel care are 5 pini! Edited September 29, 2014 by cris06 Link to comment
Rafi Posted September 30, 2014 Share Posted September 30, 2014 sa rezolvat multumesc de ajutor ...ce pot sa spun decat ca noaptea nu este ca ziua daca vedeam de aseara ca firul de - sta si face atingere doar cand vrea el pana acum era gata dar asa este cand lucrezi noaptea(si nervos), se pare ca siguranta nu a cedat dar probabil din cauza sertizari proaste a firului de masa acesta a cedat atunci cand ventilatorul a luat-o razna asa ca a cedat fix in carcasa de plastic care protejaza papucii de - si +. bine ca nu a fost mai rau Link to comment
lospaa Posted October 19, 2014 Share Posted October 19, 2014 Pentru problemele care m-am confruntat de vina era vasul de la antigel fisurat! Link to comment
Marian_MYT Posted October 23, 2014 Share Posted October 23, 2014 Salut, Revin si eu cu o problema care ma sacaie de cand a venit frigul (evident la instalatia gpl) si anume : la prima trecere de pe benzina pe gpl cu motorul rece se ingatuie cam 2 secunde ca si cum nu s-ar alimenta, asta in cazul in care e in turatie, daca e la relanti deja se opreste. Injectorul de gpl nr 4 l-am schimbat deoarece pierdea gaz, dar s-a dovedit ca nu e de acolo. Daca motorul este cald sau afara sunt temperaturi peste 15 grade trece pe gaz fara nicio prbolema, doar cand motorul este rece se manifesta problema asta. Tipul de la service mi-a spus ca e posibil ca celelalte injectoare de gpl sa fie infundate de la parafina bagata in gpl (eu alimentand gpl de la Rompetrol) si mi-a recomandat sa alimentez din alta parte, dar momentan nu am vazut nicio diferenta. Daca aveti idei despre cum as putea sa remediez aceasta problema le astept cu mare interes. Multumesc de ajutor ! Link to comment
cicisxn Posted November 17, 2014 Share Posted November 17, 2014 (edited) Salutare! Va deranjez cu o problema aparuta cu ceva timp in urma,dar "agravata" azi. De ceva timp ,circa cateva luni,aleator,dimineata,cu motor rece,masina are fluctuatii de ralanti. E vorba de o Nubira 2 din 2007,cu instalatie de gaz BRC. Azi insa parca a luat-o razna masina,in sensul ca ori de cate ori aveam ambreiaj+frana apasate si luam de volan,mai mai ca se oprea motorul si evident,se aprind si martorii in bord. Problema e prezenta si pe benzina,dar se manifesta ceva mai slab. Am zis ca e vreun furtun de vacuum iesit,vreun furtun fisurat si trage aer fals,dar...nu. Azi a fost o zi ploioasa si cu cati mai multi consumatori aveam porniti,cu atat se agrava situatia si apareau fluctuatii mai mari. Am ajuns acasa si am facut un test: pe faza scurta,ambreiaj + frana apasate, instalatia de climatizare pe treapta 2 si miscat de volan...in momentul in care am actionat si incalzirea oglinzilor,parca au luat-o dracii. Se ducea pana in 200 de ture,cateodata se opreste chiar. Aveti idee de la ce ar putea fi problema? Mentionez ca am curatat acum ceva timp corpul clapetei de acceleratie si nu vreau sa dau crezare mecanicului meu care zice ca problema ar putea fi din motorasul pas cu pas . Asta nu mai e Dacie sa imi permit sa le iau prin eliminare. Si m-ar interesa,daca stie cineva,ce protocol de comunicare OBD2 este prezent in modelul meu de masina (de exemplu KWP FAST,CAN 11bit 500kb,ISO 9141 ) Edited November 17, 2014 by cicisxn Link to comment
smv Posted November 18, 2014 Share Posted November 18, 2014 Verifica daca IAC-ul functioneaza (il scoti de pe corp si urmaresti daca cuiul se misca la punerea contactului cu cheie). Apoi incearca un reset urmat de idle-learn (functionare pe benzina, bineinteles). Daca sustii ca nu sunt probleme de curatenie la corpul clapetei si prizele de vacuum sunt etanse, s-ar putea ca mecanicul sa aiba dreptate. KWP2000; ISO 9141. Link to comment
mr_alexandru Posted November 18, 2014 Share Posted November 18, 2014 Nubira 2 euro 3 nu are IAC, are MTIA. Ceea ce poti incerca este o initializare a relantiului: Idle Learn Procedure (Nubira2)-Turn the ignition ON for 5 seconds. -Turn the ignition OFF for 5 seconds. -Turn the ignition ON for 5 seconds. -Start the engine in park/neutral. -Allow the engine to run until the engine coolant is above 185° F (85°C ). -Turn the A/C ON for 10 seconds, if equipped. -Turn the A/C OFF for 10 seconds, if equipped. -If the vehicle is equipped with an automatic transaxle, apply the parking brake. While pressing the brake pedal, place the transaxle in D (drive). -Turn the A/C ON for 10 seconds, if equipped. -Turn the A/C OFF for 10 seconds, if equipped. -Turn the ignition OFF. The idle learn procedure is complete. Link to comment
smv Posted November 18, 2014 Share Posted November 18, 2014 (edited) Scuze pt. confuzie. Asa este, seamana mai mult ca si solutie tehnica cu Dacia "injectata". Procedura idle learn este in schimb aceeasi cu Cielo Euro3. Edited November 18, 2014 by smv Link to comment
cicisxn Posted November 18, 2014 Share Posted November 18, 2014 La cielo din '96 care e procedura de invatare ralanti? Am si un dintr-asta si cam face figuri cand si cand Link to comment
mirceabalan Posted November 24, 2014 Share Posted November 24, 2014 Buna ziua, De cateva zile am o problema la nubira 2/2003. Pun contactul, se aprind toate becurile dar cand invart cheia sa porneasca motorul liniste totala. Nu se aude nimic. Scot cheile din contact, repet operatiunea si motorul porneste. Nu se opreste in trafic, nu am alte probleme si bateria este de 2 ani, Multumesc anticipat pentru orice parere. Mircea Balan Link to comment
smv Posted November 24, 2014 Share Posted November 24, 2014 Cred ca sunt probleme la contactul cu cheie sau imobilizatorul nu se acordeaza stabil cu transponderul (daca masina are asemenea dotare - atentie la sursele perturbatoare, ex. alimentatoare in comutatie aflate in functiune). Daca nu se aude nici un zgomot de aclansare de la solenoidul electromotorului, contactorul acestuia iese (in aceasta situatie) din sfera suspiciunilor. Link to comment
mirceabalan Posted November 25, 2014 Share Posted November 25, 2014 Cred ca sunt probleme la contactul cu cheie sau imobilizatorul nu se acordeaza stabil cu transponderul (daca masina are asemenea dotare - atentie la sursele perturbatoare, ex. alimentatoare in comutatie aflate in functiune). Daca nu se aude nici un zgomot de aclansare de la solenoidul electromotorului, contactorul acestuia iese (in aceasta situatie) din sfera suspiciunilor. Multumesc pentru parere. Mircea Balan Link to comment
Recommended Posts
Create an account or sign in to comment
You need to be a member in order to leave a comment
Create an account
Sign up for a new account in our community. It's easy!
Register a new accountSign in
Already have an account? Sign in here.
Sign In Now