odobacu Posted October 14, 2013 Share Posted October 14, 2013 Pentru alimentarea unui consumator cu tensiune mai mica de 12v,puteti folosi acest adaptor,care afost in comert si este ffbun fiind si protejat la scurtcircuit fara a depasi 300mA. Link to comment
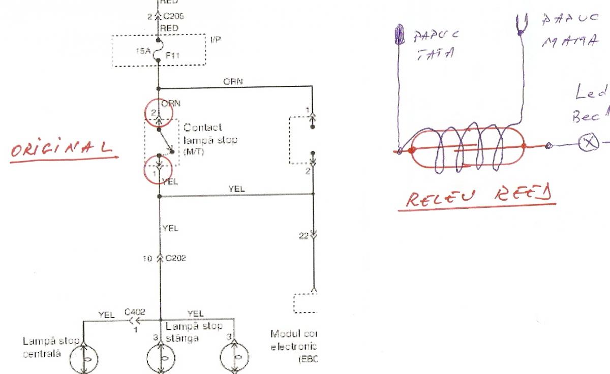
odobacu Posted October 15, 2013 Share Posted October 15, 2013 Avertizor bec frana ars .Se scoate un papuc (mama) de la contactul de frana (1) sau(2) si se leaga la montaj (papuc TATA) iar celalalt papuc (MAMA) in locul celui scos.Becul de control sau led se manteaza la loc vizibil Du contactul pus la apasarea franei becul se aprinde.Daca searde un bec de frana becul de control clipeste si se stinge.BOBINA se face experimental in functie de releu si de becrile de frana.Pe releu se bobineaza mai multe spire cu sarma de cupru cca 1mm Se face un montaj ca cel de pe masina.Se alimenteaza cu 12v becul de control se aprinde.Se scoate un bec apoi se scot din spire pana se stinge becul de control.Se pune iar becul scos si trbuie sa se aprinda.Repetati operatiunea pana se gaseste foma cea mai buna.SUCCES! Link to comment
cris06 Posted October 15, 2013 Share Posted October 15, 2013 Trebuia sa postezi la sectiuinea "Electronica si software auto". De ce ai atasat de 6 ori aceeasi imagine? 1 Link to comment
odobacu Posted October 20, 2013 Share Posted October 20, 2013 Din gresala se invata.Sa ma scuze cei mai versati.Am sa fiu mai atent cu alta ocazie. Link to comment
cosminescu01 Posted October 20, 2013 Share Posted October 20, 2013 Salutare... as avea si eu o rugaminte.In urma cu cateva zile s-a asr becul din stopul de la luneta de la al meu Matiz.Am incercat sa-l schimb desuruband cele doua suruburi dar n-am reusit sa-l desfac .Are ceva sistem sau ceva cleme acel stop?? Multumesc pentru eventualul ajutor.. 1 Link to comment
odobacu Posted October 24, 2013 Share Posted October 24, 2013 Referitor la stopul de pe luneta la Matiz trebuie fortat putin cu o surubelnita lata si iese.Becul are soclu normal (21W). Link to comment
cosminescu01 Posted October 24, 2013 Share Posted October 24, 2013 Odobacu merci de sfat.Am sa incerc sa vad ce fac...poate reusesc si il mai si rup Link to comment
vonLeeb Posted December 22, 2013 Share Posted December 22, 2013 Salut! Am o problema de natura electrica la masina, mai exact, atat stand pe loc, la relanti, cat si in timpul mersului, se intampla sa creasca intensitatea luminilor din bord cat si a luminilor de drum. Cand variaza la relanti, frecventa variatiilor de intensitate este mare... la mai putin de o secunda scade si creste. In mers, poate sa creasca intensitatea chiar si pentru 10-20 de secunde. Fenomenul nu se petrece mereu, si nu la fiecare drum pe care il fac. De asemenea nu am remarcat nicio legatura cu temperatura motorului. De regula, in mers, se intampla cand merg cu viteza constanta, si foarte rar cand accelerez. In 4 din 5 cazuri daca iau piciorul de pe acceleratie, intra in frana de motor si intensitatea luminoasa revine la normal. Simultan cu cresterea intensitatii luminoase, se observa o semnificativa pierdere de putere a motorului, accelerareaza mult mai greu masina. E ca si cum s-ar lua din curentul de la aprinderea motorului si s-ar transfera la faruri. Fenomenul dureaza de prin luna august, dupa ce a stat masina cateva zile in service pentru o reconditionare a motorului. A mai patit cineva asa ceva? Ce solutie s-a gasit? Daca ar fi releul alternatorului, care da prea multa tensiune, n-ar trebui sa se leneveasca motorul. Link to comment
tomis Posted December 23, 2013 Share Posted December 23, 2013 Generarea de "prea multa" energie electrica (din motive cunoscute sau necunoscute) se face, bineinteles, cu consum suplimentar de putere (de la motor). La un sistem care functioneaza perfect, la relanti (si motor cald) se cam simte la ureche cand cuplezi farurile. Probabil face figuri stabilizatorul electronic de tensiune din alternator (piesa de schimb). Ar fi bine sa ai un volt-metru (de bricheta, de exemplu) sa vezi ce arata cand "cresc luminile" (desi e cam clara treaba)... Link to comment
raven84 Posted December 29, 2013 Share Posted December 29, 2013 Salut @tomis, aș vrea să știu dacă se poate: stabilizatorul ăsta de tensiune se găsește pe electromotor sau e altundeva în compartimentul motor? Link to comment
adrian_r5 Posted December 29, 2013 Share Posted December 29, 2013 Desi nu-mi este adresata mie intrebarea ... sper sa nu se supere nimeni pentru faptu' ca "m-am bagat in seama" matiz - sistemul de incarcare.pdf Link to comment
tomis Posted December 29, 2013 Share Posted December 29, 2013 Deci, modulul stabilizator de tensiune se gaseste in carcasa alternatorului. E de munca pentru schimbarea lui... Link to comment
fafunu Posted December 29, 2013 Share Posted December 29, 2013 Buna.Imi poate spune cineva care este diferenta intre un far electric si un far cu reglare electrica?Sau electrice cu motoras sau electrice fara motoras?Am vazut preturi de la 100 lei pana la 350.Multumesc anticipat. Link to comment
Tonyus Posted December 29, 2013 Share Posted December 29, 2013 Pretul. Far cu reglare electrica (cu motoras) e acelasi ca si cel fara. Am schimbat un far (simplu) cu cel spart al meu (reglaj electric) si doar a trebuit sa montez motorasul. Link to comment
fafunu Posted December 30, 2013 Share Posted December 30, 2013 (edited) Salutare.Legat tot de faruri...daca asi pune niste faruri fara motoras ar avea ceva?Si cam cat ar costa motorasele?(ale mele ori s-au dus ori nu sunt fixate bine) Edited December 30, 2013 by fafunu Link to comment
pernaku Posted December 31, 2013 Share Posted December 31, 2013 @fafunu Trebuie să reglezi farurile fără motoraș la poziția „mașină încărcată” pentru a nu orbi colegii de trafic, reglaj fix și permanent. Nu este mai simplu să apelezi la un meseriaș, care poate fixa motorașele ( în cazul în care le mai ai bune )? Operațiunea este relativ simplă, și rezolvă problema ! Succes ! Link to comment
DeYu28 Posted January 8, 2014 Share Posted January 8, 2014 Salut baietii , mi-am cumparat acum 2 zile un Matiz din 2006 , si astazi mi s-a intamplat o belea , mergeam cu masina la un moment dat , am dat semnal si mi s-a stins tot bordul (ceasuri si toata consola ) , am luat semnalul si-a revenit bordul , am tras pe dreapta , am oprit motorul sa ma uit la sigurante , nimic in neregula , am vrut sa plec de pe loc am pornit motorul , am aprins luminile nu a mai pornit bordul deloc si ca bonus pozitile spate numai merg , am pus avarile am mers pana acasa cu ea cand parchez si ma uit in bord numai indica benzina . Aveti idee ce sa verific ? Ce sigurante ? Mai are si alte panouri de siguranta decat cel din habitat (stanga jos si cel de sub capota ) ? Link to comment
AmunDei Posted January 16, 2014 Share Posted January 16, 2014 Are cineva schema electrica de montaj pt ECU de euro 4? Link to comment
augustinionut Posted January 16, 2014 Share Posted January 16, 2014 E la fel cu ala de euro 3? Ce schema, electronica ? Link to comment
AmunDei Posted January 17, 2014 Share Posted January 17, 2014 s-a gasit pana la urma. era vorba de cabluri, care duce unde Link to comment
sebi_angel_91 Posted February 3, 2014 Share Posted February 3, 2014 Salutare! Am un matiz 2007 si cu ocazia acestui minunat viscol mi-a ramas lampa de marsarier aprinsa. Are cineva idee cum se scoate sonda de pe cutia de viteze? Am incercat sa trag usor , sa desfiletez insa fara succes...nu am insistat deoarece nu am vrut sa rup ceva pe acolo. Link to comment
bebe2000 Posted February 3, 2014 Share Posted February 3, 2014 Din imagine se pare că are filet Link to comment
attaxsk Posted February 19, 2014 Share Posted February 19, 2014 (edited) Va salut ! Am si eu o problema , si cum nu am gasit un raspuns , m-am gandit sa apelez la voi.Am un matiz an 2007 , ce are o problema care persista chiar si dupa ce pompa de benzina a fost schimbata cu una noua/sigilata.Problema este urmatoarea : De cand mi-am luat masina , indicatorul de benzina nu a aratat niciodata corect, crezand ca este de la pompa , am schimbat-o cu una noua nouta . Dupa ce am schimbat pompa , am alimentat cu 8 litri de benzina , insa chiar si acum , indicatorul sta tot aproape de zona rosie. Nu stiu de la ce poate fi , insa am observat ceva . Cat timp masina sta urcata cu partea dreapta pe bordura,indicatorul functioneaza corect ,iar dupa ce masina revine in pozitie dreapta, acesta scade iar pe rosu. De la ce poate fi ? De la pompa de benzina nu poate fi , fiind noua/ sigilata. mentionez ca inainte martorul de "rezerva benzina" nu functiona , iar acum merge. Daca cineva a mai intampinat aceasta problema, il rog sa imi spuna si mie care este rezolvarea , m-a disperat problema asta legata de matizuri. Edited February 19, 2014 by attaxsk Link to comment
Tonyus Posted February 19, 2014 Share Posted February 19, 2014 (edited) 8 litri nu pare sa fie mult. Daca doar atat este in rezervor nu e de mirare ca arata putin. Scoate pompa afara si misca de plutitor in sus (avand contactul pus) si vezi daca urca acul. Ca fapt divers: nici la mine nu e mai breaz indicatorul. Daca se intampla sa raman pe rezerva si alimentez putin (5 litri) acul urca putin. Daca alimentez 15, acul trece de jumate. Ce am mai observat e ca nivelul "creste si coboara" in mers in functie de curba, daca e la dreapta, urca, daca e la stanga, coboara. Edited February 19, 2014 by Tonyus Link to comment
attaxsk Posted February 19, 2014 Share Posted February 19, 2014 (edited) 8 litri nu pare sa fie mult. Daca doar atat este in rezervor nu e de mirare ca arata putin. Scoate pompa afara si misca de plutitor in sus (avand contactul pus) si vezi daca urca acul. Ca fapt divers: nici la mine nu e mai breaz indicatorul. Daca se intampla sa raman pe rezerva si alimentez putin (5 litri) acul urca putin. Daca alimentez 15, acul trece de jumate. Ce am mai observat e ca nivelul "creste si coboara" in mers in functie de curba, daca e la dreapta, urca, daca e la stanga, coboara. Am desfacut pompa, am probat plutitorul . La jumatate din cursa , arata aproape de jumatate pe bord , de aici denota ca indicatorul este decalibrat, insa ceva nu pot intelege . am setat plutitorul la jumatate , iar indicatorul arata aproape bine , cand am bagat pompa la loc , am alimentat cu 5 litri+3 care mai erau in rezervor , ar fi trebuit sa creasca putin sub prima linie alba 1/4 , ceea ce nu s-a intamplat. Deci ,ce intelegeti din asta ? Se poate sa fie indicatorul decalibrat ( pe minus ? ) ? . Asta vara cu pompa veche , am alimentat full , si a mers perfect indicatorul , pana cand a ajuns la jumatate ( si rezervorul si indicatorul ) si a scazut de la jumatate sub prima liniuta ,aproape de rosu in maxim 10 km.. Edited February 19, 2014 by attaxsk Link to comment
Recommended Posts
Create an account or sign in to comment
You need to be a member in order to leave a comment
Create an account
Sign up for a new account in our community. It's easy!
Register a new accountSign in
Already have an account? Sign in here.
Sign In Now