tolin Posted December 25, 2010 Share Posted December 25, 2010 Sonda #2 este un feedback ca functioneaza catalizatorul si ca dupa el nu ies noxe. Cu sistemul neincalzit si la ralanti, nu cred ca intereseaza pe cineva. Oricum, cantitatea de oxigen singur la nivelul acela este mica, pana acolo se combina el, cumva. Fuel Trim este un indicator ce poate avea valori pozitive si negative, zero sau (128 in hex) este valoarea mediana, el indicand abaterea fata de cazul ideal, el reprezinta o corectie a raportului determinat prin calcul, 100% reprezentant cam 10% fata de valoarea stoichiometrica. Oricum, am indoieli ca scanerul tau citeste/interpreteaza corect valorile receptionate (vezi valiabila de Long Term). Chipul folosit ca interpretor de EOBD stie sa decodeze corect doar 11 parametri generici pe care ii gasesti intr-un tabel aici: http://translate.google.com/translate?sourceid=navclient&hl=en&u=http%3a%2f%2fwww%2eblafusel%2ede%2fmisc%2fobd2elm%2ehtml Pe ceilalti sa nu te bazezi. Eu nu mai dau sfaturi de la distanta, de prea multe ori s-au rezolvat problemele indesand un conector sau o fisa de la bujii mai bine. Sau utilizatorii au uitat ce lucru (important pentru motor, nu pentru ei) au facut intre timp. Link to comment
adytzzz Posted December 25, 2010 Share Posted December 25, 2010 Salut! Am si eu o problema la motor.Masina consuma ulei,dar nu am vazut sa dea cu fum albastru,raspunde bine la acceleratie si porneste la sfert.A mai avut cineva problema asta?Eu banuiesc ca sunt semeringurile de la supape pentru ca daca segmentii erau dusi,dabia pornea si mergea cu fumu taras. Link to comment
sorinm Posted December 25, 2010 Share Posted December 25, 2010 Tot ce se poate, oricum va trebui sa ii faci un test de compresie. Nu vrei sa desfaci chiulasa sa schimbi simeringurile la supape si dupa aia sa te trezesti ca mai are si alte defecte mai jos. Daca s-a ajuns la terminarea simeringurilor trebuie sa te gandesti sa cureti putin motorul ala, o verificare amanuntita nu strica. Link to comment
closchkutza Posted December 25, 2010 Share Posted December 25, 2010 (edited) Tolin, nu am facut nimic special masinii inainte sa inceapa "distractia". Am scris intr-un post anterior, in ziua respectiva, joi adica, cand au inceput problemele, am curatat IAC-ul, fara sa scot siguranta de la ECM, am verificat filtrul de aer si atat. Problemele au aparut seara, iar operatiile de mai sus le-am facut la pranz. Joi dimineata, in drum spre servici masina a mers ok, seara a inceput sa se comporte un pic ciudat iar vineri dimineata s-a aprins la pornire Check-ul cu P0300. O sa incerc sa controlez maine mufele de la motor si IAC-ul, nu cumva sa nu stea bine o-ring-ul si sa traga aer fals. De asemenea, o sa verific si bujiile, cilindrul cu probleme ar trebui sa aiba bujia mai nasoala. Astept, daca se poate, si alte sugestii. Chestia este ca daca ma duc in service precis o sa ma enervez si n-o sa se gaseasca defectul decat din greseala, dupa ce schimba jumate de masina pe banii mei, degeaba. Edited December 25, 2010 by closchkutza Link to comment
adytzzz Posted December 25, 2010 Share Posted December 25, 2010 Tot ce se poate, oricum va trebui sa ii faci un test de compresie. Nu vrei sa desfaci chiulasa sa schimbi simeringurile la supape si dupa aia sa te trezesti ca mai are si alte defecte mai jos. Daca s-a ajuns la terminarea simeringurilor trebuie sa te gandesti sa cureti putin motorul ala, o verificare amanuntita nu strica. Si cat trebuie sa aibe compresie pe fiecare cilindru? 12-13? Link to comment
sorinm Posted December 25, 2010 Share Posted December 25, 2010 Si cat trebuie sa aibe compresie pe fiecare cilindru? 12-13? Ei, cum naiba, il crezi motoreta ? In manual zice 9,3:1 Limitele si procedura verificarii le gasesti la capitolul 1B-15. Link to comment
tolin Posted December 25, 2010 Share Posted December 25, 2010 (edited) Update: astazi, la pornire la rece s-a aprins si check engine cu codul P0300 Multiple Cylinder Mysfire si masina mergea intrerupt. Am ajuns la servici cu ea si primul lucru am purces la masurat fisele: - fisa 1: 3 kohm; - fisa 2: 0kohm(pe mohm imi arata 1.2) - asta banuiesc ca este terminata; - fisa 3: cand am dat s-o scot mi-a ramas contactorul ce vine pe bujie agatat de bujie. L-am bagat la loc cat de bine am putut si apoi am masurat: 5.7kohm... Ok, am pus fisele noi si am dat o tura cu masina. Partea buna este ca nu s-a mai aprins check-ul. Partea proasta este ca masina tot nasol merge in sensul ca la rece "duduie" sa zic asa, nu merge rotund deloc iar la cald "pufniturile" (care pe mine ma duc cu gandul la detonatii insa nu in evacuare, avand in vedere ca nu sunt puternice) tot se aud. Mi-am adus aminte de un amanunt pe care de dimineata nu l-am mentionat, din greseala: in freeze frame am vazut de dimineata codul P0003 - Fuel Pressure Regulator Low Voltage, aparut imediat dupa pornirea masinii(probabil asta a dus si la aparitia P0300 - Random/Multiple Cylinder Misfire). Acum, dupa ce m-am plimbat cu ea, nu a mai aparut nimic in freeze frame(nu s-a mai aprins check) insa in Pending DTC era stocat din nou P0300-Random/Multiple Cylinder Misfire, desi, cand am pornit motorul nu era nimic acolo. Alta chestie dubioasa: la mers normal, lejer, desi am mers vreo 30 de minute cu masina temperatura motorului in mers nu a sarit de 80 grade. Abia in parcare, dupa cateva accelerari la 3000rpm, si 2 minute de ralanti, a ajuns la 82 grade. In mers oscila intre 78 si 80 grade ... De la un simplu schimb de fise trebuia sa se remedieze problema. Daca se incalzeste asa greu, este clar ca aprinderea nu functioneaza cum trebuie, dovada si acel nou misfire. Daca bujanele sunt ok, mergi mai departe pe fir, bobinele. In pricipiu, au niste diode inauntru si daca sunt lasate in gol, adica fisa scoasa sau intrerupta, tensiunea pe secundar creste mult si poate ceda o componenta interna, la supratensiune.Nu cedeaza complet, sa nu mai mearga deloc, cedeaza partial, cat sa deruteze. Edited December 25, 2010 by tolin Link to comment
closchkutza Posted December 25, 2010 Share Posted December 25, 2010 Ok, inteles. Cum sa le verific pe astea, bobinele adica? De cautat pe cineva cu care sa fac schimb e mai complicat. Alta chestie de care mi-am adus aminte: - Cand am mers cu testerul conectat la masina am observat o chestie ciudata: engine-load-ul, la acelasi stil de mers ca si inainte cand mai mersesem cum scanerul conectat, era mai mare atat la ralanti(~20-21-22, fara consumatori porniti) cat si in sarcina(la apasare mica a acceleratie, sarea in 70%) desi, pana acum, cu acelasi stil de mers, nu sarea de 45% in mers. Nu mai stiu exact ce valori indica MAP-ul insa stiu ca si astea difereau fata de ce stiam eu. Este posbil ca aceasta chestie sa fie datorata faptului ca motorul ar trage aer fals pe undeva? Link to comment
cristics Posted December 26, 2010 Share Posted December 26, 2010 Chestia este ca daca ma duc in service precis o sa ma enervez si n-o sa se gaseasca defectul decat din greseala, dupa ce schimba jumate de masina pe banii mei, degeaba. Aici iti dau dreptate, dar ar trebui sa mergi sa vezi codul de eroare real (am dubii ca testerul pe care-l folosesti iti arata eroarea care trebuie si te baga mai rau in ceata). PS: Ma ocup cu automate programabile si am cunostinte in domeniu, dar daca exista un singur tester pe piata compatibil 100%, mi-l cumparam demult. Nu am incredere decat in cel original, care-l au prin service-urile Daewoo. Interfetele gen ELM m-ar fi interesat, dar e periculos sa te joci cu softurile piratate (iti poti pune masina pe butuci foarte usor) si nu merita costurile ulterioare. Link to comment
argon Posted December 26, 2010 Share Posted December 26, 2010 (edited) Si cat trebuie sa aibe compresie pe fiecare cilindru? 12-13? Ei, cum naiba, il crezi motoreta ? In manual zice 9,3:1 Confuzi, sunt doua lucruri diferite, ala e raportul, el intreaba de presiune. Edited December 26, 2010 by argon Link to comment
closchkutza Posted December 26, 2010 Share Posted December 26, 2010 Aici iti dau dreptate, dar ar trebui sa mergi sa vezi codul de eroare real (am dubii ca testerul pe care-l folosesti iti arata eroarea care trebuie si te baga mai rau in ceata). PS: Ma ocup cu automate programabile si am cunostinte in domeniu, dar daca exista un singur tester pe piata compatibil 100%, mi-l cumparam demult. Nu am incredere decat in cel original, care-l au prin service-urile Daewoo. Interfetele gen ELM m-ar fi interesat, dar e periculos sa te joci cu softurile piratate (iti poti pune masina pe butuci foarte usor) si nu merita costurile ulterioare. Codul P0300 este real. Cu celalalt, P0003 nu stiu care este faza si nici nu pun baza in el. Toate testerele arata macar codul de eroare activ bine. Link to comment
tolin Posted December 26, 2010 Share Posted December 26, 2010 ... Este posbil ca aceasta chestie sa fie datorata faptului ca motorul ar trage aer fals pe undeva? Da. 1 Link to comment
closchkutza Posted December 26, 2010 Share Posted December 26, 2010 (edited) De dimineata a trebuit sa mut masina de pe un loc de parcare pe altul. A pornit usor, repede insa mergea vizibil rau(tremurat, sunet aiurea, un fel de duduit, etc). La vreo 20 de secunde dupa ce a pornit check engine, care era aprins, a inceput sa clipeasca. A clipit de multe ori si apoi a ramas aprins. Mai devreme am fost si am verificat chestii pe la ea, astfel: - am verificat IAC-ul ca avea o-ring-ul bine pus si l-am montat la loc; - am masurat din nou fisele de la bujii: toate au intre 2.7 si 2.9. - am demontat bujiile. Bujiile 1 si 3 aratau ok. Bujia 2 era plina de benzina insa nu foarte murdara. De asemenea, era benzina si pe bucata din chiulasa unde vine garnitura bujie, chestie pe care n-o inteleg. Bujia 2 s-a scos cel mai greu, aproape ca era intepenita. - am sters bujia si am schimbat-o cu 3. - am scos si pus la loc mufa de comanda a blocului de bobine. - montat fisele bijiilor la loc. Apoi am sters codul de eroare si am pornit motorul. A pornit repede insa vreo 10-15 secunde a mers aiurea, ca de dimineata. Apoi si-a mai revenit. Intreruperile ce se aud la gura tevii de esapament tot se auzeau. Cu ocazia asta am constatat ca si esapamentul este perforat, la intrarea in toba principala(cea din spate), arunca apa pe acolo si bolborosea. Dupa vreo 5 minute, timp in care ajunsese apa la 50 grade, l-am oprit. Cat functionase nu s-a aprins check-ul. Am scos bujiile 2 si 3. Stupoare, erau curate. Nici urma de benzina nearsa sau macar miros de benzina. Am dat o tura de oras cu ea, vreo 15-20km. Nu s-a mai aprins check-ul insa uneori se simteau mici intreruperi, in accelerare sau la mers constant. Motorul s-a incalzit mai bine, ajungand pe la 84 grade. Intreruperile pe esapament tot se simteau, si la cald. Engine Load-ul era cand normal, cum il stiam eu, cand crestea, fara sa modific apasarea pedalei(la 60km/h in treapta 4 am vazut si 33% si 42%, in accelerare pe treapta 2 de la ~20 la 40 uneori sarea de 55% alterori nu urca mai sus de 48%). Ideea este ca deja nu mai inteleg ce are. Singura chestie care sta in picioare este ce a zis Tolin de blocul de bobine, ceva din el sa fi cedat partial si sa faca figuri. Cum il pot verifica? Tolin, mai ai vreo idee sau esti de acord si tu cu presupunea mea de mai sus? Merci. Edited December 26, 2010 by closchkutza Link to comment
tolin Posted December 26, 2010 Share Posted December 26, 2010 (edited) Cu misfire te-ai lamurit, aveai bujia #2 prost stransa, desi s-a demontat mai greu. Lipsa de compresie, benzina aruncata afara. Cu esapamentul te-ai lamurit. In privinta blocului de bobine ai de facut 3x6=18 masuratori cu ohmetrul: plus fata de primar si invers, secundar fata de primar si invers, plus fata de secundar si invers. Edited December 26, 2010 by tolin 1 Link to comment
augustinionut Posted December 26, 2010 Share Posted December 26, 2010 Da' inversul ala la ce foloseste?? Link to comment
tolin Posted December 26, 2010 Share Posted December 26, 2010 Mai inainte vorbeam de existenta unor diode pe acolo ... Link to comment
augustinionut Posted December 26, 2010 Share Posted December 26, 2010 Ok, in cazul asta eu le-as verifica fata de plus in loc de masa (minus). Link to comment
closchkutza Posted December 26, 2010 Share Posted December 26, 2010 Cu misfire te-ai lamurit, aveai bujia #2 prost stransa, desi s-a demontat mai greu. Lipsa de compresie, benzina aruncata afara. Cu esapamentul te-ai lamurit. In privinta blocului de bobine ai de facut 3x6=18 masuratori cu ohmetrul: primar fata de masa si invers, secundar fata de masa si invers, primar fata de secundar si invers. Ok, s-o luam usurel zic . 1. La bujia aia nu s-a umblat in ultimii 5500km. De fapt la nici o bujie. Trebuia sa dea misfire mai demult, nu? 2. N-am inteles partea cu esapamentul. Din cauza ca este perforat sa se auda intreruperile pe el? Eu il suspectam ca are un por de acum un an, gasisem asta iarna apa sub masina, exact in locul unde picura si acum insa mult-mult mai putina. Plus ca si la ITP au zis aceeasi chestie, ca am un por pe undeva la esapament(por care de fapt e mai mare). Totusi, pana joi seara nu s-a auzit nimic suspect. Intreruperile se simt si in fluxul de gaze de la gura tevii, cand se aude pufnetul vin mai multe gaze. 3. Cea mai importanta chestie: cum fac masuratorile alea? Am un multimetru insa..sincer nu stiu cum trebuie sa masor. Poate cineva sa-mi explice? Multumesc. Link to comment
argon Posted December 26, 2010 Share Posted December 26, 2010 (edited) Intreruperile alea in toba sunt de la o bujie ce nu functioneaza sau functioneaza aleator, asa se auzea si la mine cand aveam probleme cu o fisa. Edited December 26, 2010 by argon Link to comment
tolin Posted December 26, 2010 Share Posted December 26, 2010 (edited) Ok, in cazul asta eu le-as verifica fata de plus in loc de masa (minus). Fata de plus se masoara primarul. Scuze, daca am scris gresit, am corectat. Plusul si primarul le gasesti in conector. La se cundar se conecteaza fisa. Blocul de bobine poate fi dat jos si masurat in casa, pe vremea asta. Edited December 26, 2010 by tolin Link to comment
closchkutza Posted December 26, 2010 Share Posted December 26, 2010 Am dat blocul de bobine jos, l-am adus in casa. Firele din conector sunt: A-Rosu, B-Albastru, C-Maro, D-Portocaliu. Care dintre ele e care? Cu secundarul m-am prins, e iesirea spre bujie. Link to comment
augustinionut Posted December 26, 2010 Share Posted December 26, 2010 Teoretic, rosu= + Link to comment
closchkutza Posted December 26, 2010 Share Posted December 26, 2010 Inca o chestie: tolin a zis "plus fata de primar si invers". Eu inteleg prin asta ca pun un fir pe plus si unul pe fiecare primar. Cum fac insa "inversul"? Merci. Link to comment
augustinionut Posted December 26, 2010 Share Posted December 26, 2010 (edited) Pai, multimetrul are doua fire. Schimbi firele intre ele, pentru ca verificarea se face in curent continuu si asa inversand firele reusesti sa descoperi si daca vre-o dioda e defecta. Si totusi cred ca mai sus m-am inselat: plusul nu e rosu Edited December 26, 2010 by augustinionut Link to comment
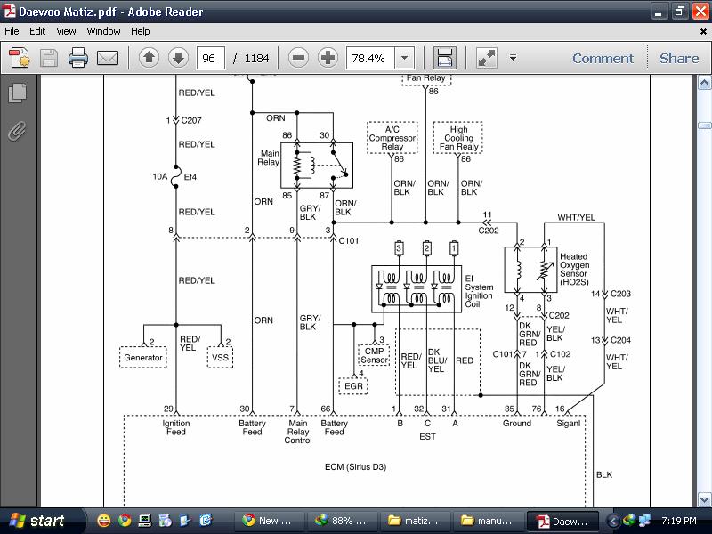
closchkutza Posted December 26, 2010 Share Posted December 26, 2010 Din cate se vede in schema, desi la mine pe mufa sunt numerotate ABCD in schema sunt ACB(D-ul fiind Battery Feed). Sunt un pic confuz. Link to comment
Recommended Posts
Create an account or sign in to comment
You need to be a member in order to leave a comment
Create an account
Sign up for a new account in our community. It's easy!
Register a new accountSign in
Already have an account? Sign in here.
Sign In Now