BLueBell Posted July 14, 2012 Share Posted July 14, 2012 Imi poate spune cineva, daca dupa ce pui contactul si nu se mai aude pompa trebuie sa se stinga ''check engine''? La mine se stinge,dar dupa ce porneste motorul.Unui prieten i se stinge inainte sa porneasca motorul. Link to comment
cristics Posted July 14, 2012 Share Posted July 14, 2012 La Matiz euro 3/4 nu se stinge, la celelalte se stinge. Link to comment
Cocolino Posted July 23, 2012 Share Posted July 23, 2012 (edited) De cateva zile ma chinui sa schimb furtunul de alimentare cu benzina al rezervorului la un Matiz si nu pot. De fapt problema nu ar fi furtunul de alimentare, ca la ala accesul este destul de usor, dar furtunul pentru vapori (cel putin asa banuiesc ca ii spune - care vine si intra aproape de busonul de umplere) nu stiu cum se poate scoate, ca intra undeva sub bancheta din spate Poate sa ma lumineze cineva? Edited July 23, 2012 by Cocolino Link to comment
szujo Posted October 6, 2012 Share Posted October 6, 2012 (edited) Si eu am problema cu bec...Puteti sa-mi spunet daca va rog frumos de unde pot sa fac comanda pentru un termistor de 1k.Sunt foarte trist pentru ca astazi am comandat un senzor intreg din dezmembrari si nici ala nu merge. "> Spuneti-imi o adresa de unde pot sa fac rost.Ajunge un termistor cu valoare de 1k pentru becul aceasta? Edited October 6, 2012 by szujo Link to comment
augustinionut Posted October 6, 2012 Share Posted October 6, 2012 Din nefericire, ajunge, dar se si arde. Trebuie ori dinala gras din fabrica (piesa dinauntru butoiasului, ma refer), sau protejat cu montajul de mai sus. Altfel, kaput. Ca si al meu de la Dioda. Link to comment
szujo Posted October 6, 2012 Share Posted October 6, 2012 Si daca punem un termistor cu valoare mai mare ex. 10 k?oricum pe saptamana viitoare vorbesc cu un prieteni care este supermeserias si atunci revin aici cu rezultatele Link to comment
augustinionut Posted October 7, 2012 Share Posted October 7, 2012 Cu valoare mai mare, nu se va aprinde becul. Nu e vorba de valoare, ci de " robustete". Link to comment
cristiangabi Posted October 7, 2012 Share Posted October 7, 2012 (edited) O metoda mai simpla sa nu ramaneti fara benzina: faceti plinul si mutati acul de la benzina astfel incat sa arate maxim la gradatie (sa nu fie peste gradatie). Astfel cand acul ajunge la 0 mai puneti benzina chiar daca mai aveti 10 litri in rezervor si rezolvati mai multe probleme: 1. Aveti o rezerva destul de mare ca sa nu ramaneti fara benzina pe drum 2. Mai aveti destula benzina in rezervor astel incat sa se asigure racirea corecta a pompei (in cazul in care sunteti nevoit sa puneti benzina de numai 30-50 lei si circulati mai mult pe rezerva, am trecut si prin asta) 3. Plinul il faceti cu numai 150 lei (ceea ce este tare!) De pierdut nu pierdeti nimic, este numai un pas psihologic. Edited October 7, 2012 by cristiangabi Link to comment
Viktor Posted October 7, 2012 Share Posted October 7, 2012 M-am "ars" o data tinind cont de ceia ce spune indicatorul, astfel m-a costat o pompa noua si asta din prostia mea, ca doar puteam sa alimentez dar zic las ca oricum trebue sa ies curind si o rezolv, insa am zburlit-o rau. Cum a scazut nivelul de jumatate, ii si trag un full fara discutie. Alimentatul cu tiriita nu inseamna economie, dinpotriva, e doar opinia mea. Link to comment
szujo Posted October 9, 2012 Share Posted October 9, 2012 Astazi am primit termistor de 1k.Am observat ca valoare 1k destul de mare.Dupa 2-3 minute pus la contact a inceput sa inroseasca becul dar se vede foarte slab.Parerea mea este ca ajunge si un termistor de 500 ohm.Acuma urmeaza problema de cand eu am masina nici o data nu am vazut becul aprins.Sambata am desfacut pompa si am vazut ca termistorul a fost ars.Termistorul original are un timp de raspuns asa mare ca si termistorul al meu?Am observat ca dupa incalzirea termistorulul cand becul a fost aprins a inceput sa inegreasca, deci sper ca nu tine mult si se arde, atunci daca pun un termistor cu o valoare mai mica atunci se arde mai repede.Oare ce este smecheria in originalu termistor? Link to comment
augustinionut Posted October 9, 2012 Share Posted October 9, 2012 (edited) Puterea disipata EDIT: cu ce beculet ai probat? Ala din bord pentru benzina? Edited October 9, 2012 by augustinionut Link to comment
szujo Posted October 9, 2012 Share Posted October 9, 2012 am scos mufa din pompa si am facut scurt cu termistorul /"> Alte idei? Link to comment
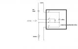
augustinionut Posted October 9, 2012 Share Posted October 9, 2012 Trebuia sa mai astepti Alta idee, pune-l pe asta dar protejat cu releu. Ca in schema de mai sus. Link to comment
szujo Posted October 9, 2012 Share Posted October 9, 2012 Dar tie asa functioneaza?nu ai gasit nici un magazin la care se poate gasi aceasta senzor?Am gandit ca si la dacie exista becul aceasta,teoretic si senzorul la dacie asa trebuie sa functioneaza sau nu? Link to comment
augustinionut Posted October 9, 2012 Share Posted October 9, 2012 La dacie e clasic, ca la dacie: contacte. Link to comment
szujo Posted October 9, 2012 Share Posted October 9, 2012 Dar la tie cu releu functioneaza?ce fel de releu trebuie? Link to comment
augustinionut Posted October 9, 2012 Share Posted October 9, 2012 Daca citeai mai sus, a meu e ars. Cand am timp de experimentat, anunt si cu ce fel de releu a mers Link to comment
IONUT 23 Posted January 28, 2013 Share Posted January 28, 2013 Imi poate spune si mie cineva unde trebuie sa fie acul cand se aprinde becul?La babalaul meu am ajuns cu acul la jumatatea gradatiei rosie si tot nu se aprinde...am alimentat ca imi era frica sa nu fac vreo maimuta. Link to comment
augustinionut Posted February 28, 2013 Share Posted February 28, 2013 (edited) Am probat azi schema de mai sus : functioneaza. Am modificat si schema pentru a fi mai usor de realizat montajul. Cand ajung pe rosu ma apuc de el. Edit: releul e unul miniatura, 12 Vdc Edited February 28, 2013 by augustinionut Link to comment
augustinionut Posted March 1, 2013 Share Posted March 1, 2013 Sorry pt post consecutiv; varianta nefinisata: Link to comment
augustinionut Posted March 4, 2013 Share Posted March 4, 2013 Post consecutiv ( :wink : azi am finalizat si montat montajul. Am schimbat si termistorul ars din rezervor. Urmatoarea miscare va fi calcularea consumului de la bec la bec Link to comment
korydon Posted March 4, 2013 Share Posted March 4, 2013 Mai bine calculezi de la plin la plin, esti mai sigur. Si ca sa fii cat mai precis mergi la aceeasi pompa de fiecare data cand te hotarasti sa calculezi consumul. Link to comment
augustinionut Posted March 4, 2013 Share Posted March 4, 2013 Poate offtopic: de la plin la plin face click in functie de cata spuma e pe teava. La bec stiu CLAR ca mai am 5 litri. Link to comment
prozatos Posted July 29, 2013 Share Posted July 29, 2013 salutare am ramas si eu cu matizul fara benzina in ideea ca stiam ca se aprinde becul si nu s-a mai aprins, am ramas direct fara benzina am scos mufa de la pompa de benzina asa cum am citit pe forum am facut punte intre pinii 4-5 si nu s-a aprins becul in bord apoi am scos becul din bord si l-am pus direct pe bateria masinii si se apinde. deci unde sa mai scotocesc? eu facant punte intre pinii pompei e ca si cum am eliminat tot ce inseamna pompa, flotor etc multumesc anticipat Link to comment
Recommended Posts
Create an account or sign in to comment
You need to be a member in order to leave a comment
Create an account
Sign up for a new account in our community. It's easy!
Register a new accountSign in
Already have an account? Sign in here.
Sign In Now