tolin Posted March 29, 2005 Share Posted March 29, 2005 Pai, serie le pun, dar trebuie sa bag 20-50mA in ele. Trebuie si un rezistor de limitare. Ca volum, o matrice de 3x3 este cat zeppelinul din ala care consuma 0,5A. Link to comment
SORAN Posted March 29, 2005 Share Posted March 29, 2005 O sa va aduc la intalnire doua bucati de lede albe care lumineaza toata masina! Link to comment
Abram Burel Posted March 29, 2005 Share Posted March 29, 2005 1. Blestemul tic-tac Stau eu si ma dau de ceasul mortii vreo ora ca nu se stingea becul dracului incetisor. Dai verifica sa nu fie scurturi, verifica toata schema, tot cablajul si ce sa vezi: C2 nicaieri. Da' nicaieri. Am facut alataieri (pe hartie) cablajul. l-am revizuit azi (am mutat o dioda si a trebuit sa mai asez una, alta), dar de dat dracului ce era si ascuns bine, n-am bagat de seama ca nu e de loc. In fine, i-am facut loc si i-am tras un strap (ca tot reusisem azi sa elimin unul). Maine (azi de fapt) trebuie sa reiau cablajul. Il sparg. Deh, asta era prototipul meu, dadusem si gauri in cutiuta. 2. Blestemul ledului Poate ati vazut prin primele poze ale machetei niste crocodili. Ei bine, aia veneau de la un alimentator prapadit, singurul care mai traieste prin casa. Asta e foarte "performant": da 17V in gol si 8 la vreo 300 mA. La macheta n-aveam led, ma uitam la bec si faceam reglajele. Ba chiar eram bucuros ca mai cadea tensiunea, ca nu orbeam. Ei bine, pe prototip, dracie mare: se-aprindea ledul primul, cand se aprindea si becul (e o mica intarziere) se "prapadea ledul", cand incepea becul sa se stinga, mai palpaia putin si ledul. Mi-a luat ceva timp sa realizez faza cu caderea tensiunii de alimentare (si cand te gandesti ca mai si explicasem la un moment dat de ce nu se poate pune intreg montajul in "serie" cu becul). 3. In fine, dupa ceva lupte (mi-am cam pierdut indemanarea) si biruirea blestemurilor de mai sus, am biruit. Nu e chiar gata-gata ca m-a luat nevasta cu lopata la culcare. Sunt putin ingrijorat de randamentul asta, dar oricum, maine mai fac cel putin doua (daca n-o fi iar sedinta, ca azi am scapat iar pe la 7 jumate). Link to comment
SORAN Posted March 30, 2005 Share Posted March 30, 2005 Da am si eu o intrebare: Cam cat consuma in stand by montajul asta. Adica cand sunt inchise usile circuitul fiind deschis? Link to comment
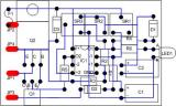
Abram Burel Posted March 30, 2005 Share Posted March 30, 2005 Da am si eu o intrebare: Cam cat consuma in stand by montajul asta. Adica cand sunt inchise usile circuitul fiind deschis? <{POST_SNAPBACK}> Corect, uitasem. Pe varianta de test am masurat 1.7mA. Pe prototip ar trebui sa fie ceva mai putin (358 in loc de 324, R2+R3 ceva mai mari). Nu cred sa fie vreo problema. Din dorinta de a avea colectorul lui Q2 la masa (aveam eu in cap o grija cu incalzirea si ma gandeam ca folosesc tablele de la masina ca radiator), incercasem la un moment dat un Q1pnp-Q2npn=>pnp (care nu mai stiu ce nume poarta) si eram foarte multumit, pana am masurat curentul consumat: 23mA!!! Era normal, de fapt tranzistorul ala compus lucra in zona activa (repetor pe emitor) si, avand amplificare mare, multiplica micul curent rezidual, care mai iesea din IC1B, nu la o valoare impresionanta, dar una suficienta ca sa-ti termine bateria in cateva saptamani. Asa ca am revenit la versiunea in "comutatie". Si ca tot veni vorba, in poza e primul tictac (da, poza e facuta pe bordul lui kalos azi cand veneam la munca). Link to comment
Wolfman Posted March 30, 2005 Share Posted March 30, 2005 Super, acum urmatorul pas ar fi adaptarea acestui montaj pentru a obtine optiunea "Follow me home", eventual printr-un releu care sa tina aprinse farurile 30 sec dupa scoaterea cheii din contact, ce zici maestre? Link to comment
claz Posted March 30, 2005 Share Posted March 30, 2005 Offtopic Exact asta doream sa-mi confectionez si eu Dar sa aibe mai multe functii: - lumina temporizata plafoniera (desigur) - chitzaitoare usi deschise - chitzaitoare lumini aprinse - follow me home Toate cu interconditionare contact/accesorii/ign/pozitii Cand e gata o sa postez schema si cablajul. Montajul e un pic mai mare, de aceasta o sa-l pun undeva sub bord, intr-o cutie. @soran> daca te manca dejtele sa postezi, nu e vorba de leji blio in montaj, asa ca abtine-te Link to comment
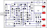
Abram Burel Posted March 30, 2005 Share Posted March 30, 2005 @Wolfman (nu stiu cine-i mesterul, dar imi dau si eu cu parerea) & claz Problema este ce inseamna "cheie scoasa din contact"? Nu stiu exact, dar mi se pare rational ca "follow me" sa fie legat de inchiderea centralizata si nu de cheie. Daca exista inchidere centralizata pe masina e o situatie simpla. Montajul se actioneaza cand e actionata inchiderea pe armare. Daca nu, depinde: - daca cheia e cu chip (or exista si masini cu chip, dar fara inchidere centralizata?), exista cu siguranta un firicel care ne spune daca e sau nu cheie; daca-l putem folosi e una, altfel e ca si cum n-ar fi - daca nu, atunci ramane sa folosim tensiunea de pe pozitia accesorii - in ambele cazuri, scoaterea cheii nu e de ajuns; ar trebui urmata de deschiderea si apoi inchiderea usii; si nici asta nu e de ajuns: mai trebuie o stare in care sa fi avut tensiune pe "accesorii" pentru a nu actiona farurile cand te intorci la masina - in concluzie, in situatiile aste trebuie sa avem un "automat" (Meally, Moore, uau!!!) care pentru a produce o actionare pe iesire trebuie sa treaca prin starile: "repaus" -> "contact on" -> "contact off" -> "usi deschise" -> "usi inchise" -> "pac, follow me: becuri aprinse" -> "becuri stinse=>reset=>repaus" Montajul se actioneaza la "pac" "Montajul", adica partea de actionare nu este altceva decat tictac comandat de inchidere sau "automat" si care comanda nu un bec si un releu capabil sa duca farurile. Concluzie: Daca exista inchidere se poate folosi direct tictac (ar mai fi o chestie legata de semnalele disponibile de la inchidere, dar cred ca dau la masa, la fel ca intrerupatoarele de la usi). Daca nu, atunci mai trebuie ceva "logica". E o tema. Cine e interesat poate deschide un topic. Poate ma bag si eu. Mai raman un pic on topic ca sa va semnalez varianta finala de finala de finala de finala (sper...) in pozele atasate (schema cu exact componentele de pe prototip, montaj - fata cu piese, montaj - fata cu trasee). fftopic: @claz Cel mai bine e sa folosesti un microcontroler. Si apoi sa te tii! @anyone with power Cred ca pentru un forum de masini, mai ales din cele care nu sunt dotate cu toate cele, o sectiune de "Electronica si automatizari auto" (sau ceva de genul asta) probabil la "Toate modelele..." ar fi interesanta. Si topicul asta, ca si unul legat de ce vrea claz sa faca (ca sa nu mai vorbim daca va vin idei de computere de bord si alte zdranganele) ar sta foarte bine acolo. Altfel o discutie ca cea de aici, ar trebui mutata la Diverse (ca nu-i nici tutorial, si nu prea cred ca e nici tip-or-trick) Link to comment
Wolfman Posted March 30, 2005 Share Posted March 30, 2005 Pe centralizata ar fi excelent, expresia cu "cheia scoasa din contact" era o gaselnita... Armezi alarma, se incuie portierele iar farurile se aprind 30 sec (bineinteles, daca switchul care va fi montat in serie cu alimentarea montajului va fi ON). Link to comment
claz Posted March 30, 2005 Share Posted March 30, 2005 [...]@clazCel mai bine e sa folosesti un microcontroler. Si apoi sa te tii! Pentru inceput o sa aleg varianta cea mai simpla, neautomatizata complet. Adica: in locul butonului fals din bord pun un buton fara mentinere, care sa dea comanda de aprindere temporizata a farurilor. Altfel, sunt prea multi factori de luat in calcul, si, intr-adevar numai cu un PIC pot sa realizez device-ul intr-o varianta rezonabila. Dar asta o sa fie v 1.2 Mentionez ca in varianta finala o sa si "vorbeasca". Am deja montat pe masina un fel de claxon, care se bazeaza pe o memorie audio de 16s (cei care au fost la Moeciu stiu despre ce este vorba ). Tot cu un astfel de montaj as vrea sa realizez avertizarile acustice, cu sunete distincte pentru fiecare functie evidentiata. Memoria audio se poate partaja pana la 16 sunete a cate 1 secunda, asa ca e loc de tot felul de avertizari [...]@anyone with powerCred ca pentru un forum de masini, mai ales din cele care nu sunt dotate cu toate cele, o sectiune de "Electronica si automatizari auto" (sau ceva de genul asta) probabil la "Toate modelele..." ar fi interesanta. Si topicul asta, ca si unul legat de ce vrea claz sa faca (ca sa nu mai vorbim daca va vin idei de computere de bord si alte zdranganele) ar sta foarte bine acolo. Altfel o discutie ca cea de aici, ar trebui mutata la Diverse (ca nu-i nici tutorial, si nu prea cred ca e nici tip-or-trick) Foarte buna ideea! "> Link to comment
Abram Burel Posted March 30, 2005 Share Posted March 30, 2005 Pe centralizata ar fi excelent, expresia cu "cheia scoasa din contact" era o gaselnita... Armezi alarma, se incuie portierele iar farurile se aprind 30 sec (bineinteles, daca switchul care va fi montat in serie cu alimentarea montajului va fi ON). <{POST_SNAPBACK}> OK, stai sa finalizam operatiunea tictac (deja se apropie ora fatala la care pe unii ii apuca dorul de sedinte, si eu ar trebui sa dau gata 4, hai, macar 2 tictaci). Dupa aia (adica saptamana viitoare) putem sa ne ocupam si ticme. (ha, nici nu se gandea Nova mea ce de zorzoane o asteapta, ca de Kalos nu m-ating, nu-i al meu si mabate HVB-u') Pentru inceput o sa aleg varianta cea mai simpla Asa e, trebuie sa prinzi curaj. Eu mi-am luat vreo doua PIC-uri asta toamna pe ideea ca am toata iarna sa fac tot felul de ghidusii. Dupa ce m-am jucat vreo luna cu el m-a... patruns frigul si-am trecut pe... bere. Toate la timpul lor. Link to comment
alexutup Posted March 30, 2005 Author Share Posted March 30, 2005 Alarma mea...hehe...asa face...follow me home... Are deja functia implementata Link to comment
hitman Posted March 30, 2005 Share Posted March 30, 2005 Asta cu follow me home e buna cind ai casa si o lasi in fata porti sau a garajului. La bloc la mine nu e nevoie. >- Link to comment
Abram Burel Posted March 30, 2005 Share Posted March 30, 2005 Buletin informativ Situatia e minoritara, adica am reusit sa fac 2 din cele 5 promise, ceea ce tot e bine daca ma gandesc ce sedinte mi-au tras zilele astea si scorul la fotbal in momentul asta). Partea buna, pentru unii, e ca sunt complete, in cutiute si cu mate de 20 cm, tocmai bune de bagat undeva. Partea rea e ca asta e tot ce se poate livra maine. Una e clar a lui nfs, care s-a conformat in intregime procedurii. Pentru cealalta mai astept. Pentru celelalte, din pacate, mai asteptati voi (probabil o saptamana). Link to comment
aztec Posted March 30, 2005 Share Posted March 30, 2005 pun si eu o intrebare aici, pt ca se leaga putin de subiect... cum arata senzorul ala de la usa care detecteaza usa deschisa si aprinde lumina. intreb ca la mine nu exista si plafoniera nu are decat 2 poziti, aprins si stins... ma gandeam cam cat costa si daca nu e prea scump comutatorul, sa caut daca sant trase fire...poate ... Link to comment
Zmeul cel rau Posted March 30, 2005 Share Posted March 30, 2005 (edited) Ca un buton. E un buton normal inchis! >- Edited March 30, 2005 by Zmeu Link to comment
VAXXi Posted March 30, 2005 Share Posted March 30, 2005 Un ... sfârc mic de cauciuc, pe stâlpul central (asta la mine). Chiar dacă e portiera deschisă, pot să-l apăs cu mâna şi se stinge plafoniera. Link to comment
zoosy Posted March 30, 2005 Share Posted March 30, 2005 Alarma mea...hehe...asa face...follow me home... Are deja functia implementata <{POST_SNAPBACK}> spune-ne si noua ce tip de alarma ai Link to comment
darem Posted March 31, 2005 Share Posted March 31, 2005 @ Abram Burel: Adevaratule, Minunatule, Pre-Luminatule dar care este acea procedura care trebuie urmata sa intram si noi in posesia acelui TIC-TAC, asa in forma finala, da' finala de finala? Link to comment
Wolfman Posted March 31, 2005 Share Posted March 31, 2005 "Procedura" nu este cea de pe pagina precedenta??? Link to comment
Abram Burel Posted March 31, 2005 Share Posted March 31, 2005 (edited) @ Abram Burel: Adevaratule, Minunatule, Pre-Luminatule dar care este acea procedura care trebuie urmata sa intram si noi in posesia acelui TIC-TAC, asa in forma finala, da' finala de finala? <{POST_SNAPBACK}> Cred ca aici. Totusi, pentru azi zarurile au fost aruncate: pe langa NFS, a aparut si Wolfman. P.S. Mai bine mai tarziu decat niciodata! Am incurcat putin lucrurile, motiv pentru care imi cer scuze . NFS ramane, in schimb Wolfman e din Bacau si ramane pe saptamana viitoare. Prin urmare, mai e un tictac disponibil pentru diseara. Ca sa nu mai incurc treaba, o sa ma intalnesc cu NFS, il punem pe-al lui, iar la ora standard ne vedem si ne ocupam si de cel de-al doilea cumva. Edited March 31, 2005 by Abram Burel Link to comment
adyadrian Posted March 31, 2005 Share Posted March 31, 2005 Fratilor io nu mai pricep! Proaspat posesor de Esperoi si cu avint mucitoresc am dat cu okiu pe fire si am datu de forum. Treaba cu dimmer light m-a tras de atentie si cu ceva electronici ce mai stiu m-am apucat de incropit una bucata tictac (care e fara tictac) conform schemei. Si dai cu lipici si cu sclipici pin' a iesit ceva. De mers merge numa ca merge si cind nu trebe... Adicatelea deschid usa se aprinde (cu un pik de intirziere enervanta) inchid usa...se stinge progresiv dupa ceva timp. Merg si merg cu machina si la un momentu dat "shklantz" se lumineaza becu din senin si asa ramine pin dau io ceva comanda sa se aprinda si sa se stinga dupe care se stinge progresiv. Apoi se repeta figura! Da' oare unde am gresit ? Ha?.... Link to comment
Abram Burel Posted March 31, 2005 Share Posted March 31, 2005 Daca e exact cum ai spus nu prea e explicatie. Poate iti scapa ceva. Ce ma intriga este ca dupa ce se aprinde accidental, inca mai ia comenzi si se comporta corect. Oricum, nu prea poate fi o cauza pur electrica si in mod aproape sigur e si ceva mecanic la mijloc. Presupuneri: - ai o atingere undeva: - pe firararie, mai putin probabil - intre montaj si tabla (masa) - intre fire si masa (izolatie proasta) - ai o "lipeala" calduta pe undeva (mai mult face contact, dar cateodata nu) - ai semireglabili mai slabi cu duhul Banuiala mea: - atingere sau intrerupere accidentala E drept n-a trecut nici o proba de anduranta, asa ca mai mult nu stiu ce sa spun deocamdata. Tine-ne la curent. Link to comment
Recommended Posts
Create an account or sign in to comment
You need to be a member in order to leave a comment
Create an account
Sign up for a new account in our community. It's easy!
Register a new accountSign in
Already have an account? Sign in here.
Sign In Now