igrec_k Posted August 29, 2006 Share Posted August 29, 2006 am fost si eu la service ca imi rmanea turata si clipocea becu de la motor... cu turatu mi-au zis baietii ca e normal sa ramana asa ca doar e pe gaz... iar cu ledu au zis ca s-a sters eroare ceva de CKP parca senzorul de la volanta au zis... si ma gandesc eu.. eroarea aia s-a sters si nu mai imi arata sau s-a remediat? Link to comment
ovi_jer Posted August 29, 2006 Share Posted August 29, 2006 Daca martorul este aprins eroarea este activa. Link to comment
Moshu Posted August 29, 2006 Share Posted August 29, 2006 am fost si eu la service ca imi rmanea turata si clipocea becu de la motor... cu turatu mi-au zis baietii ca e normal sa ramana asa ca doar e pe gaz... Vrajeala. Mergi din nou si insista. Link to comment
scorpion Posted August 30, 2006 Share Posted August 30, 2006 La ce service ai fost ? Incearca la Service Daewoo al fabricii ,sint mai bine instruiti . Link to comment
furiosgsm Posted August 30, 2006 Share Posted August 30, 2006 (edited) pt toti care au probleme cu cielo exe 2004 euro3 mergeti la serviceul fabrici de la craiova se rezolva orice problema garantat.eu mam plimbat prin toate serviceurile din bucuresti si degeba . problemele care le aveam erau :masina nu tragea nici pe gaz nici pe benzina cand era cald afara era jale rezolvare:pt benzina-se schiba pompa de benzina ,bujiile,si eventual se curata rezervorul pt ca la peco se baga benzina cu "pesti" adica cu namolo cu apa pt gaz:se face o modificare cu un releu la instalatia electrica pt gaz ca sa "minta" sond lamba .ceva pt amestecul cu oxigen scuzati exprimarea nu tocmai tehnica dar asta am inteles eu de la cei deacolo multa bafta. nr tel service fabrica craiova este:0251437830 Foloseste si tu te rog majuscula la inceput de fraza/propozitie. Edited August 31, 2006 by Mircea Link to comment
ignatius Posted September 22, 2006 Share Posted September 22, 2006 Cielo std. lpg noimbrie 2004, consum gpl extraurban maxim 8 %, oras 12%, merge super, nu am avut tpobleme, doar ca pierdea apa pr la un furtun nestrans bine, masina scartie putin din plasticul de bord doar pe drumuri rele, in rest sincer nu am de ce sa ma plang, am 42 .000 km. In nici 2 ani, instalatie gpl dn fabrica, bolturile trebuiesc schimbate atunci cand simti ca usa trancane putin, in rest se inchide perfect, daca ai rotile si cauciucurile bune si directia e buna, geamurile se inchid perfect daca umbli cu atentie cu manivela nu sa tragi ca nebunul, sincer , la cate gropi si prin ce drumuri am fost, ma gandeam ca la revizia de 40.000 o sa schimbe ceva pe la ea, merge perfect, franele foarte bune, in schimb, pt ca merg 99 % cu gpl, schimb mai des bujiile si filtrul de gpl, iar pentru gurile rele care au logan sau cauta nod in papura, o pompa de apa cielo 1 milion lei - la Logan e 6 milioane, Cielo se aseaza excelent la drum stabilitate ok nu am ce sa reprosez, cei din spate stau tolaniti pe cand la Logan stai cu spatele drept si cocotat. Sanatate , daca vreti sa va convingeti ca nu va mint puteti sa ma contactati. Se cunoaste ca masina merge altfel dupa fiecare revizie, se infinge mai bine, Sanatate Link to comment
Cristian W Posted September 23, 2006 Share Posted September 23, 2006 Ignatius, sa-ti traiasca masina si tu de asemenea! Uite un mesaj care m-a uns la inima! Eu nu am Executive ci doar Standard cu GPL, insa sper sa fie tot asa de buna si fiabila ca si a ta! Link to comment
ovidiutoderita Posted October 10, 2006 Share Posted October 10, 2006 Am patit-o si eu cu ramasul turat pe LPG, dar mi-schimbat sonda lambda si s-a rezolvat problema. Cert este ca s-a si aprins becul OBD la bord. Link to comment
c_french84 Posted October 16, 2006 Share Posted October 16, 2006 (edited) Pentru toti posesorii mai vechi de Cielo, nu va luati unul nou, calitatea a scazut cu 50%!! Am facut prostia sa-mi iau un nou Cielo LPG acum 4 luni. Am fost cu el de 13 (treisprezece) ori in service pt ca are pierderi de putere si da rateuri. L-au vazut vreo 10 mecanici si am schimbat o valiza de piese si tot nu merge... Teapa de 8600 de Eur... PS: am avut Cielo din 96, merge si in ziua de azi (e inca in familie) Cristian Sal! te informez ca exista o lege pt protectia consumatorului care zice ceva de genul...daca ai mai mult de N(nu stiu exact cate) defecte pe o perioada de timp de pana in X luni produsul trebuie inlocuit cu unul nou! folosesc un cielo euro3 GPL si sunt multumit...au fost niste mici probleme la inceput cum ar fi: -martorul de check se tot aprindea(s-a remediat prin diagnoza) -consumul destul de mare-la inceput -cateodata ramane turata pt cateva secunde-de obicei dupa ce mergi mai sportiv si o duci in ture -am impresia ca am un usor troncanit la un amortizor (pe spate..cei de la reprezentanta Ploiesti..zic ca nu) Unele minusuri sunt: la 8100 Euro cred ca se putea macar o oglinda antiorbire,arcuri/amortizoare prea soft(la viteza de peste 120km/h te solicita p franare daca e mai violenta,masina venind usor spre fatza)...in rest mi se pare OK..consumul a scazut 7.5%afara ,un 12-12,5% oras GPL... referitor la cei cu logan...nu mai comentez...asa masina asa soferi..mai bine sa se uite aici http://www.youtube.com/watch?v=CebWDJ5b_vI cielo 190km/h ...viteza la care Loganul,fie el si de 1.6 ajunge doar daca e soseua in panta(la vale) alx: Stimabile, revizuieste-ti stilul de scris urgent si respecta Regulamentul acestui forum! Multumim! Edited October 16, 2006 by c_french84 Link to comment
DRACU Posted October 25, 2006 Share Posted October 25, 2006 salut si eu am avut probleme cu sistemul de monitorizaren la un cielo,se aprinsesera toti senzori din bord,am sunat la firma de unde am luato(masina are 3 luni )si au spus ca sa merg cu ea asa ca nu are nimic si isi revine(turbati),am fost a doua zi cu ea in servis si a venit cu un tester si mi-a resoftat placa(la insistente),am intrebat da ce rol au senzorii si asa zisul compiuter(placa)nici un raspunr ei mau incurajat spunand ca toate au aceeasi problema .Intrebare:de ce au mai pus acesti senzori? Link to comment
uskt2005 Posted October 25, 2006 Share Posted October 25, 2006 1. Ai scris exact asa cum te cheama 2. Tot ce am inteles este ca s-au aprins toti martorii din bord (la mine unu se aprind cand pun contactul si dupa ce dau cheie si porneste masina se sting) probabil ca tu nu ai invartit suficient de cheie incat sa pornesti motorul 3. Treaba cu resoftat placa chiar nu am inteles-o de ce a fost nevoie sa se faca - era suficient un reset al ECM-ului, dar cei de la service stiu mai bine Numai bine! P.S. Sper ca moderatorii sa nu se supere pe mine(Prietenii stiu de ce ) Link to comment
costica Posted November 28, 2006 Share Posted November 28, 2006 In data de 24.11.2006 la 30km de Pitesti ,in drum spre Dragasani, s-a aprins indicatorul de motor (OBD ) si s-a oprit motorul,refuzand repornirea.Am anuntat serviciul de interventie Daewoo Craiova si dupa ceva timp,a sosit o echipa de interventie de la Pitesti(inginer+mecanic)cu o Nubira,care m-a tractat pana la service-ul Daewoo din Stefanesti(Pitesti).Convingandu-se ca este o problema de aprindere(cu fisa scoasa si actionand demarorul,nu dadea scanteie),au inceput localizarea defectiunii prin metoda eliminarii,astfel: - schimbat blocul bobinei de aprindere (DIS,conector cu 3 pini,pentru Cielo euro 3);rezultat nul; - trecut pe direct sistemul de imobilizare din blocul cheii de contact(care poate intrerupe tensiunea de 12V pentru circuitul de aprindere,daca se incearca pornirea frauduloasa,sau daca s-a defectat acest sistem);rezultat zero; - degripat contacte la conectorii:intrare in DIS,de la ECM;cei doi conectori(M si K)ai ECM-lui;un alt conector de prelungire-ramificare filonaj(langa baterie);rezultat:A PORNIT. Ca ing.electronist,mi-am adus o reala contributie la directionarea depanatorilor spre conectica (filonaj,mufe si alti conectori),fiind puternic mobilizat de atitudinea sotiei (trcusera 5 ore de la defectare)dar mai ales a mecanicului,cand a zis:"sefu , daca nici asa nu merge,eu nu stiu ce sa mai fac.Dumnezeu m-a ajutat sa ajung cu bine unde plecasem si inapoi acasa la Ploiesti. Ca membru nou printre d-voastra si incepator in soferie de amator(este prima masina),am tinut sa relatez acest incident deoarece am fost puternic marcat.Pentru mine a fost botezul focului.S-a verificat functionarea lantului de interventie in garantie(masina are 12000km si 18 luni de viata). Dureros insa este faptul ca s-a zdruncinat increderea in aceasta masina si mai ales in filonajul motorului.Sper sa nu fie si a mea din seria celor cu probleme de filonaj sau conectori,despre care am citit pe acest forum.Am retinut ca trebuie sa -mi cumpar un spray "2+2" pentru curatat contacte electrice. Ca impresii despre cielo euro 3, ce aveam de spus s-a prezentat pe acest forum dureros de bine,astfel incit m-am mai linistit vazand ca si capra vecinului este cel putin la fel de raioasa. Sincer va spun ,nici nu am stat pe ganduri cand am ales intre cielo si logan.Dar atunci nu stiam ca romanii de la Daewoo Craiova (pandurii) au ramas singuri si de capul lor cu c.t.c.-ul.Razboiul meu cu aceasta uzina a inceput la o saptamana de la cumpararea masinii(Euroservice Bucuresti),cand a inceput acel zomot(tacanit metalic).Eu,ca un novice.cu incredere naiva in calitatea acestor masini,n-am acceptat asa ceva,mai ales cand mi s-a spus la service: "lasa sefu ca toate e asa".Din ace moment a inceput calvarul pentru mine,ca perfectionist inrait.Am procurat doc.service pe CD(150MB) pentru toate produsele Daewoo,dar din pacate numai euro 2.Asa am constatat ca aceasta electrovalva controlata de ECM la e3,care purjeaza vaporii de benzina din canistra cu carbon ,pentru a intra in circuitul de ardere,are acest zgomot. Tot acum am aflat ca se confunda cu electrovalva EGR sau cu valva PCV atat de catre service-uri cat si de catre reprezentanti DW. Deoarece prescurtarea PCV poate avea doua intelesuri ,pentru doua dispozitive diferite: - PCV,pentru valva simpla "ventilare pozitiva carter"; - PCV, pentru electrovalva "purjare canistra vapori", as veni cu o idee si anume : la electrovalva pentru "purjare canistra vapori", sa-i spunem PCC(purjare canistra carbon ) pentru ca se stie ca acaesta canistra cu carbon are in ea vapori de benzina. Aceasta denumire este folosita in doc.la Nubira si matiz e2.Am tinut sa fac aceasta propunere,deoarece am vazut multe contradictii pe aceasta tema,pe acest forum. Sunt multe de spus dar nu este locul.Va multumesc si ma bucur ca existati pe acest forum. Link to comment
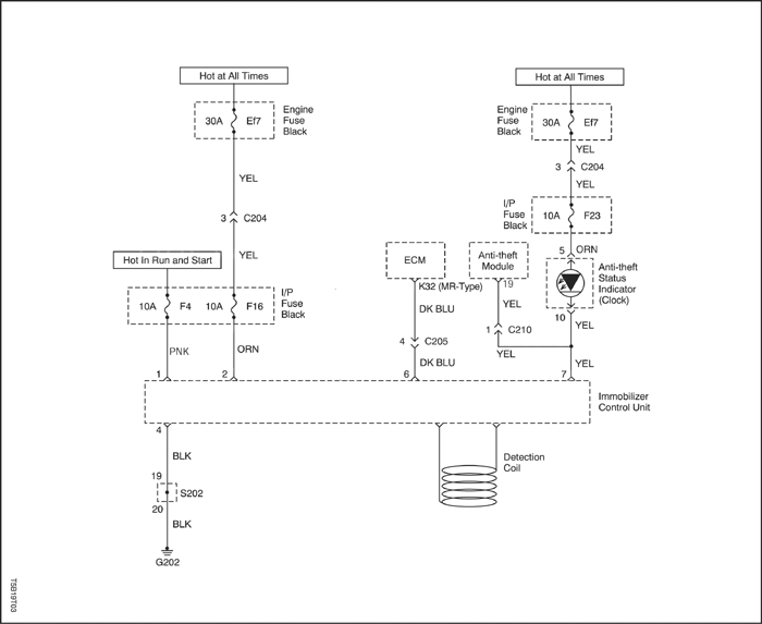
ovi_jer Posted November 28, 2006 Share Posted November 28, 2006 Sunt bine cunoscute problemele la cielo euro 3 la partea electrica din cauza instalatiei electrice fabricate in polonia de o fosta uzina daewoo . EGR= electrovalva recirculare gaze evacuare PCV=circuit ventilare carter(valva nu exista) CCP(solenoid) sau EVAP=controlul purjarii canistrei de carbon Cum ti-ai trecut pe direct sistemul de imobilizare?Acest lucru este imposibil.Imobilizatorul comunica cu ecm-ul pe date seriale si nu el are rolul de a taia alimentarea.La citirea incorecta a cheii sau chiar faptul ca nu o citeste deloc imobilizatorul comunica cu ecm-ul care taie injectia si aprinderea. S-a pus testerul pe masina? Link to comment
tolin Posted November 28, 2006 Share Posted November 28, 2006 Ca abrevieri se folosesc cele ale producatorului, cele din limba engleza. In cazul electro-valvei de la canistra de carbon se foloseste abrevierea CCP. Altfel, cablajul si conectica de pe masina sunt foarte bune, atata timp cat nu umbla cineva la ele si nu le pune corect la loc, iar asta este valabil la orice masina. Link to comment
hitman Posted November 28, 2006 Share Posted November 28, 2006 (edited) Costica, nu dispera. cielo este o masina f. buna in ciuda virstei. Dar calitatea in Romania lasa de dorit. Vezi ca e pe undeva pe aici e subiectul in legatura cu supapa de vapori de benzina. Io am schimbat pe garantie si nu a mai tacanit. Bafta. Edited November 28, 2006 by hitman Link to comment
costica Posted November 28, 2006 Share Posted November 28, 2006 Va multumesc pentru raspunsuri si ma simt mai bine . Ovi,nici mie nu-mi vine a crede, dar mecanicul din pitesti apregatit doua strapuri cu cose,pe care le-a montat in blocul de fire si contacte de sub volan.Dupa curatarea contactelor la conectorii enumerati, a pornit motorul fara blocaj din partea ECM-lui si fara a se mai aprinde ceva de avarie la bord.Daca cel care comanda releul de inchidere a circuitului de aprindere si injectie este ECM-ul la euro 3 pe baza "raportului" dat de imobilizator ca totul este OK(cod,serie cheie),atunci inseamna ca a fost pacalit. M-am interesat si la mine la Ploiesti la service-ul DW si la fel fac in astfel de cazuri.Acum,cand s-a lamurit ce afost ,voi cere refacerea initiala a circuitelor. Cat despre electro-valva CCP stiam ca-n engleza asa-i spune si este corect sa se respecte aceasta expresie. Important este sa nu se mai faca acea confuzie de denumire cu valva PCV din circuitul de ventilare pozitiva a carterului .(pentru Ovi, in doc.e2,PCV apare ca o simpla valva cu arc ce se deschide sub presiunea gazelor nearse din carter).In nici un caz eu nu doresc sa fac pe desteptul in dom.auto,ci va spun si eu din ce studiez nevoit.Pentru mine sunteti persoane pregatite,care merita tot respectul(mai ales pentru rabdarea avuta cu incepatori ca mine). Multumesc Hitman pentru incurajare.Despre aceasta electro-valva CCP cred ca sunt singurul utilizator care a demontat-o,studiat-o mecanic si electric(pe cea care mi-a schimbat-o reprezentantul DW si a lasat-o la mine , la rugamintea mea)Le-am demonstrat ca solutia propusa de DW cu inserierea unei R=22ohmi,forta electromagnetului din CCP scade la jumatate iaratragerea pastilei cilindrice pentru eliberarea orificiului de acces vapori ,este insuficienta.Si inca eu am alimentat de la+12V,nu in impulsuri modulate in durata si amplitudine cum face ECM-ul, adica regim critic de putere electrica.faptul ca nu mai auzi acel tacanit nu este o bucurie deoarece,sigur pastila nu este atrasa pana pe scaunul miezului electromagnetului.Eu acu am certitudinea ca functioneaza cand si la a doua CCP aud zgomotul. Zgomotul vine de la faptul ca pastila cilidrica (piesa mobila)de 1 cm lung. si 0.7cm in diam., are f.putin cauciuc pentru amortizare,cand este atrasa puternic si loveste putin oblic in scaunul piesei fixe(miezului de fier). Va multumesc pentru intelegere. Link to comment
ovi_jer Posted November 28, 2006 Share Posted November 28, 2006 1.Valva PCV nu exista pe niciun model daewoo in afara de tico si matiz.Este trecuta in manuale dar ea nu exista.La cielo,espero si leganza debitul de gaze epurator este stabilit de marimea stutului din galeria de admisie iar la nubira de stutul din capacul culbutorilor. 2.Imoblizatorul nu poate fi ocolit sub nicio forma nici macar cu scanerul . Detalii : Circuit Description When the ignition is turned ON, the key is tested by the immobilizer anti-theft system. While the key code is being read by the immobilizer control unit, the engine can start and run with any key that will turn the lock cylinder. The key code is read and compared with key codes that have been stored in the memory of the immobilizer control unit. If a valid key is detected, the immobilizer control unit sends a serial data release message to the electronic control module (ECM). Included in the release message is an identification (ID) code which assures that neither the immobilizer control unit nor the ECM has been substituted to defeat the system. If the ECM receives an invalid release message, the ECM performs the following actions: Disables the fuel injector circuit. P1626, 1628 Will Set When The ECM does not receive the signal from the immobilizer control module within 1.260 seconds after the ignition is turned on. The above conditions are maintained until the ignition is switched OFF. Link to comment
costica Posted November 28, 2006 Share Posted November 28, 2006 Ovi, te rog sa ma scuzi ca am omis sa-ti raspund complet.Au pus testerul T100 pentru e3 si mi-au spus ca indica multiple intreruperi la cilindri 1,2,3,4.Am ramas masca, deoarece ma asteptam sa se afiseze un nr. de cod cu o exprimare mai precisa.Cand am rugat persoana cu T100 sa-mi faca din tester resetul ECM cu initializare IAC, s-a scuzat ca nu stie, deoarece altcineva este pregatit sa lucreze cu acest T100 pentru euro 3. Referitor la anularea imobilizareii ,au spus ca acum pot porni motorul fara piesa de recunoastere atasata la cheia da contact. Nu am verificat acest lucru la Pitesti in service si nici in Ploiesti, dar o voi face si am sa va informez.Apoi voi reface circuitul de imobilizare la service-ul din Ploiesti. Multumesc. Link to comment
ovi_jer Posted November 28, 2006 Share Posted November 28, 2006 1.Se numeste scan 100 testerul de uzina. 2.Nu ai ce sa refaci.Incearca sa uiti idea asta si nu apleca urechea la tot ce ti se spune la service. 3.Foloseste functia si posteaza pe forum unde trebuie si nu unde iti vine la indemana. Link to comment
costica Posted November 30, 2006 Share Posted November 30, 2006 1.Se numeste scan 100 testerul de uzina.2.Nu ai ce sa refaci.Incearca sa uiti idea asta si nu apleca urechea la tot ce ti se spune la service. 3.Foloseste functia si posteaza pe forum unde trebuie si nu unde iti vine la indemana. Am scos transponderul de langa cheia de contact (l-am indepartat la 2 metri) si am pornit motorul fara probleme,doar ca LED-ul de la volan a ramas permanent aprins pe durata functionarii motorului. In rest , totul OK ,la bord nimic aprins iar la oprirea motorului, acest LED si-a reluat palpairea normala. Conluzii: 1. Mecanicul de la Pitesti a stiut ce face cu cele doua strapuri,in spatele panoului bord cu aparatele de masura; 2. Se pare ca la cielo euro3 (sau poate numai la masina mea ) , unitatea de control blocare transmite la ECM (MR 140 dupa cum spuneti, eu nu l-am dmontat sa citesc pe el) mesajul serial de deblocare denumit si cod de identificare ( ID ) ,la pinul K32 , chiar daca nu primeste de la transponder codul cheii. 3. ECM nu poate fi pacalit sa comande normal functionarea pompei de benzina, injectiei si aprinderii, daca nu a primit acest ID si nici aceste dispozitive nu pot functiona altfel(cu alimentare prin strapuri),decat comandate de ECM; 4. Singura explicatie a acestui fenomen paranormal , ar fi aceea ca ,acest controler al blocarii ,printre cele cateva mii de coduri de chei memorate pe care le recunoaste, poate recunoaste si un cod de urgenta care se poate activa prin strapurile facute de meserias.De unde stiu ei asa ceva?. 5. Singur , nu am desfacut bordul sa vad ce a facut "specialistul". Marti voi merge la service pentru a elimina aceste legaturi si a reveni la schema initiala.Atunci voi retine unde a lucrat si am sa comunic pe forum.Ar fi culmea sa indice scan 100 cod eroare ID. Link to comment
costica Posted December 1, 2006 Share Posted December 1, 2006 Ca abrevieri se folosesc cele ale producatorului, cele din limba engleza. In cazul electro-valvei de la canistra de carbon se foloseste abrevierea CCP.Altfel, cablajul si conectica de pe masina sunt foarte bune, atata timp cat nu umbla cineva la ele si nu le pune corect la loc, iar asta este valabil la orice masina. Asta este parerea ta ,Tolin. Cand am ridicat prima data capota si am vazut filonajul si conectorii, nu mi-a veni a crede ca se poate asa ceva,deoarece: 1. Toti conectorii "tata' atarna in fire, izolatia respectivului manunchi de fire terminandu-se la 1-2cm de conector. Asa ceva este inadmisibil, in conditiile in care aceste fire suporta tensionari , vibratii si temperatura. Poate ca la Kalos nu este asa,altfel te-ai revolta si tu. 2. Subfiloanele care se ramifica din filonul principal, au trasee si dimensiuni incorecte(scurte, prea apropiate de surse de caldura, da aspect de "mate insirate"). 3. Se foloseste peste tot banda de izolare,infasurata "la plezneala", incat totul pare o tiganie. 4. Conetorii sunt de proasta calitate . Imi amintesc de conectorii facuti la Conect ( Pipera),care creau multe probleme in montajele electronice. In ceste conditii, acest cablaj nu are cum sa fie fiabil, iar pana la incident nu a fost deconectat nici un conector.Sfatul tau este valabil pentru cei paraleli cu electronica sau electrotehnica. Link to comment
Tommy Posted December 4, 2006 Share Posted December 4, 2006 Inteleg ca ai masina din martie 2005? Cand ai observat toate astea? De ce nu le-ai reclamat acum un an jumate, daca asa ai primit masina de noua? Link to comment
tolin Posted December 4, 2006 Share Posted December 4, 2006 Sfatul tau este valabil pentru cei paraleli cu electronica sau electrotehnica. Ma rog, este specialitatea mea si lucrand vreo 27 de ani cu ele, credeam ca pot sa-mi dau cu parerea. Oricum, fata de tine, te asigur, n-o sa mai indraznesc. Pentru cei care nu se pricep la electronica si electrotehnica > izolatia mecanica si ignifuga nu se duce pana in conector din cel putin doua motive: - rigiditatea unui cablul fara armatura, fixat la cele doua capete, ar duce la retezarea prematura cat mai aproape de conector, datorita vibratiilor si a variatiilor bruste de temperatura de langa motor (peste 120'C in cateva minute) ; - fara acei 1-2 cm de cablu izolat doar electric, dar flexibil, introducerea sau extragerea conectorului ar fi extrem de greoaie, anuland tocmai rolul conectorului. Link to comment
costica Posted December 7, 2006 Share Posted December 7, 2006 - rigiditatea unui cablul fara armatura, fixat la cele doua capete, ar duce la retezarea prematura cat mai aproape de conector, datorita vibratiilor si a variatiilor bruste de temperatura de langa motor (peste 120'C in cateva minute) ; - fara acei 1-2 cm de cablu izolat doar electric, dar flexibil, introducerea sau extragerea conectorului ar fi extrem de greoaie, anuland tocmai rolul conectorului. Voi raspunde scurt ,dorind incetarea acestei polemici, deoarece nu de asa ceva avem nevoie . Referitor la observatiile mele despre filonajul electric la masina mea, acestea sunt corecte .Un conector nu trebuie sa atarne in fire izolate . Acestea trebuie sa fie imbracate intr-o izolatie electrica, mecanica si ignifuga care sa intre in conector cu un capat (ca este loc) iar cu ce de-al doilea ,sa intre 2-3 cm in izolatia exterioara a rspectivelor fire , care este destul de larga .Este logic sa fie si flexibila aceasta izolatie. Referitor la explicarea necesitatii celor 1-2 cm fara izolatie exterioara , de langa conector, este asa de ispititoare flexibilitatea amaratelor de fire ramase descoperite, incat baietii de la service-uri chiar de aceste fire trag la scoaterea conectoeului. Cel putin asta am vazut eu . Afirmatia mea despre "paralelism" nu s-a adresat unei anume persoane ,dar conider ca o persoana cu practica in domeniu, ar fi de acord cu mine . Daca am jignit pe cineva, va rog sa primiti scuzele mele.Eu nu doresc competitie in desteptaciune .Imi cunosc meseria si doresc raspunsuri logice ,fara aere de superioritate,deoarece nu ne cunoastem si trebuie sa ne respectam reciproc.Cam atat despre acest amarat de filonaj. Link to comment
Tommy Posted December 7, 2006 Share Posted December 7, 2006 (edited) @costica, cu sarma am vazut, cu barna e mai greu. Se pare ca problema ta s-a redus din planul 1 in planul 2 (al serviceului), ceea ce te si intrebasem. Las-o mai jos cu atitudinea asta ca nu iti va face nimeni plecaciuni, statui sau bust din marmura. Ai o idee, o intrebare, o nelamurire, spune stimabile pe ton civilizat. Cam asa functioneaza aici, ca oriunde unde se doreste o comunicare. Edited December 7, 2006 by Mircea Link to comment
Recommended Posts
Create an account or sign in to comment
You need to be a member in order to leave a comment
Create an account
Sign up for a new account in our community. It's easy!
Register a new accountSign in
Already have an account? Sign in here.
Sign In Now