sorinuif Posted May 10, 2009 Share Posted May 10, 2009 salut, azi am reusit sa imi pun instalatia din pozele de mai sus pe masina nu a fost cine stie ce mai mult de montat si demontat, maine sper sa ajung sa ii fac testul de etansare si sa ii bag freon, dupa aia instalatia electrica care la prima vedere imi cam prind urechile ca sa imi descriu problema electrica incep cu * compresorul = 1 fir iese din el , receverul = mufa cu 2 cu fire unul verde care se duce in compresor si unu rosu care pleaca spre tabloul de sigurante (verificat) * asa acum sa luam vaporizatorul de sub torpedou are mufa cu 2 fire unu albastru si unu portocaliu care nu stiu unde trebuie sa ajunga, * si mai am butonul A.C + mufa cu 5 fire maro cu dunga alba,portocaliu cu dunga alba,negru,negru cu dunga alba,verde cu dunga alba care iar nu stui unde sa le leg , am releu de A/C cel negru mic pt a putea popula locasul din tablou cu el am atasat poze cu mufa butonului de A/C mi-ar fi de ajutor un sfat de la cineva care a montat sau s-a lovit de problema asta am id de mess sorin_uif sau am nr de tel 0724294410 imi puteti da masg sa stiu cine sunteti si va sun eu , MULTUMESC ANTICIPAT! Link to comment
sorinuif Posted May 14, 2009 Share Posted May 14, 2009 (edited) salut, am conectat cam tot dar dupa schema primita de la adostar imi porneste a/c-ul cupleaza compresorul dar nu se opreste cand apas off de la butonul a/c si nici daca dau pe 0 butonul de la treptele ventilatorului merge in continuare venilatorul de la radiator ,a doua chestie cand butonul este apasat nu se aprinde verde ledu si cand este iesit adica in off se aprinde led-ul minune am incerca si varinata sa pun pe 86 firul portocaliu de la buton dar tot degeaba nu se aprinde ledu si NICI NU CUPLEAZA COMPRESORUL inebunesc pin 30= in sig de 10A conectata la + permanent pin 87= receptor + fir portocaliu din buton a/c pin 85= fir din ecm cel verde pin 86 = legat cu firul de + pe contact, de la bricheta stie cineva daca este o diferenta intre butonul a/c euro2 si intre ce-a cu euro3 ? Edited May 14, 2009 by sorinuif Link to comment
adostar Posted May 14, 2009 Share Posted May 14, 2009 (edited) Da este diferenta...la butonul de euro 2 pus pe matiz euro 3 nu se aprinde martoul, ceva nu ai legat cum trebuie la releu nu trebuie sa se aprinda martorul, prima oara asa am patit si eu nu se mai oprea ac-ul Edited May 14, 2009 by adostar Link to comment
sorinuif Posted May 15, 2009 Share Posted May 15, 2009 intalatia electrica aer conditionat pentru matiz euro 2! in cele doua scheme intre euro 2 si euro 3 se vede si diferenta circuitului din buton cea ce reiese ca pentru a se aprinde ledul martor in euro3 trebuie cumparat si buton a/c 1 Link to comment
cristics Posted May 15, 2009 Share Posted May 15, 2009 Am pus instalatia la niste "mesteri" din Craiova, merge foarte bine A/C-ul cand motorul este la relanti, dar daca umblu cu masina prin oras, la schimbarile de viteza (in intersectii), moare motorul. M-am uitat si am vazut ca nu au legat ECM-ul. I-am facut Idle Learn cu A/C (dupa ce am mai deschis putin clapeta de acceleratie cu ajutorul surubului cu arc), motorul nu se mai opreste, dar este subturat (tremura toata caroseria). Are idee cineva cum se poate face sa mearga (fara a umbla la avans, prin soft)? Daca as face legaturile la ECM, nu mai trebuie nimic modificat? Link to comment
adostar Posted May 15, 2009 Share Posted May 15, 2009 Trebuie musai sa-l treci prin ECM. Link to comment
smailmiami Posted May 15, 2009 Share Posted May 15, 2009 M-am uitat si am vazut ca nu au legat ECM-ul. Daca nu treci A/C-ul prin ECM, ECM-ul nu va mari turatia din IAC cand pornesti A/C, deci e foarte probabil sa ti se opreasca in mers. Tot mesterii din Craiova m-au facut si pe mine sa studiez cartea tehnica, cand am vazut cat de habarnisti sunt. Plus, ECM-ul (Euro2) opreste A/C-ul la accelerari bruste pentru un plus de putere sau opreste A/c-ul cand ingheata evaporatorul. Trage tu concluzia ... Link to comment
cristics Posted May 16, 2009 Share Posted May 16, 2009 Speram da faca ei treaba asta, mai ales ca se laudau ca au instalat aer conditionat pe majoritatea taxi-urilor din Craiova. Instalatia pe care au montat-o provine tot de pe un Matiz E3, deci dupa ce au demontat-o puteau sa refaca legaturile.Nu pot sa le reprosez nimic, deoarece pretul de montaj a fost mic. Daca m-as fi apucat sa fac eu legaturile, cu schema pe care o aveam din cartea de service Matiz Euro 2 (acum am vazut), sigur beleam ECM-ul pentru ca difera intrarile pentru a/c. Sper ca cele de mai sus sa fie cele bune. Link to comment
adostar Posted May 16, 2009 Share Posted May 16, 2009 (edited) Nu stricai nimic, sunt aceleasi fire ca si la euro 2, difera doar mufele. Edited May 16, 2009 by adostar Link to comment
cristics Posted May 16, 2009 Share Posted May 16, 2009 Firele sunt aceleasi (ca si culoare), mufele ar trebui sa fie aceleasi (dupa numar, conform schemelor de mai sus), dar intrarile in ECM difera (euro2: 51- bobina releu a/c, 14- bobina releu principal, 7- buton a/c ------ euro3: 38- bobina releu a/c, 7- bobina releu principal, 23- buton a/c). Problema e ca la euro 3 bobina releului principal e facuta de altcineva si va trebui sa pun un releu un paralel, precum si un releu pt a/c si sigurantele aferente. Link to comment
sorinuif Posted May 16, 2009 Share Posted May 16, 2009 man va scot eu din ceata cum sa puteti face instalatia complecta pentru matiz euro 3 cu instalatatie luata de pe un matiz euro 2 cu tot cu buton cu modificarile necesare sa se aprinda martorul de uplare si martorul de veghe ala A/C i-am dat de cap cum sa fac din buton de a/c de euro 2 sa fac buton de euro 3 sa aiba toate functiile am sa revin cu scheme electrice complecte pt instalatie si pt buton si cu suport de poze dupa examenul de maine , ca si pe mine m-au ajutat cativa useri de pe aici enorm , in special adostar si bisznitarul le multumesc!! Link to comment
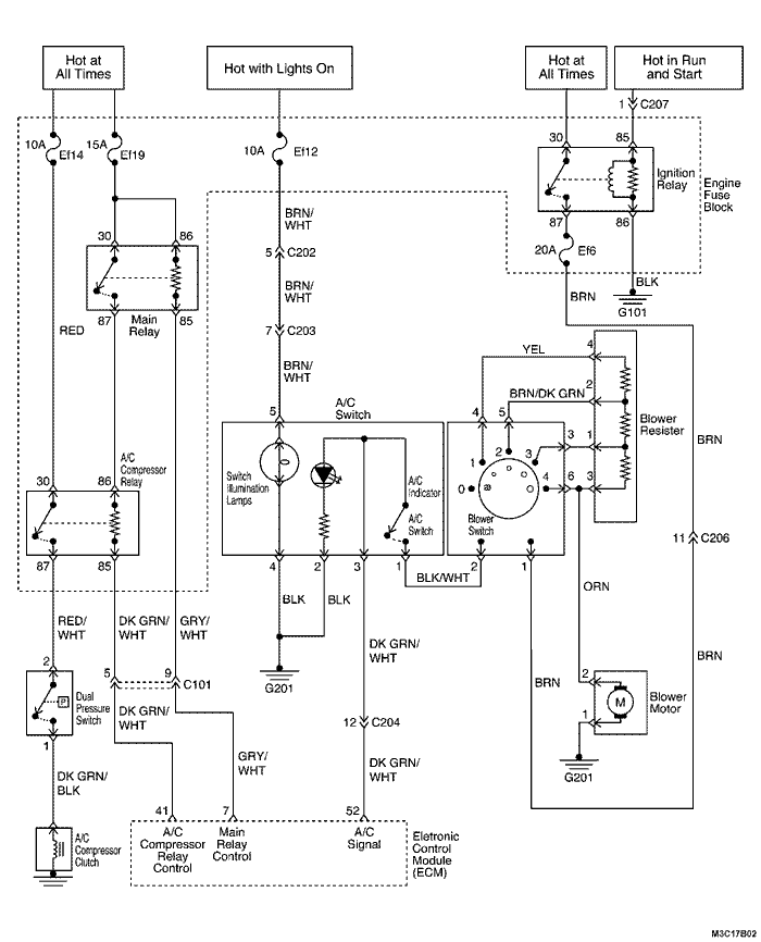
sorinuif Posted May 17, 2009 Share Posted May 17, 2009 (edited) Dupa instalarea fizica a componentelor de la instalatia de aer vine partea electrica care trebuie facuta: sa incep cu butonul a/c, in caz ca aveti buton a/c de pe o instalatie euro2 trebuie sa ii face-ti o mica modificare ca sa se aprinda martorul de cuplaj (desfaceti butonul are 4 clipsuri, deasupra are o tablita care iese sub ea este o siguranta.Dupa ce a-ti scos-o, o sa iasa usor -integratul butonului cum tineti butonul cu cele 2 leduri spre voi trebuie sa deslipiti ledul din stanga si sa il lipiti invers deoarece ca orice led-ul este o dioda daca nu e polarizata nu se aprinde) dupa ce ati teminat de lipit il asambati la loc si l-ati transformat in buton de a/c auro 3 Acum mufa de la butonul de a/c are 5 fire respective 1. negru cu alb ,2. portocaliu cu negru , 3 verde cu alb,4 negru ,5 maro cu alb (nr1,2,3,4,5 indica pozitia lor in mufa mama) Firul 1 negru cu alb pleca spre pinul 2 mufa comutator aeroterma Firul 2 portocaliu se leaga impreuna cu firul negru din pozitia 4 din mufa Firul 3 verde se leaga in mufa c204 in pinul 12 in tata unde este lipsa din fabrica Firul 4 negru se leaga impreuna cu fir portocaliu din pozitia 2 in mufa de la butonul de avarii pe negru. Firul 5 maro se leaga tot in mufa de la butonul de avrii pe maro cu alb Asta a fost butonul a/c, acum se trage tot din mufa c204 alba din pini 10 si 16 lipsa din fabrica fire spre mufa vaporizatorului de sub torpedo (respectati culorile si pozitiile ca sa nu le incurcati) Acum la motor: da-ti jos bateria si in spatele eu o sa vedeti o mufa ovala cu 12 pini C101 din pinul 5 din tata trageti un fir (tot lipsa din fabrica) spre pozitia 85 de la releu De la firul ce alimenteaza bricheta (+ pe contact) cel portocaliu trebuie sa trageti un fir din masina in compartimentul motor care vine pe pozitia 86 a releului Firul care vine de la receiver (butelia aia mica cu mufa cu 2 pini pleaca un fir rosu su unul verde ala verde merge spre compressor) iar cel rosu merge in pozitia 87 a releului Din siguranta 14 din tablou trebuie sa trageti un fir ( + permanent) pt pozitia 30 a releului Dupa ce a-ti tras firele in tablou cu papuci pe pozitia releului de aer conditionat cuplati releul si siguranta de 10A in locul 14 Acum puteti face o proba daca cupleaza compresorul, daca se aprind ledurile de la martor cuplaj si de la martor buton pe timp de noapte (pe lumini cand se parinde bordu) Edited May 17, 2009 by sorinuif Link to comment
sorinuif Posted May 17, 2009 Share Posted May 17, 2009 si inca 2 poze cu pozitia ledului din butonul A/C Link to comment
bishnitzarul Posted May 17, 2009 Share Posted May 17, 2009 si inca 2 poze cu pozitia ledului din butonul A/C Felicitari pentru reusita. Sa te bucuri de instalatie multi km... sa iti racoreasca zilele fierbinti Link to comment
cristics Posted May 18, 2009 Share Posted May 18, 2009 Si eu va multumesc pentru lamuriri. Am reusit sa leg totul, dar a aparut o problema: la turatii mari (peste aprox. 4000rot/min) imi vibreaza compresorul (se vede si cureaua cum sare). Nu pot sa-mi dau seama ce este: probleme de centrare a fuliei compresorului (a fost dat jos de pe o masina lovita) sau cureaua (am incercat s-o mai strang, dar fara rezultat). Link to comment
sorinuif Posted May 18, 2009 Share Posted May 18, 2009 fulia compresorului este alineata cu cea a motorului? vezi sa nu fie suportii de la compresor de sustinere mai degraba decalati in urma accidentului masini de pe care a fost demontat sinstalatia, pt ca e cam greu sa decalezi fulia compresorului ca aia sta in axul compresorului si daca ar fi de acolo ar fi sparge si semeringul axului si ti-ar iesi freonul. Link to comment
sorinuif Posted May 21, 2009 Share Posted May 21, 2009 salut din nou, am si eu o alta intrebare cand pornesc masina a doua zi si dau drumul la aer scartaie compresorul si are un moment cand se blocheaza pt 1 sec aveti idee ce poate fi ,cureau este destul de stransa Link to comment
smailmiami Posted May 21, 2009 Share Posted May 21, 2009 (edited) Mai mult ca sigur nu ai suficient ulei refrigerant in el. Nu-l mai porni, ai mari sanse sa il gripezi. Edited May 21, 2009 by smailmiami Link to comment
cristics Posted May 23, 2009 Share Posted May 23, 2009 E normal ca in timpul mersului sa se conecteze/deconcteze des releul care cupleaza bobina de la compresor? Link to comment
banzay Posted May 23, 2009 Share Posted May 23, 2009 Cand accelerezi in blana e normal sa decupleze si apoi sa cupleze... in alte cazuri...nu stiu... Link to comment
smailmiami Posted May 23, 2009 Share Posted May 23, 2009 (edited) Daca te referi la drum exterior cand afara nu este foarte foarte cald iar ventilatorul este pe o treapta mica de putere, este normal ca A/C-ul sa cupleze/decupleze. Pe evaporator (radiatorul de A/C din masina, de sub bord) exista un senzor de temperatura care decupleaza A/C-ul cand temperatura acestui radiator scade foarte mult. Edited May 23, 2009 by smailmiami Link to comment
cristics Posted May 23, 2009 Share Posted May 23, 2009 Am avut ventilatorul doar pe prima pozitie, afara nefiind foarte cald(27`C).Cu vibratiile am rezolvat uitandu-ma mai atent la strangerea suruburilor compresorului si ghici ce am gasit... Nu erau stranse cele doua suruburi de care se prinde compresorul de suport si nici cel de-al treilea surub al suportului...Nu mi-a dat prin cap ca meseriasii care l-au montat sa nu-si faca treaba...Deci e bine sa mai si verifici, chiar daca ai dat bani... Link to comment
Robert_MNW Posted August 11, 2009 Share Posted August 11, 2009 Am achizitionat si eu o instalatie sh de A/C, am demontat-o eu de pe masina donator a avut freon in ea deci este in regula! Problema e in felul urmator, am toate mufele de la compresor, buton, evaporator etc...insa nu am instalatia electrica se poate face sau este necesara si aceasta? Link to comment
Robert_MNW Posted August 13, 2009 Share Posted August 13, 2009 M-am lamurit cum sta treaba cu instalatia, nu este nevoie insa am si eu o rugaminte la cei care au montat instalatia. Am mufa de la buton A/C de euro 2 insa nu am butonul, Matizul meu este Euro 3 pot cumpara butonul de euro 2 sa nu il mai modific ca si colegul sau il cumpar de euro 3 si il modific ? Link to comment
diaconumarius Posted August 20, 2009 Share Posted August 20, 2009 Cei care ati montat AC, cam la cat de ridica costul total? Link to comment
Recommended Posts
Create an account or sign in to comment
You need to be a member in order to leave a comment
Create an account
Sign up for a new account in our community. It's easy!
Register a new accountSign in
Already have an account? Sign in here.
Sign In Now