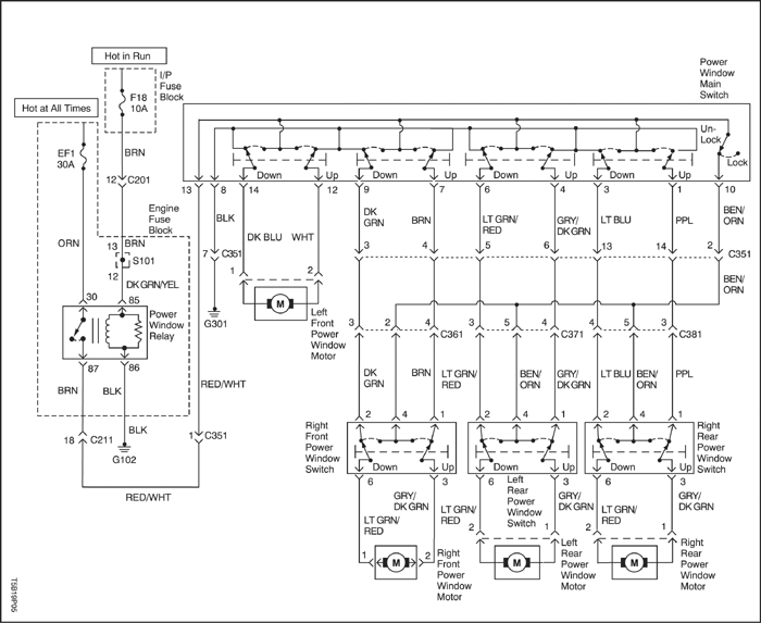
Abram Burel Posted October 18, 2005 Share Posted October 18, 2005 (edited) Atentie! Aplicarea indicaţiilor cuprinse în acest topic pot conduce la violarea garanţiei date de producător sau chiar la incidente la instalaţia electrică. Cei pe care ii enervează să mai pună încă o dată contactul pentru că au lăsat geamurile (acţionate electric) lăsate pot aplica următorul mod. Aplicabil doar la Kalos (ideea ar putea fi verificată şi la alte modele Daewoo or so) el va permite sa actionati geamurile din butoane, fara a avea contactul pus. se deschide capota motorului se deschide capacul blocului de siguranţe şi relee din compartimentul motor se identifică releul de alimentare al circuitului de alimentare a ferestrelor (Power Window Relay) se scoate releul se face printr-o metodă cât mai sigură un "scurt" între pinii 30 şi 87 ai releului: se foloseşte un soclu de la un alt releu SPDT auto (se demontează releul şi se folosesşte doar soclu, contactele şi capacul) şi se face un ştrap în interior, se pune capacul (ca să arate frumos) şi se montează în locul releului original (recomandabil, cost ~ 4 RON = cel mai ieftin releu SPDT auto) se foloseşte o sîrmă de cupru solid de circa 1 mm diametru şi se face un ştrap direct între pini din soclul în care se înfige releul, pe contactele corespunzătoare (nerecomandabil, poate "zbura", cost 0) se închide capacul blocului de siguranţe şi relee din compartimentul motor se închide capota motorului se probează funcţionarea se păstrează releul original pentru vizitele la service Nota: Pentru amatorii de scheme, ideea de bază poate fi verificată pe celalalt desent atasat. P.S. Multam' Vaxxi. Chiar ma miram sa fie atat de destept editorul asta "rich text" (macar dupa cat de repede s-a incarcat postul). Ocazie cu care am descoperit o eroare in schemele din manual. Eu am studiat schema pentru "full", dar o publicasem "aparent" pe cea pentru "front only". Acolo este insa o eroare in zona releului pentru ferestre (asa cum e figurat, cand pui contactul se arde cel putin o siguranta - F18. De data asta am pus schema pentru 4 ferestre electrice, care e corecta). Edited October 18, 2005 by Abram Burel Link to comment
VAXXi Posted October 18, 2005 Share Posted October 18, 2005 #1: adică asta face bypass, şi geamurile rămân alimentate permanent ? #2: nu merg pozele, le-ai ataşat de pe calculator cu calea lor şi nu ca fişiere. Link to comment
ASIMO Posted October 18, 2005 Share Posted October 18, 2005 F bun sfatul, f. utila atentionarea! Atentie daca lasi vara geamul "la aerisire", adica doar putin desfacut, ca atunci poate baga cineva un bat pe acolo si poate sa deschida geamurile de tot! Link to comment
ovi_jer Posted October 18, 2005 Share Posted October 18, 2005 Adica intrerupatoarele de la geamuri vor fi alimentate si fara cheie in contact.Deci nu mai e nevoie sa bagi cheile in contact pentru a inchide geamurile . Link to comment
Abram Burel Posted October 18, 2005 Author Share Posted October 18, 2005 De regula, angrenajul de reductie cu care este dotata macaraua electrica este conceput astfel incat sa nu permita "fortarea normala" (adica sa o ia motorul incetisor-incetisor in sens invers). De obicei se foloseste un melc/roata melcata intr-o constructie oarecare. Asta nu inseamna ca nu se poate forta macaraua si sa ti-o zapaceasca putin. Ma rog, asa stiu eu. Link to comment
ASIMO Posted October 18, 2005 Share Posted October 18, 2005 (edited) Nu... eu ziceam ca daca baga cineva un bat prin deschizatura de la geam (lasat deschis chiar si foarte putin) si apasa pe buton (la Kalos), geamul coboara! Nu fortat! Edited October 18, 2005 by ASIMO Link to comment
Satori Posted October 19, 2005 Share Posted October 19, 2005 AB, de unde ti-a venit ideea sa incerci sa faci asta? Link to comment
Abram Burel Posted October 19, 2005 Author Share Posted October 19, 2005 @ASIMO Corect! Ar trebui deci legat de dispozitivul de blocare a usilor. O sa studiez. @satori Cautam nu stiu ce prin schemele electrice si am dat pe cea de la actionarea geamurilor. Cum pe mine unul ma enerveaza chestia, am mai zabovit o clipa... Link to comment
cchrism Posted October 20, 2005 Share Posted October 20, 2005 Am gasit la un moment dat intr-un manual de utilizare explicatia pentru care geamurile nu sunt actionate asa, si doar prin contact. Ei ziceau acolo ca in eventualitatea ca lasi un copil mic sau un animal in interior (nu ca ar fi bine asa ceva) si reuseste sa "trepaduseasca" pe butoane sa nu cumva sa isi prinda diverse "componente" (gat, labe, maine, picioare, fiecare unde se aplica ) si sa se raneasca. O precautie destul de sanatoasa din partea producatorile, asa ca daca sunteti in situatii aseamanatoare si intentionati sa faceti modificarea poate luati si aspectul in considerare. Link to comment
alx Posted October 20, 2005 Share Posted October 20, 2005 da asa e. este periculos au fost cazuri cu copii sugrumati... Acum depinde si de configuratia butoanelor si daca sunt cu impuls sau nu. La modus ramane alimentat NUMAI geamul stg fata si numai vreo 30 de sec. Link to comment
hawkeye Posted October 20, 2005 Share Posted October 20, 2005 corect! e ideal sa ramana 30 de secunde dupa ce ai oprit motorul, dar sa ramana si cel din dreapta deoarece eu am obiceiul cand deschid geamul meu sa-l deschid si pe cel din dreapta. Link to comment
Abram Burel Posted October 20, 2005 Author Share Posted October 20, 2005 Partea tampita la Kalos este ca circuitul de actionare este... chel de tot. Nu are decat intrerupatoarele din usi si motorasele. Banuiesc ca astea din urma au un limitator incorporat, ca pe schema nu-i nimic figurat. In consecinta nu prea poti sa faci ghidusii decat daca "interceptezi" firele din conector, cu exceptia usii soferului pe care trebuie s-o desfaci daca vrei sa faci ceva. Aveti dreptate ca poate fi periculos, dar rabatul la functionalitate pe care l-au facut pentru securitate mie mi se pare destul de serios. Asta e, la pretul asta nu cred ca se poate gasi ceva mai... automatizat. Oricum, dat fiind ca nu am copil asa de mic (si pentru ca veni vorba, nici nu l-as lasa singur in masina), o sa ma risc sa-mi prind gatul putin in geam. Link to comment
ASIMO Posted October 20, 2005 Share Posted October 20, 2005 1. Ceea ce ziceti voi cu jucatul copiilor e valabil numai pentru geamul soferului. Celelate geamuri pot fi blocate (de la sofer), deci sunt safe, daca vrei tu. 2. Testat! Geamurile la Kalos nu au "limitatoare de presiune" sa simta ca e ceva care ii blocheza inaintarea. Strang pana moare motorul. Nu stiu daca au limitare nici de capat de cursa! Link to comment
Satori Posted October 20, 2005 Share Posted October 20, 2005 Nu au, e adevarat. Mie mi-a parut bine pentru ca am prins mana unui tigan care se repezise la pachetul de tigari. > > Era verde la fata, motorasele sunt aparent puternice. Link to comment
tolin Posted October 20, 2005 Share Posted October 20, 2005 Testat! Geamurile la Kalos nu au "limitatoare de presiune" sa simta ca e ceva care ii blocheza inaintarea. Strang pana moare motorul. Sau pana moare catzelul !!! Am asistat asta vara la o faza "mortala". Una broscutza VW parcheaza, iese din ea alta broscutza dezinvolta si dupa vreo 5m da un click din telecomanda cu spatele. Usile se inchid si geamurile se ridica, doar ca si-a lasat catzelul in masina, care era cu capul scos de 1/2 m dupa ea. Daca bietul animal nu incepea sa scheaune disperat si stapana sa auda intr-un spatiu de actiune a telecomenzii, asistam la "o sinucidere bestiala". Link to comment
Abram Burel Posted October 20, 2005 Author Share Posted October 20, 2005 Mda, am "comis-o". Avand in vedere ca releele de la Kalos sunt cu totul altfel decat ce stiam eu despre releele auto (deh, lumea evolueaza si unii raman in urma), dar asta a fost o chestie buna, am tras un strap "discret" intre pinii 30 si 87 ai releului si l-am pus la loc. Pe de alta parte inseamna ca motoarele au doar o siguranta termica resetabila (s-a mai discutat despre ea pe un topic de pe la Electronica auto). Astea la un curent anume (cel atins de motorul blocat se incalzeste brusc si se "arde". Dupa ce se raceste, isi revine. Ar trebui sa genereze o oarecare perioada "moarta" dupa ce se "arde", dar isi revine oricum (ce emotii am avut la un transformator, care avea asa ceva lipit de bobine si acoperit ca nu se vedea nimic). Link to comment
tolin Posted November 9, 2005 Share Posted November 9, 2005 Ceva nu este in regula la schema de la Kalosul meu. Am confectionat un strap si am incercat sa-l pun in locul releului, pinii 30-87, cum era specificat si pe carcasa. Dar surpriza, n-am putut infige strap-ul complet pentru ca se incingea si pana la urma s-a ars si n-a sarit vreo sigurantza. N-am avut un aparat la mine, era prea banala operatiunea. O sa studiez problema pentru ca trecea un curent mare pe acolo incat s-au topit fantele de la soclul in care se infige releul. Poate a ramas un contact blocat pe o directie si siguranta termica din motor inca nu actionase. Am repus releul la loc si instalatia a functionat ca inainte. Am ramas doar cu o dezamagire, o dilema si cu o retinere in a repeta experienta fara o elucidare a faptelor petrecute. Asa ca, atentie la montarea unui astfel de strap, daca el nu este izolat termic fatza de degetele folosite la montaj va puteti arde instantaneu si a doua oara nu mai puneti mana neprotejata acolo. Link to comment
Abram Burel Posted November 9, 2005 Author Share Posted November 9, 2005 (edited) Ciudata chestie. Cu ocazia asta am realizat o chestie la care nu ma gandisem. Strapul trebuie legat solid pentru ca prin el trece curent mare si daca sunt contacte imperfecte se incalzesc si topesc soclul. O sa arunc o privire la mine si revin. P.S. Am avut noroc cu traficul si am prins postul deschis. So: - nu e nimic in neregula la mine - stiu ca pinii sunt marcati (e drept cam minuscul), dar 30 si 87 sunt in diagonala, deci nu cum sunt desenati pe fata carcasei; cred ca asta e problema; eu m-am tot chiorat si pana la urma am masurat inainte sa fac strapul, ca oricum nu mai vazusem relee auto ca alea. Edited November 9, 2005 by Abram Burel Link to comment
Satori Posted November 9, 2005 Share Posted November 9, 2005 Cat trece prin strap? La actionarea simultana a doua geamuri? Link to comment
Abram Burel Posted November 9, 2005 Author Share Posted November 9, 2005 Pai, din cate am dedus de ici de colo, ar fi vorba de 2-4 A de fiecare motor. Nu conteaza regimul "blocat" (cap de cursa) ca asta dureaza foarte putin, dar daca e sa ne luam dupa valoarea sigurantei (30A), ar trebui sa fie sub 7A pe motor. Cand o sa ma apropii de dat gata primul modul de actionare, o sa ma documentez mai bine (cat de greu poate fi sa dai masca de la usa jos, dupa un airbag din volan ) Link to comment
tolin Posted June 16, 2006 Share Posted June 16, 2006 Sorry, am facut strap-ul gresit, cine si-a imaginat ca pinii de la contact sunt pe diagonala ? Si bineinteles ca am nimerit combinatia cea mai proasta 30 <-> 86. Link to comment
Abram Burel Posted June 16, 2006 Author Share Posted June 16, 2006 (edited) Imi pare rau, a fost greseala mea ca nu am atentionat de la inceput. Cand am vazut cum arata releul (eu eram obisnuit cu d-alea de Oltcit si Dacia), nu mi-a venit sa ma iau dupa ce scrie pe desenul de pe capac si am pus "masuratorul" pe el. ca veni vorba, ieri i l-am pus si lui nexxus. Da' ce strap baban i-am facut (al meu inca rezista, desi e cam firav). Edited June 16, 2006 by Abram Burel Link to comment
tolin Posted June 16, 2006 Share Posted June 16, 2006 Greseala a fost a mea. Am plecat de la o idee pre-conceputa, am verificat-o doar pe capac. Noroc ca strapul a fost mai destept si a cedat primul. Link to comment
Gica Posted June 16, 2006 Share Posted June 16, 2006 (edited) Conform schemei, daca nimerisei 30-86 (+ la masa...), ar fi trebuit sa cedeze EF1, aia nu e siguranta ? Sau strapul tau a tinut <30 A...? probabil asta a fost. Acest Power Windows Relay e ceva deosebit ca imi pare ciudat figurat pe schema aia, parca n-ar fi doar un electromagnet ? Are o bobina si mai ce... puse in paralel ? Edited June 16, 2006 by Gica Link to comment
hawkeye Posted June 18, 2006 Share Posted June 18, 2006 O chestie inteligenta referitoare la subiect am vazut la un accord. Comanda geamurilor putea fi actionata (la toate 4) chiar si dupa oprirea motorului si scoaterea cheilor din contact, dar doar pana la deschiderea usii soferului. Ceva similar avem noi la nivelul pozitiilor care raman aprinse pana la deschiderea usii soferului. Mai departe las discutia in seama "electronistilor" Link to comment
Recommended Posts
Create an account or sign in to comment
You need to be a member in order to leave a comment
Create an account
Sign up for a new account in our community. It's easy!
Register a new accountSign in
Already have an account? Sign in here.
Sign In Now