b52jgp Posted December 7, 2010 Share Posted December 7, 2010 (edited) Este posibil ca unul sau mai multe fire sa se fi "copt" de la caldura excesiva, daca e asa sarma devine casanta si se inroseste sau se inchide foarte mult la culoare - verfica sa nu se fi intrerupt pe undeva, firele s au topit de la frecarea cu roata sau de la vreun scurt? Edited December 7, 2010 by b52jgp Link to comment
ToPser Posted December 7, 2010 Share Posted December 7, 2010 Ai 12 V in micro de la pedala ? Link to comment
serbanel Posted December 7, 2010 Share Posted December 7, 2010 S-a rezolvat problema.am dat bara jos si am vazut ce erau cablurile intrerupte undeva prin spate la numar.le-am facut legatura,le-am izolat si totul e ok. Si inca o intrebare,cum se manifesta un rulment de roata stricat?ca suspectez roata din spate. becurile sunt ok.m am uitat si la switchul ala de la pedala si pare in regula.sigurantele sunt si ele ok.acum cateva zile mi a cazut tot manunchiul ala de cabluri din spatele stopului din dreapta pe roata,s au tocit toate cablurile alea pnm.am refacut conexiunile la cabluri.ps.cu cablurile tocite si topite mergeau stopurile.cnd le am facut cum trebuie n au mai mers. Link to comment
lughy Posted December 8, 2010 Share Posted December 8, 2010 Salut stie cineva codul la regulatorul de tensiune de la alternator? Link to comment
Uncle-Sam Posted December 8, 2010 Share Posted December 8, 2010 ) pai si nu te-ai gandit ca e posibil sa nu le fi legat bine? Contactul de la pedala poate sa arate ca nou, dar sa nu mearga. Ia un aparat de masura sau un bec si vezi care-i treaba Link to comment
serbanel Posted December 10, 2010 Share Posted December 10, 2010 mai nou mi s a dezlipit ferodoul de pe sabotul stanga spate si nu se mai invarte roata.bine ca am stopuri. ) Link to comment
Uncle-Sam Posted December 10, 2010 Share Posted December 10, 2010 Asa mi s-a dezlipit si mie pe pod la Baneasa. Am veni pe muzica simfonica pana acasa ) Link to comment
zeno Posted December 12, 2010 Share Posted December 12, 2010 salutare..in primul rand imi cer scuze daca am postat aiurea dar am nevoie de ajutor.sunt si eu nou pe aici si am o problema la ticozaurul meu...ieri dimineata am vrut sa desfac si eu bordul sa reglez aerul sa "bata" peste tot(indiferent unde il reglam sa bata nu baga aer decat pe la parbriz si picioare)...am desfacut tot ce erea de desfacut dar nu am reusit sa il dau jos, vazand ca nu reusesc m-am lasat pagubas si l-am montat la loc.seara cand am plecat la drum, baga doar aer rece(m-am gandit ca este de la distanta scurta pe care am parcurs-o aprox. 2 km si ca nu a avut cand sa se incalzeasca.),dar azi am plecat pe autostrada si am mers chiar si cu 140 km/h si mie tot are rece in sufla,nici macar o tenta de aer caldut nu da. Ce credeti ca am facut ?am rupt ceva pe acolo sau a iesit vreun cablu ceva? este nasol rau sa merg acum iarna fara caldura...va rog sa ma ajutati si pe mine!!! Multumesc anticipat Link to comment
mikai24 Posted December 12, 2010 Share Posted December 12, 2010 (edited) am o problema la alternator zic eu, se aude dinspre el un harsait, so fi spart rulmentul? mantiionez ca acum 2 saptamani nu se auzea nimic in zona aia, si ieri am sesizat, am crezut ca e de la distributie, nu fluiera cureaua ci harsaie ceva in zona alternatorului si am turnat deva apa pe acolo sa racesc ternmoelementul carburatorului, dar imediat dupa reglarea lui nu a facut scandal, ci mai tarziu, e posibil sa fi ajuns aopa la el si sa il fi afectat cumva?! ( alternatorul este original al masinii de 10 ani) Edited December 12, 2010 by mikai24 Link to comment
Uncle-Sam Posted December 13, 2010 Share Posted December 13, 2010 @zeno: uita-te pe dedesubt in stanga consolei si ai sa vezi ca ai niste cabluri care actioneaza comenzile aerului. Mai mult ca sigur ti-au iesit Link to comment
zeno Posted December 13, 2010 Share Posted December 13, 2010 multumesc frumos...o sa ma uit si o sa revin cu detalii Link to comment
lughy Posted December 13, 2010 Share Posted December 13, 2010 Salutare!AM si eu o problema.Mi se descarca bateria in mers si imi sta si becul aprins in bord cel de la baterie.Am fost la electrician mi a masurat tot ce era de masurat la alternator si mi a zis ca trebuie schimbat regulatorul de tensiune(nu a stiut ce valori tr sa aiba ala).Am schimbat regulatorul si surpriza tot asa face .Am vazut ca in regulatorul acela intra o mufa cu doua fire...eu am doar un fir care intra acolo.unul albastru si mai e unul negru dar acela e taiat si nu duce nicaieri?sa fie din cauza acelui fir ?La borne am 11.5 V cu faruri,aeroterma pornita,casetofon Link to comment
ToPser Posted December 13, 2010 Share Posted December 13, 2010 (edited) Pai sunt doua fire ,pe unul vine 12 V(alimenteaza regulatorul de tensiune )dupa contact ,si celalant merge la becul din bord ! PS Sigur ai mers la un electrician ? Edited December 13, 2010 by ToPser Link to comment
lughy Posted December 13, 2010 Share Posted December 13, 2010 (edited) dap, dar am demontat eu alternatorul acasa ca bineinteles lui ii era lene...deci e posibil sa nu alimenteze cu 12v la contact si de aceea sa nu incarce??? , Edited December 13, 2010 by EM!L Nu mai cita integral mesajul anterior! Foloseşte AddReply sau FastReply din partea de jos a paginii şi majusculele acolo unde se impun. Link to comment
lughy Posted December 13, 2010 Share Posted December 13, 2010 (edited) E posibil sa fi schimbat si regulatorul ala degeaba mai e si scump al naiba ...Acum toate treaba e de unde trag eu fir acolo cu 12V pe el la contact?si la care dintre fire sa l pun ,la cel negru sau la cel albastru? E posibil sa fi schimbat si regulatorul ala degeaba mai e si scump al naiba ...Acum toate treaba e de unde trag eu fir acolo cu 12V pe el la contact?si la care dintre fire sa l pun ,la cel negru sau la cel albastru? sau mai bine...in partea de jos a mufei sau in partea de sus? Edited December 13, 2010 by EM!L Nu mai cita integral mesajul anterior! Foloseşte AddReply sau FastReply din partea de jos a paginii! Link to comment
ToPser Posted December 13, 2010 Share Posted December 13, 2010 Pai ce asa complicat? Unde este rupt firul?,banuiesc ca este rupt din papucul mufei tata! Foloseste un aparat de masura ! Link to comment
lughy Posted December 13, 2010 Share Posted December 13, 2010 Pai ce asa complicat? Unde este rupt firul?,banuiesc ca este rupt din papucul mufei tata! Foloseste un aparat de masura ! Pai mie nu mi a mers de la inceput..eu nu am avut de cand am luat masina fir acolo ...dar incarcam bateria pe redresor cand se descarca si la drumuri scurte ma tinea si 2 saptamani incarcata pana se descaraca dar becul statea mereu aprins in bord!Acum nu stiu la care fird de la mufa sa duc curet de 12V...la cel de jos sau la cel de sus cum intra in regulator... Link to comment
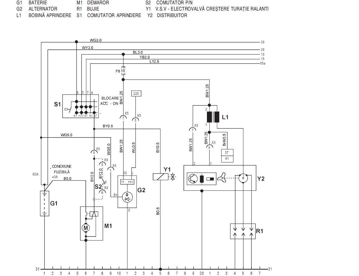
b52jgp Posted December 13, 2010 Share Posted December 13, 2010 (edited) Foloseste schema de mai jos - sper ca se mai vad inscriptiile de pe releu Edited December 13, 2010 by b52jgp Link to comment
lughy Posted December 13, 2010 Share Posted December 13, 2010 Foloseste schema de mai jos - sper ca se mai vad inscriptiile de pe releu Ms dar nu mi pot da seama Link to comment
b52jgp Posted December 13, 2010 Share Posted December 13, 2010 In primul rand foloseste butonul de "Add Reply" din josul paginii nu mai da reply la mesajul anterior sau sterge continutul scris inainte, doi la mana ai acolo G2 acela este releul alternatorului, si are asa: E - fir de masa (negru), B+ - fir de plus continuu de la baterie (alb cu dunga verde), IG merge la contact (negru cu dunga alba), si mai ai un fir L (alb cu dunga albastra) - tu pe care il ai taiat? Link to comment
lughy Posted December 13, 2010 Share Posted December 13, 2010 IG merge la contact (negru cu dunga alba), si mai ai un fir L (alb cu dunga albastra) - tu pe care il ai taiat? Astea doua ma intereseaza ...eu in mufa am unul albastru si unul negru...cel negru il am taiat si nu vine nimic la el! Link to comment
b52jgp Posted December 13, 2010 Share Posted December 13, 2010 Este negru simplu sau mai are vreo dungulitza pe el? Si cand spui ca il ai taiat si nu vine nimik pe el te referi la faptul ca ai masurat pe el cu un aparat de masura si nu indica nimik sau la altceva? Link to comment
lughy Posted December 13, 2010 Share Posted December 13, 2010 da este negru simplu(asa pleaca din mufa) .Nu am masurat cu nimic,doar am precizat ca la el nu vine nici un fir Link to comment
b52jgp Posted December 13, 2010 Share Posted December 13, 2010 Daca este negru simplu mai mult ca sigur este fir de masa Link to comment
Recommended Posts
Create an account or sign in to comment
You need to be a member in order to leave a comment
Create an account
Sign up for a new account in our community. It's easy!
Register a new accountSign in
Already have an account? Sign in here.
Sign In Now