bella Posted December 13, 2010 Share Posted December 13, 2010 A inceput sa se intample si mai des. Mai exact, azi dimineata a pornit la a 5-a cheie. La primele 4, aceeasi problema, acelasi zgomot...se invarte electromotorul dar nu invarte motorul. Mai mult, sambata am avut ceva probleme pe GPL si s-a cam inecat si actionand demarorul, primele 2 secunde invertea motorul si dupa aia probabil sarea bendix-ul de pe coroana deoarece se auze exact ca atunci cand nu porneste. Daca ar fi furca rupta nu ar trebui sa nu mai porneasca deloc? Bendix este acelasu lucur cu "cuplajul unisens" din manual? Este imposibil de demontat electromotorul daca nu dispun de rampa/canal? Multumesc anticipat. Link to comment
Dj_Dark Posted December 13, 2010 Share Posted December 13, 2010 (edited) 1) Ba da. La tine sigur se rezolva cu vaselina pe axul pinionului. Se observa din schema arcul dintre furca si pinion care preia miscarea furcii daca pinionul e blocat. Este totusi posibil sa fie rupt, caz in care iti trebuie altul si nu stiu daca se gaseste separat. 2) Nu, cuplajul unisens este exact ce se aude, motorul cand porneste are viteza mai mare decat demarorul astfel pinionul se poate invarti liber intr-un sens pentru a proteja demarorul pana la decuplarea lui. Sper ca s-a inteles ceva . Este un mecanism similar unui cricket de tubulara in mare. 3) Se poate demonta in orice loc unde ai loc sa te bagi pe sub masina, e singurul loc pe unde iese. Are 2 suruburi de prindere. Edited December 13, 2010 by Dj_Dark Link to comment
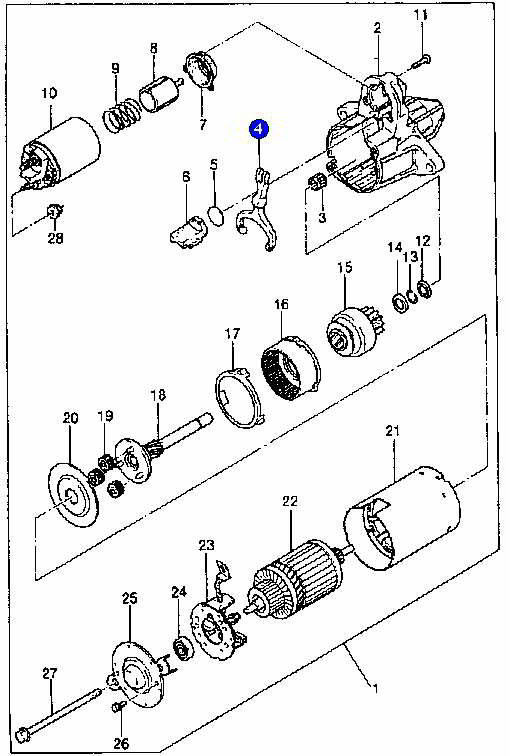
bella Posted December 13, 2010 Share Posted December 13, 2010 (edited) DJ, in primul rand multumesc pt detalii. Totusi, nu prea am inteles partea cu cuplaj unisens/bendix. Mie din schema nu-mi par a fi doua piese diferite. La fel nu am inteles in prima fraza la ce te referi ca ar putea fi rupt...la furca? Ma bucur ca se poate demonta fara a fi necesara rampa sau canal caci in cazul ala ar fi trebuit sa cotizez la service. Later Edit... Am inceput sa caut piesele si deja apar intrebari... -electromotorul este coorean sau valeo(se pare ca difera furca) -imi trebuie bendix cu sau fara reductor -placa cu perii(as vrea sa o schimb si pe ea daca tot umblu in zona) este pe suport metalic sau plastic. Asadar, daca aveti idee luminati-ma. Multumesc. Edited December 13, 2010 by bella Link to comment
Dj_Dark Posted December 13, 2010 Share Posted December 13, 2010 La espero cel original are reductor 1/2 planetar cu 3 sateliti (aici am vrut sa ma dau destept ). Adica la 2 ture de rotor ai o tura la pinion. Presupun ca asa e si la cielo. Placa e pe suport metalic din ce stiu eu. Bendix-ul nu am stiut niciodata exact la ce se refera mecanicii. Ori e doar pinionul, ori tot ansamblul (capul electromotorului), nu stiu. Partea cu furca ignor-o, ia in considerare doar ultimul post in afara de asta. PS. Se pare ca va trebui sa desfaci electromotorul bucati, dupa aia te duci la magazin si cumperi ce-ti trebuie din pacate. Link to comment
bella Posted December 14, 2010 Share Posted December 14, 2010 (edited) Am dat comanda la Autodaewoo de piese(bendix, perii si furca). La ei, conform codului de pe site bendix-ul arata asa. In manualul de Cielo in schimb arata ca in imaginea de mai jos(se observa acel arc). Care este, daca stiti, varianta corecta pentru masina mea? Dupa cum se observa nici reperul 13 nu se gaseste in imaginea aferenta codului de pe site-ul Autodaewoo. Merci. Edited December 14, 2010 by bella Link to comment
bella Posted December 16, 2010 Share Posted December 16, 2010 (edited) Mi-au venit piesele. Sper ca in week-end sa ma apuc de schimbat. Cei care ati mai schimbat...furca este din plastic? L.E.Atat furca cat si bendixul comandate arata ca in imaginea asta.Acuma sa speram ca cei de la Autodaewoo nu au gresit tocmai acum. Edited December 16, 2010 by bella Link to comment
bella Posted December 20, 2010 Share Posted December 20, 2010 Revin cu detalii... Am schimbat in week-end bendix-ul, furca si periile. Niciuna dintre componente nu necesita inlocuitre la inspectia vizuala dar totusi le-am schimbat. Am verificat solenoidul si se misca usor la mana...l-am gresat putin cu vaselina siliconica dar nu l-am demontat. Problema a ramas intacta si chiar s-a agravat. Mai exact, atunci cand dau la cheie si prinde ok bendix-ul, incepe sa invarta mortorul si pentru aproximativ 0,5-1 sec chiar inainte ca acesta sa porneasca face acelasi zgomot ca atunci cand nu prinde bendix-ul(veztitul zgomot de polizor). Vreo parere? Link to comment
Dj_Dark Posted December 20, 2010 Share Posted December 20, 2010 (edited) Vezi coroana de pe volant cum arata. Functionalitatea electromotorului ai verificat-o inainte sa-l remontezi pe masina? Edited December 20, 2010 by Dj_Dark Link to comment
danutza Posted December 20, 2010 Share Posted December 20, 2010 (edited) Coroana uzata? Scuze am postat odata cu DJ Edited December 20, 2010 by danutza Link to comment
bella Posted December 20, 2010 Share Posted December 20, 2010 Nu, nu am verificat functionalitatea inainte. Coroana se poate inspecta vizual fara demontare?...eu nu prea vad cum. Ma gandesc totusi sa nu fie o problema de la contactul electric. Link to comment
argon Posted January 6, 2011 Share Posted January 6, 2011 AI rezolvat pana la urma? Poate sa expuna cineva pe scurp procedura de demontare a electromotorului la 1.8? adica pe sus, pe jos, ce demontez sa ajung la el? Problema: Cand pornesc face un tzac si gata, liniste, din a patra incercare invarte normal si porneste, de la ce o fi? Link to comment
Costi VLN Posted January 6, 2011 Share Posted January 6, 2011 AI rezolvat pana la urma? Poate sa expuna cineva pe scurp procedura de demontare a electromotorului la 1.8? adica pe sus, pe jos, ce demontez sa ajung la el? Problema: Cand pornesc face un tzac si gata, liniste, din a patra incercare invarte normal si porneste, de la ce o fi? Tare's curios sa aflu si eu cauza. Eu asa am cumparat masina,cu problema mentionata mai sus drept pt care am schimbat carbuni,starter,verificat si curatat conectarea firelor,mai concret sa nu fie oxidate,iar problema persista.Asta doar iarna,cand motorul e rece.La fel tac de 3-5 ori dupa care o ia.O mai ia si din prima insa mai rar,vara merge perfect. Cineva zicea de modulul electric al electromotorului,insa nustiu ce sa zic,ce treaba are cu frigul? Link to comment
argon Posted January 6, 2011 Share Posted January 6, 2011 Exact, de cand cu frigul, si doar dimineata, cand e mai cald o ia imediat si dimineata. Link to comment
tolin Posted January 6, 2011 Share Posted January 6, 2011 (edited) ... Cineva zicea de modulul electric al electromotorului,insa nustiu ce sa zic,ce treaba are cu frigul ? Modulul "electric" are componente semiconductoare in el ? Tensiunea bateriei depinde de temperatura ? Edited January 6, 2011 by tolin Link to comment
argon Posted January 6, 2011 Share Posted January 6, 2011 Deci cum se da jos alectromotorul ala? ca nu mai porneste deloc, face doar tzac...si nici impinsa nu cred ca am cum sa o pornesc.. Link to comment
bella Posted January 6, 2011 Share Posted January 6, 2011 Vezi la tine sa nu fie contactul electric. Apropos, la mine s-a rezolvat in service cu inlocuirea cu unul nou. Toata distractia, 580RON. Link to comment
argon Posted January 6, 2011 Share Posted January 6, 2011 Cu un ce nou? electromotor cu totul? Si as putea cumva sa vad daca e contactul de vina? Simptomele sunt, pun contactul, stau sa se stinga ce trebuie pe acolo, si dau la cheie, face tzac, deci arunca benzixul, dar nu invarte deloc, sa fie carbunii? Link to comment
Dumitru Cristian Posted January 6, 2011 Share Posted January 6, 2011 Il dai jos, il desfaci... verifici stator, rotor, carbuni, bendix... dupa te arunci la altul nou. Pentru demontare: Se demonteazã sau se deconecteazã 1) Cablul de la borna negativã. 2) ªurubul superior al demarorului. 3) ªurubul inferior al demarorului. 4) Cablajul electric al demarorului. 5) Ansamblul demarorului. Link to comment
argon Posted January 6, 2011 Share Posted January 6, 2011 Asta am vazut in manual, dar pe unde ajung eu la el sa desfac suruburile alea? Link to comment
Costi VLN Posted January 6, 2011 Share Posted January 6, 2011 Cel mai bine faci operatia de demontare pe dedesupt,insa pe vremea asta,brrrrr. Link to comment
bella Posted January 6, 2011 Share Posted January 6, 2011 Nu stiu cum e la Espero dar la Cielo clar nu merge decat pe dedesupt. Mergi totusi la electrician sa iti verifice contactul inainte. Eu am patito la vreo 70.000 Km si o perioada porneam masina ca hotii, folosind 2 fire. Link to comment
argon Posted January 6, 2011 Share Posted January 6, 2011 (edited) Deci e posibil sa nu lase contactul sa treaca cata zeama trebuie, si cupleaza bendixu si atat? Cat tin cuplat fara se intample nimic nu suge prea mult din baterie, farurile daca le las aprinse nu scad in intensitate.. Sper sa fie contactul, pe dedesubt nu am cum sa ma bag unde e acum, iar de dus in alta parte e complicat, nu cred ca se poate porni prin tractare daca are cutie automata PS: e complicata metoda de pornire cu fire ca hotii? macar asa as vedea daca e contactul sau nu.. Edited January 6, 2011 by argon Link to comment
Costi VLN Posted January 6, 2011 Share Posted January 6, 2011 (edited) Mai bine,daca nu stii,nu te incurca cu fire.Un conctact nou,ma rog piesa electrica ce vine in capul acestuia e ieftin.Sigur vei avea nevoie de el altadata daca il ei de pomana.Daca erai din Bucuresti aveam eu unul sa facem proba. Eu,cand m-a lasat acest contact electric nu facea tac,era mut,dadeai la automat si nu facea nimic,nici un zgomot. Edited January 6, 2011 by velican_costi Link to comment
argon Posted January 6, 2011 Share Posted January 6, 2011 Astept sa se dezghete intai, cica pe maine vin temperaturi cu +, ma gandeam ca poate fi si un senzor de pe la cutie, sa creada calculatorul ca e in D de exemplu desi e in P, si sa nu dea verde pentru pornire.. Link to comment
Dj_Dark Posted January 7, 2011 Share Posted January 7, 2011 Domnu' ia citeste tu te rog pagina 2 si hai sa nu facem si topicul asta de 20 de pagini 2 Link to comment
Recommended Posts
Create an account or sign in to comment
You need to be a member in order to leave a comment
Create an account
Sign up for a new account in our community. It's easy!
Register a new accountSign in
Already have an account? Sign in here.
Sign In Now