freemind Posted May 20, 2005 Share Posted May 20, 2005 Post 1: Sal baieti... daca tin minte din copilarie, intr-o revista Tehnium (sic!) am vazut o schema de montaj electronic pentru un turometru... dar unde o fi colectzia ???? poate cineva, pe Maica Domnului, daca are drum sa intrebe la Connex Electronic, aia au toate dragaliile din lume... poate ajung eu, si asa am nevoie de un cooler 80mm... Post 2: Turometrul descris in acest articol are o constructie simpla, folosind ca indicatoare LED-uri. El poate lucra si cand se foloseste aprinderea clasica si cea electronica. Turometrul are si posibilitatea masurarii turatiei la relantii. DATE TEHNICE Tensiunea de alimentare: 12 - 14 V Limita de masurare - 6000 rot/min (1200 rot/min) Precizia de masurare - 500 rot/min (100 rot/min) Consum - 165 mA Pentru ca montajul sa poata lucra si in cazul aprinderii electronice si in cazul aprinderii clasice, la intrare avem circuitul R1D1, care protejeaza montajul si limiteaza impulsurile la o valoare constanta. Apoi impulsurile sunt aplicate prin circuitul R2R3 in baza tranzistorului T1. Rezistorul R2 protejeaza baza lui T1, iar R3 blocheaza tranzistorul in momentul cunt pe baza nu exista impulsul pozitiv. Condensatorul C1 evita deschiderea tranzistorului la impulsuri cu frecventa mai mare de de 300 Hz, evitand posibilitatea deschiderii de catre impulsuri false care ar putea aparea la ruptor-distribuitor. Tranzistorul T1 formeaza etajul de comanda a circuitului integrat CL1. CL1 are nevoie pentru comanda de un impuls negativ care in cazul nostru se formeaza la deschiderea lui T1, cand C2 este pus la masa. Datorita faptului ca C2 este descarcat in starea de repaus a lui T1, apare pe terminalul 2 al lui CL1 un scurt impuls negativ si C2 incepe sa se incarce prin R5. La blocarea lui T1, C2 se descarca prin combinatia seric R5 - R4. Dupa acest comutator de intrare urmeaza convertorul tensiune-frecventa format dintr-un circuit basculant monostabil si un circuit de integrare. Componenta de baza a circuitului basculant monostabil este circuitul bE555, care lucreaza cu o constanta de temporizare dictata de elementele C4 si R6 dupa formula t = 1,2 C4 x R6. S-a ales constanta t=3,6 ms, care corespunde unei frecvente de aproximativ 280 Hz. Prin aceasta s-a micsorat riscul de comanda falsa. Condensatorul C3 se foloseste la filtrarea tensiunii interne de referinta a lui CL1. La iesirea lui CL1 este circuitul de intrare R7-C7, tensiunea pe C7 fiind direct proportionala cu frecventa de la intrare (turatia motorului). Etajul urmator reprezinta etajul de afisare, care in functie de tensiunea pe C7 aprinde progresiv 12 LED-uri. Circuitul este montat dupa indicatiile din catalog. Rezistoarele R9 si R11 formeaza divizorul tensiunii de referinta pentru CL2. In schema este reprezentata punctat posibilitatea conectarii in cazul cand vrem sa schimbam gama de masurare (pana la 1 200 rot/min), gama pentru reglajele de relanti. Tensiunea de alimentare si tensiunea de referinta pentru CL2 sunt stabilizate cu dioda Zener D2 compensata termic de catre D3. Pentru functionarea circuitului basculant monostabil stabilizarea nu are nici un efect, ea fiind necesara pentru ca tensiunea de pe C7 sa nu depinda de tensiunea de alimentare. REGLAJ Pentru reglajul turometrului avem nevoie de o sursa de 12 V si un generator AF. Generatorul se leaga la turometru prin intermediul circuitului din fig. 2. In locul lui R9 se leaga un potentiometru semireglabil de 15 kW, care se va regla astfel ca LED-urile sa lumineze progresiv, conform tabelului. ---------------------------------- TURATIA f(Hz) (rot/min) ---------------------------------- 500 16,7 1000 33,3 1500 50,0 2000 66,7 2500 83,3 3000 100 3500 117 4000 133 4500 150 5000 167 5500 183 6000 200 ---------------------------------- Tabelul este valabil pentru motoarele in 4 timpi (Dacia, Skoda etc.). Dupa reglaj se masoara potentiometru semireglabil si se pune in loc un rezistor de acea valoare. La fel se procedeaza si pentru reglarea lui R10 la turatia de relanti. LISTA DE PIESE R1=820 W; R2, R3=12 kW; R4=5,6 kW; R5=22 kW, R6=220 kW; R7=270 W; R8=120 W/0,5 W; R9=8,2 kW (vezi textul); R10=1,5 kW (vezi text), R11=15 kW; R12=10 W/2 W; R13=82 W; C1=150 nF; C2=22 nF; C3=10 nF; C4=20 nF; C5=20 mF/25 V; C6=20 mF/25 V; C7=200 mF/25 V; T1=BC108; T2=BC107; D1, D2=PL5V1Z; D3, D4, D5=1N4001; D6=PL12Z; CL1=bE555; CL2=A277D Autor: ing. Dragos MARINESCU Revista Tehnium 1/1989 daca materialul contravine drepturilor de autor, imi cer scuze... este din revista Tehnium, asa cum am specificat. las electronistii de pe site sa-si dea cu parerea. Link to comment
Zmeul cel rau Posted May 22, 2005 Share Posted May 22, 2005 Numai eu am problema ca nu se incarca schema cand fac clic pe ea? Link to comment
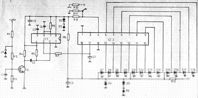
Abram Burel Posted May 22, 2005 Share Posted May 22, 2005 fftopic: Ai dreptate, nu mai merge. Au fost doua posturi consecutive, aproape identice. Probabil ca la lipire s-a intamplat ceva. Link to comment
freemind Posted May 22, 2005 Author Share Posted May 22, 2005 Am vazut si eu... nu-mi dau seama ce s-a intamplat... mai incerc o data Link to comment
priest Posted June 18, 2005 Share Posted June 18, 2005 poate realizeaza cineva montajul si ne face si noua contracost desigur...s-a mai vorbit undeva insa in cele din urma nu stiu daca s-a si materializat... Link to comment
acorbo Posted February 7, 2006 Share Posted February 7, 2006 Sorry , can you tell me in english what is this forum ? Many thanks. Link to comment
sorin77 Posted February 7, 2006 Share Posted February 7, 2006 (edited) Pentru cei care doriti un turometru acceptabil, eu va recomand cu caldura modelul de mai jos Aici gasesti de cumparat TUROMETRU ANALOGIC AUTO CU 20 LED -http://www.adelaida.ro * in momentul asta costa 52,60RON. Spun din experienta proprie, am cumparat un astfel de turomteru si l-am montat pe o Skoda Felicia (puteti comanda si pe net sau prioripost -sunt baieti seriosi). La Felicia, mi l-am montat singur si de cca 2,5 ani functioneaza fara nici un fel de problema. Am fost foarte multumit de alegerea facuta. aici gasesti Manualul de montare Mi-a placut ideea, cu turatie pe LED-uri, mai mult decat sa imi pun un turometru full digital. Vedeti poza atassata. Singurul dezavantaj real pe care il are montajul, este ca nu isi reduce luminozitatea LED-urilor atunci cand se intuneca. LED-urile fiind setate la o luminozitate constanta (totusi nederanjanta noaptea) -dar acum depinde fiecare unde decide sa si-l amplaseze. Pentru cei care mai cautati alte montaje, vedeti tot pe pagina lor de web, ca mai gasiti o gramada de questii gata facute. ...Si totusi daca vreti neaparat versiunea voastra de turometru, si vreti sa il confectionati singuri, eu va doresc succes. In tot cazul dupa ce il realizati puneti mai fratiilor niste poze sa vedem cum v-a iesit, amplasare in masina, etc ... >- Edited February 7, 2006 by sorin77 Link to comment
Zerro Posted February 7, 2006 Share Posted February 7, 2006 Cu scuzele ca ma repet ... insa aici se poate vedea ca s-a realizat totusi cava ... aici aici Turometru digital are urmatoarele functii: - Posibilitatea de setare a tipului de motor (2 timpi - 4 timpi) - Posibilitatea de setare a numarului de pistoane (2 - 10 pistoane) - Afisarea numerica a turatiei cu o eroare de +/- 5 rot/min - Afisarea turatiei sub forma unui progressbar (rigleta de led-uri) cu posibilitatea setarii valorii turatiei la maximul progressbar-ului - Afisarea tensiunii bateriei - Afisarea temperaturii din habitaclu (din pacate doar in intervalul 0 - 99 *C) - Modificarea refresh-ului de afisare a datelor (de cate ori pe secunda se face reactualizarea datelor) - Shift Sound cu 2 posibilitati de presetare: Economic, Sportiv (si implicit posiblitatea de dezactivare a ShiftSound-ului). In modul Shift Sound se pot seta: - Turatia optima de schimbare a treptei de viteza (suparioara si inferioara) - Pentru ficare dintre cele 2 stiluri (Economic, Sportiv) se pot seta intervalele admisibile (turatia optima +/- intervalul) Toate aceste setari ale parametrilor se fac prin intermediul unui calculator conectat pe portul serial la respectivul device. Mai trebuie precizat ca respectivul turometru se conecteaza la borna (+) a bobinei de inductie. Link to comment
guru Posted February 7, 2006 Share Posted February 7, 2006 Pentru Matiz euro 3 a rezolvat cineva problema turometrului ? Unde se poate lega? . La Cielo euro 3 la ce este cuplat ? Link to comment
Recommended Posts
Create an account or sign in to comment
You need to be a member in order to leave a comment
Create an account
Sign up for a new account in our community. It's easy!
Register a new accountSign in
Already have an account? Sign in here.
Sign In Now