mike.b Posted March 23, 2005 Share Posted March 23, 2005 in ce zona ai pus montajul? direct la plafoniera...l-ai legat direc la usi?? Link to comment
laurentziu83 Posted March 23, 2005 Share Posted March 23, 2005 (edited) la plafoniera, intr-o punda de plastic cu fermoar (in care imi dadusera piesele la magazin. firul negru l-am legat la surubul de masa de la plafoniera iar firul rosu prin gaura de la tablita de minus a becului. din schema, dupa cum se vede, se pot elimina 2 rezistente (puse in paralel) si se va monta numai cate una echivalenta. dar cred ca voi va pricepeti mai bine si va dati seama despre ce este vorba, se vad clar culorile rezistentelor. @Andrei: eu plec maine dimineata acasa la Galati asa ca pot sa te ajut cu schema asta doar de luni incolo. Edited March 23, 2005 by laurentziu83 Link to comment
Abram Burel Posted March 24, 2005 Share Posted March 24, 2005 Montajul ala e chiar misto de turnat in rasina epoxi si pus atarnat de oglinda pe post de anti-radar. Sa vezi ce distractie ar fi cu politaii. Mai pui si un intrerupator "de usa" suplimentar ascuns si, daca te opresc, ii pui sa puna "tunul" pe tine si apesi intrerupatorul, se aprinde plafoniera. Crapa, nu alta! Link to comment
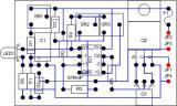
Abram Burel Posted March 24, 2005 Share Posted March 24, 2005 N-am mai avut rabdare si am ouat schema de mai jos. Semireglabilii sunt necesari in functie de optiunile de ajustare dorite, astfel: SR1 - temporizare inainte de aprindere (!); daca lipseste (scurt) aprinderea porneste imediat ce se deschide usa (inchide S1) SR2 - temporizare la stingere; se poate inlocui cu o rezistenta de valoare corespunzatoare feeling-ului) SR3 - durata aprinderii (!); daca lipseste (scurt) se aprinde imediat SR4 - durata stingerii; se poate inlocui cu o rezistenta de valoare corespunzatoare feeling-ului) SR5 - intensitate luminoasa finala; probabil ca e de dorit sa fie "full" pentru a micsora puterea disipata pe Q1 si deci incalzirea si deci se va inlocui cu o rezistenta de valoare corespunzatoare E posibil sa fie nevoie de un tranzistor suplimentar pentru a "ataca" Q1 in cazul unor becuri mai mari (depinde de caracteristicile lui Q1). Oricum, in configuratia asta, pentru varianta "entry level" (numai rezistente) valoarea componentelor e de circa 50K. Daca se face "la punga" mai conteaza doar munca, daca se face "la cutiuta" probabil ca se mai adauga ceva pentru plasticaraie si altele. Mai interesante ar fi variantele de "tuning". Adica se ia plafoniera de masina cutarica si se face montajul in ea cumva-cumva. Ar mai fi de vazut maniera exacta de interconectare pentru minimi de interventie la instalatia electrica. Cu exceptia firului de la contact (care e optional, nu-i asa?) totul se poate face cu ceea ce e disponibil la plafoniera. Cred ca se poate utiliza aceiasi schema "externa" de la primul post. De incercat, asa cum am zis, de-abia in weekend. Asa ca, pana atunci, poate mai aveti vreo sugestie sau reclamatie. Dar nu ma intrebati daca merge. Teoria zice ca da. Valori inca n-am calculat. Link to comment
SORAN Posted March 24, 2005 Share Posted March 24, 2005 Eu am avut prima schema cu valori cu tot luata de undeva, gandita facuta pe textolit cu toate piesele si nu functiona o sa ma mai uit sa vad daca sunt doritori o sa o rezolv cumva... Link to comment
tico_RS Posted March 24, 2005 Share Posted March 24, 2005 vroiam de multicel sa fac chestia asta asa ca luati-ma in calcul, deja bag lovele la ciorapelul meu inmiresmat! Link to comment
NFS Posted March 24, 2005 Share Posted March 24, 2005 M-as baga si eu la doritori, daca nu considerati o impertinentza prea mare. [-O Link to comment
Vlad Posted March 24, 2005 Share Posted March 24, 2005 si eu si eu eu cu nfs o sa fim beta-testeri Link to comment
tico_RS Posted March 24, 2005 Share Posted March 24, 2005 si eu ce am ma? deja vad ca o puneti de o mioritza! just kidding! Link to comment
laurentziu83 Posted March 24, 2005 Share Posted March 24, 2005 si diferenta fata de schema veche, cea, pe care am montat-o eu deja pe masina care este? Link to comment
Abram Burel Posted March 27, 2005 Share Posted March 27, 2005 Aaaashaaa. Avem si al doilea experiment. Este aproximativ schema prezentata anterior (voi reveni mai tarziu cu schema finala). Mai jos aveti pozele machetei de test. Inca nu e un "prototip". Asta va fi ceva mai mic (decat suprafata actuala acoperita de piese, macheta am facut-o cu ce-am gasit prin casa). Planul optimist ar fi cam asa: - azi definitivez schema (o si public pentru amatorii de lipituri) - maine la intoarcerea acasa trec pe la Conex si iau piese pentru 5 prototipuri - marti-miercuri le asamblez - joi, daca mai sunt amatori, le livrez Evident, necunoscute sunt caile Domnului, asa ca cine stie ce se mai poate intampla (daca se intrerupe iar curentul?). Link to comment
laurentziu83 Posted March 27, 2005 Share Posted March 27, 2005 Abramburel, dar nu ne-ai spus in cat timp se stinge de tot becul. La mine e 5.7 secunde. Si nici diferentele fata de schema cea veche. Schema ta pare mai complicata. Link to comment
NFS Posted March 27, 2005 Share Posted March 27, 2005 - joi, daca mai sunt amatori, le livrez Eu sunt unul din amatori. Zi si-un pret sa stiu ce vind de prin casa! S-a dat ora inainte, pe la 8 inca mai e ceva lumina, crezi ca reusim sa-l si montam? Sau sa vin mai devreme? Link to comment
hitman Posted March 27, 2005 Share Posted March 27, 2005 Subscriu la ce a zis NFS. >- Link to comment
tico_RS Posted March 27, 2005 Share Posted March 27, 2005 deja am adunat cateva lucruri de valoare, si urmeaza sa impachetez televizoru' ... bafta! sunt cu gandul alaturi de tine! S"> Link to comment
NFS Posted March 27, 2005 Share Posted March 27, 2005 He he )"> , deja ne-am strins 4! AbramBurel, io zic sa fii atent pe unde pitesti montajul tau! Link to comment
Abram Burel Posted March 27, 2005 Share Posted March 27, 2005 Temporizari: - la stingere (bec aprins "full" dupa inchiderea usii): 0-40 sec ("semi-reglabila", sper sa multumeasca pe toata lumea) - stingere (durata stingerii progresive a becului): 0-5 sec ("semi-reglabila") Schema n-am publicat-o inca pen'ca am uitat fisierul la servici si trebuie sa o editez din nou (ma apuc acusica si o pun pana mai spre seara). Montatul ar trebui sa se faca usor. Fara optiunea de stineger fortata la contact (care nici nu cred ca o sa fie pe prototipuri), e nevoie de 3 fire: unul la + permanent, unul la masa si unul catre bec (care e legat la + permanent). Toate astea sunt disponibile la plafoniera. Din pacate habar n-am cum arata plafoniera la masinile voastre. S-ar putea plasa sub plasticele din jurul usii (presupun ca exista) fiind destul de mica (banuiesc ca o sa iasa ceva de genul 30x30x15 mm). Nu stiu daca va fi "ambalata" in ceva (doar daca dau peste vreo cutiuta minune). Despre pret, ma gandesc cam asa. Prototipurile costa pretul pieselor si materialelor (probabil pana in 50K) si o bere reeeeeceeee, "achitabile" dupa cel putin o luna de proba. Intre timp, mai vedem. De mers ar trebui sa mearga de la minus 25 grade (LM258). De incins nu se incinge. De pocnit, n-ar prea avea motive. Ca veni vorba ce putere au becurile de la voi? Eu am dimensionat treaba pentru maxim 20W. Ma apuc de schema. Link to comment
cchrism Posted March 27, 2005 Share Posted March 27, 2005 Becul de la plafoniera are 5W parca. Cel mai misto ambalaj ar fi niste rasina, sau chiar silicon. Dar nu stiu unde se poate gasi rasina. Link to comment
Abram Burel Posted March 27, 2005 Share Posted March 27, 2005 Gata schema. Mda, e parca mai complicata dar face ce mi-am propus. Smecheria e separarea temporizarii de durata stingerii. Pe schema din primul post exista si o perioada in care becul se stinge lent, dar asta e foarte scurta si efectul e insesizabil. Mi-am propus, asa de chi-chi sa fac o stingere lenta "anti-orbire". Cu preturile de la Conex face 51KLei, fara placuta de cablaj (pentru asta o sa iau una mai mare si o tai bucati. Montatul in silicon ar fi o idee (se gaseste si rasina, dar e mai scumpa si trebuie sa iei multa ca nu se gaseste decat de la 1l in sus), ca as face o matrita si l-as "turna" acolo. Ceea ce nu stiu este comportamentul electric (ar putea sa "fure" curent), termic (Q2 se incalzeste usor pe perioada stingerii) si chimic (ar putea ataca in timp partile metalice) al siliconului. Mai studiem. Link to comment
tyranus Posted March 28, 2005 Share Posted March 28, 2005 Daca tot va place sa experimentati incercati-o pe asta: http://www.mashhadkit.com/circuit/Dome%20l...0for%20Cars.htm Link to comment
Abram Burel Posted March 28, 2005 Share Posted March 28, 2005 (edited) Am luat azi vreo 40 de calorii. De ce? Am descoperit cea mai buna cutie pentru montaj. Se cheama "tic tac". Puteti chiar sa va alegeti culoarea. Am mai adaugat cateva mici ghidusii la schema: - o protectie la inversarea polaritatii la montaj sau alte accidente asemanatoare - un led (ce scula nu are cel putin un led? de fapt este util pentru reglaj) - un reglaj suplimentar (nici un reglaj nu e obligatoriu, dar pentru prototip e util) Am corectat o eroare (tip Q1) si ajustat niste valori dupa ce declarau cei de la Conex ca au pe stoc. Am facut si schema "cablajului". Cei doritori de senzatii tari au schemele atasate. Precum am spus, montajul va intra intr-o cutie de "tic tac". Asa ca apucati-va de rontait. Din pacate, o sedinta care nu se mai termina m-a oprit sa ajung la magazin. Dar maine de dimineata ma infiintez acolo. @tyranus: e simpla, ar trebui sa functioneze (doar temporizare, fara inchidere lenta). Am niste dubii cu 3055 si cine dracu mai lucreaza cu asa placinta? Edited March 28, 2005 by Abram Burel Link to comment
tyranus Posted March 28, 2005 Share Posted March 28, 2005 (edited) @abramburel : Citez din autor : "With this circuit, you can have our dome light fade slowly in brightness and finally go OFF." Cred ca nu este chiar o simpla temporizare. Era doar o optiune... Cat despre 3055 nu stiu ce sa zic ... se poate inlocui cu T-ul pe care l-ai pus tu ca final, nu crezi? Edited March 28, 2005 by tyranus Link to comment
tolin Posted March 28, 2005 Share Posted March 28, 2005 (edited) Am si eu citeva nedumeriri de principiu: - montajul nu trebuia sa aiba doar 3 conectiuni la plafoniera ? - comutatoarele de la usi nu sunt legate initial intre punctul A al comutatorului de la plafoniera si punctul B (masa) ? - montajul nu se leaga la + si se intercaleaza intre punctul A si firul de la comutatoarele de la usi ? - pentru montajul Darlington din final nu era mai bun un TIP ? - ce rol mai are SR1 ? Daca de el nu mai este nevoie, atunci se elimina si cele 2 diode. - dioda de protectie putea fi pusa in serie si atunci disparea sigurantza fuzibila ? - montajul asigura un timp de 15-20 sec., timp valabil pentru schemele OEM ? - montajul nu putea fi facut pentru a se integra in plafoniera ? - cat arde becul plafonierei la ce mai trebuie un led blio ? - nu trebuie facuta precizarea de utilizare a componentelor pentru regim industrial, avand in vedere gama larga de temperaturi din habitaclul unei masini ? Nu sunt carcotas, imi plac doar lucrurile simple. Pana acum am gasit 7 piese care pot fi eliminate. In rest, felicitari pentru schema si promptitudinea de raspuns. @tyranus > in schema trebuia ca acele comutatoare de la usi sa fie legate la masa, ele se mai folosesc si la sistemul de alarma. Edited March 28, 2005 by tolin_afc Link to comment
Recommended Posts
Create an account or sign in to comment
You need to be a member in order to leave a comment
Create an account
Sign up for a new account in our community. It's easy!
Register a new accountSign in
Already have an account? Sign in here.
Sign In Now