adyadrian
Membru-
Posts
17 -
Joined
-
Last visited
Content Type
Profiles
Forums
Events
Everything posted by adyadrian
-
Carucioarele au aparut abia dupa evenimentul nefericit, iar pozitia initiala a inelului nu era cea din foto, ci rasturnat in buza canalului. Reparatie suportata de Metro, cinste lor, dar as fi preferat sa nu fi fost cazul...
-
Sa va spun, intru eu cu Esperache al meu in parcare Metro, seara si ploaie. Exact cum intru incep sa ma uit dupa ceva locuri si ignor total traiectul masinii, cu coada ochiului vad ceva ce iese din asfalt destul de sus si aproape de mine, e deja prea tirziu sa mai fac ceva, in ultima clipa realizez ca e un canal. Un canal fara capac care avea doar inelul de sustinere (fier mult si greu) intors in gura canalului cam la 45 grade cu buza spre mine. L-am luat din plin, nu cu roata ci intre roti. Impact, soc, zgomote, trec de canal in inertia masinii. Ma dau jos, iau lanterna si constat: radiator ok, dar ulei sub masina, ma bag dedesubt si vad volanta, pinoane si alte chestii care trebuiau sa fie ascunse. Cutia de viteze rupta, brat roata indoit, volanta lovita si probabil descentrata, planetara smulsa cu tripoda sarita, suport spate motor indoit, tampoane motor rupte, saxofon sifonat...si alte amanunte. Deci mare atentie la canale!!!
-
Ma bag si eu oricind ar fi, numa sa nu faceti misto de masina mea care e cam neingrijita dupa iesirea din iarna...
-
Zgomot Ciudat La Relanti
adyadrian replied to expero 16V's topic in Probleme tehnice Cielo, Nubira, Espero, Leganza
E posibil sa fie de pe acolo, cam asa se aude, da' care e solutia, curat IAC si trece? -
Zgomot Ciudat La Relanti
adyadrian replied to expero 16V's topic in Probleme tehnice Cielo, Nubira, Espero, Leganza
Si la ea m-am gindit, dar repet, face zgomot numai la relanti. -
Zgomot Ciudat La Relanti
adyadrian replied to expero 16V's topic in Probleme tehnice Cielo, Nubira, Espero, Leganza
Pai la pompa de apa ma gindeam si eu da' treaba e ca a fost schimbata cu mai putin de 10 000 km in urma -
Zgomot Ciudat La Relanti
adyadrian replied to expero 16V's topic in Probleme tehnice Cielo, Nubira, Espero, Leganza
Fluierat, suierat, vajaiala...da' nu stiu ce e! -
Zgomot Ciudat La Relanti
adyadrian replied to expero 16V's topic in Probleme tehnice Cielo, Nubira, Espero, Leganza
Lucrurile stau cam asa, pornesc dimineata, comportare normala, merg o jumatate de ora pina se incalzeste un pic motorul si apare: la relanti se aude un soi de vajaiala la motor, undeva in partea dreapta a masinii. Cum o accelerej putin nu se mai aude, cind cade sub 1000 de ture si se opreste la relanti gata, incepe. Si se intimpla sa nu fie un zgomot constant... mai tace, mai apare...In rest totul e normal la masina, toate functioneaza corect, dar zgomotul ma pune pe ginduri. A mai dat cineva de zgomotul asta ciudat? -
Tot vad pe net treburi de genul MP3 player cu FM transmitter sau numai FM Transmiter pentru auto. Si la noi inca nu am vazut asa ceva pe piata dar tare mi-ar mai trebui! E o treaba care se baga la bricheta si fie bagi un USB Flash in el si el cina MP3 pe un canal radio la radioul deja aflat in dotare, fie are o intrare audio. Stie cineva o sursa pentru asa ceva? Adi
-
Armez Alarma Si Se Ridica Geamurile. Cum Fac?
adyadrian replied to adyadrian's topic in Electronică și software auto
E cam groasa treaba dar ma apuc, incep cu identificarea parametrilor de la alarma si apoi vad eu ce iese ! Multam tare fain de informatii! Va tin la curent... -
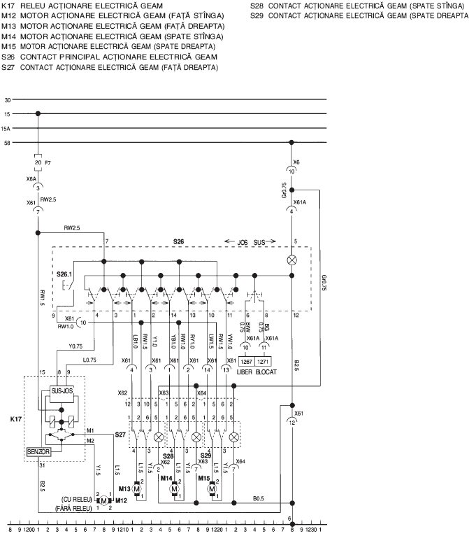
Problema: Pe masina am o alarma Eaglemaster CL 5100T care stie sa ridice geamurile la armare. Adica are o iesire (negativa) pentru asta care insa nu e cuplata nicaieri. As vrea sa fac in asa fel incit sa merga treaba asta mai ales caum ca vine vara si mai mereu uit geamurile deschise. M-am uitat eu in diagrama de la actinarea geamurilor dar nu prea am inteles ca fa fac eu cu minusul ala care iese de la alarma. Poate cineva mai priceput imi da ceva idei.
-
Am si eu un hobby care-mi maninca timpul si uneori si masina: zborul liber, si anume parapanta. Se zboara bine pe la noi pe la Bacau si in imprejurimi. Doar ca uneori ca sa ajungem in zona decolarii cu masinile mai trebuie sa facem si ceva reprize off-road . Oare se pune si asta ca hobby?
-
Lumini Bord Espero
adyadrian replied to thanandar's topic in Probleme tehnice Cielo, Nubira, Espero, Leganza
Eu am patit reaba asta in urma unui scurtcircuit pe la becurile din bord (le schimbam) si am ars ceea ce ce se cheama "releu iluminare". Se afla in cutia de rele auxiliare si parca e albastru. Treaba e ca nou consta vreo 700k si era greu de adus, asa ca mi-am bagat degetele dibace in el (nu e un releu ci o treaba electronica) si am dat de un tranzistor de putere ars. Cu 30k si letconul am rezolvat problema. Acum, nu stiu de ai acceasi problema, restul luminilor de interior se aprind? (pe la climatizare si butoanele de linga bord) -
Asa treaba am patit si eu la esperoiu meu si am dat faru jos, am scos motorasul de reglaj (se roteste antiorar si iese) si am avut surpriza sa constat ca in interiorul farului clema care actioneaza oglinda era rupta. Am scos clema si bucata rupta, le-al lipit cu ceva adeziv bun, juma' de ora m-am chinuit sa o fixez inauntru cu surubelu dar in final a mers! Deci da jos faru si trage un ochi in interior.
-
Nu stiu daca e bine (poate vede "organu" si prinde idei) da' sa mai aflam cum si unde putem ascunde magicul dipsozitiv. Am vazut la un amik detectorul ascuns sub plafoniera, intre cupola si tapiseria plafonului. Da, si io m-am gindit ca nu poa' sa merga acolo ca are tabla in fata da' functiona impecabil! Ei, treaba asta e pe un Ford Mondeo, eu am pras un oki la Esperake al meu si nu prea cred sa se potriveasca acolo!
-
Fratilor io nu mai pricep! Proaspat posesor de Esperoi si cu avint mucitoresc am dat cu okiu pe fire si am datu de forum. Treaba cu dimmer light m-a tras de atentie si cu ceva electronici ce mai stiu m-am apucat de incropit una bucata tictac (care e fara tictac) conform schemei. Si dai cu lipici si cu sclipici pin' a iesit ceva. De mers merge numa ca merge si cind nu trebe... Adicatelea deschid usa se aprinde (cu un pik de intirziere enervanta) inchid usa...se stinge progresiv dupa ceva timp. Merg si merg cu machina si la un momentu dat "shklantz" se lumineaza becu din senin si asa ramine pin dau io ceva comanda sa se aprinda si sa se stinga dupe care se stinge progresiv. Apoi se repeta figura! Da' oare unde am gresit ? Ha?....
