Jump to content

TUROMETRU!!! pentru Tico si Matiz


Recommended Posts

  • 1 month later...

Ca varianta la sumatorul celor 3 bobine de la euro3, nu s-ar putea face un triplor de impulsuri? Un circuit - n-am idee deocamdata cu ce anume - care pt un impuls de intrare sa scoata la iesire 3 impulsuri? Faptul ca ar veni in "pachete/trenuri" cat ar afecta un turometru digital? Dar unul analogic? Eventual ar putea fi variante cu 2,3,4... impulsuri la iesire sau montare ca divizor (asta stiu sigur ca se poate) ca sa fie compatibil cu tot ce misca... si etalonul de intrare la turometru sa fie 1 impuls/turatie.

Link to comment

nu sunt electronist, dar oricum impulsurile trebuiesc decalate, si decalajul sa scada proportional odata cu cresterea impulsului primar, pentru a nu da peste impulsurile ramase in urma.

 

asta e logica mea!! daca e gresita...ii dau eu o mama de bataie :)

 

baga sumator ...e asa de simplu!!

Link to comment
  • 1 month later...
... Ca varianta la sumatorul celor 3 bobine de la euro3, nu s-ar putea face un triplor de impulsuri? Un circuit - n-am idee deocamdata cu ce anume - care pt un impuls de intrare sa scoata la iesire 3 impulsuri? ...

Cred ca esti restant la ciclul Carnot, distributia directa de la Matiz emite 3 impulsuri la 2 rotatii. Asa ca, dispozitivul visat de tine trebuie sa inmulteasca cu 1,5 si nu cu 3.

Edited by tolin
Link to comment
  • 1 month later...
Cam asa arata cele 4 "ecrane" ale turometrului meu ... din pacate nu va pot arata decat LCD-ul pentru ca INCA nu am gasit mult ravnita cutie ...

 

Buna

Frumos proiect,fericitari!

Cateva nelamuriri as avea in legatura cu acest turometru.

Pt schimbarea afisajului(turatie,tensiune,temperatura) se utilizeaza acel buton?

unde se conecteaza senzorul de temperatura?si ce senzor ati utilizat?

Desenul in eagle, nul pot deschide...folosesc versiunea 4.16r2 pt linux(gratuit).

Postez o poza cu eroarea.

Multumesc

 

 

post-11559-1193252146_thumb.jpg

Link to comment
  • 2 weeks later...

As avea o intrebare in special pentru Zerro (si pentru oricine care se pricepe la programare):

- nu se poate rescrie softul la un telefon (Siemens A50, sau altceva din generatia lui) pentru a indica turatia motorului in timp real? In felul asta am rezolva problema tehnica si cea estetica rezonabil. Afisajul e iluminat si se poate "desena" un cerc din sectoare care sa indice (similar ceasurilor analogice) valoarea turatiei.

Eventual se poate face sa dea un bip la atingerea turatiei presetate pentru schimbarea treptei de viteza, doua bip-uri daca se depaseste valoarea cu 500rot/min, etc. Sau doua bipuri la turatia presetata si ton continuu la depasirea cu 500rot/min si peste.

Probabil se poate face sa indice si tensiunea pe baterie, nivelul benzinei in rezervor (mai exact decat ceasul din bord), etc.

Daca se ofera cineva sa face trebusoara asta, eu ofer un telefon pentru experimente si platesc manopera daca iese bine. :)

Multumesc mult.

Link to comment

He, he, he! Si sa transmita chestia asta si prin MMS (presupunand ca A50 stie asa ceva) ca sa vezi cu ce turatie umbla gagica, nevasta copilu' cu masina :D

E putin cam utopica propunerea, mai ales avand in vedere "utilajul" pe care se doreste implementarea.

N-am prea inteles chestia cu "rezolvarea problemei tehnice si estetice". Una la mana ca nu e nici-o problmea. Iei un turometru, il pui la masina si gata. Cea de-a doua e chiar mai acuta. Ce te face pe tine sa crezi ca lumea e indragostita dupa A50?!

Sa revin la subiect, atat cat ma pricep la programare (pentru ca... zero nu sunt :) ), ce ne facem daca-ti iei alt telefon?

Link to comment

Abrame, ce sa zic? Dragut... =D>

Ce te face pe tine sa crezi ca NU am alt telefon? Dimpotriva, tocmai asta e unul din motivele pentru care vreau sa folosesc "divaisul" asta ramas pentru muzeu.  <img src= )">

Da, ai dreptate, A50 nu stie MMS, dar cred (sper) ca procesorul lui ar putea gestiona parametrii propusi anterior, mai ales daca i se sterge softul initial si astfel in se elibereaza memoria.

Bineinteles ca ar trebui anulat modulul de emisie receptie radio, ca sa nu consume resurse in plus, ca, deh, tara e saraca si PIB-ul e mic... In aceeasi ordine de idei, de ce sa mai cumpar un turometru, daca chestia asta ar face acelasi lucru? Mai bine cumpar manopera cuiva care are si "intelighentzie". :thumbl:

Deci? Nu ma ajuta nimeni?

Link to comment
  • 4 weeks later...

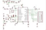
In sfarsit am reusit sa vizualizez fisierul pbc am utilizat programul Eagle LegaliZer dar dupa ce am deschis fisierul am ramas blocat,din mai multe motive.

- pbcul era dublu,care pt mine este greu de realizat.

- am eliminat partea de programare (ic max), mai bine il programez cu un programator extern.

- am gasit senzorul de temperatura (ce bleg am fost) dar pt mine nu este amplasat bine si am lasat doar locul pinilor pt senzor(vreau sa monitorizez temperatura interioara) vreau sa montez pe undeva in habitacul senzorul.

- din pacate eu am un display cu pini in linie(bareta) si in schema originala a fost amplasat cate 2.(nu doresc sami atarne 'mate' de aceea am adaptat pt alt tip de soclu).

- am atasat schema modificata in jpg pt ca nu este finalizat(trebuie sa mai ma uit peste el daca nu cumva ma gresit,daca cineva observa vro greseala il rog sa ma instiinteze) dar sper ca am sal termin cat mai curand si voi posta fisierele sur

sa+pdful cu desenul pbc. 

inca nu am realizat montajul + nu am nici softul pt procesor.

post-11559-1196168662_thumb.jpg

Edited by adamopel
Link to comment

Sal.

Am si eu un Matiz E3 pe care as vrea sa pun un turometru digital cu LCD. Mi-a placut turometrul lui Zero si am si eu o intrebare: dak cineva ar vrea sa faca rost de soft-ul scris in PIC are de unde??? k Zero nu prea a mai aparut pe forum de ceva timp. Sau dak e cineva dispus sa ma ajute la scrierea soft-ului cu cateva sugestii ... La partea de soft ma pricep si nu prea. Am incercat si eu si ink imi mai da batai de cap rutina de masurare a timpului intre 2,4,8,16 impulsuri cu CCP-urile. Plus de asta are cineva idee cum se face un bargraf pe LCD de genul celui facut de Zero. Eu lucrez in MikroC.

Multumesc!!

Link to comment

Am reusit sa termin modificarea schemei dar din pacate inca nu o pot testa, nu pot decat sa astept pana cineva de pe forum sau zerro o sa posteze fisierul pt programarea picului.Pana la urma am realizat si partea de programare dar separat(din cate am inteles zerro a facut un program pt setarile referitor la personalizarea turometrului)..doar 2 fire sunt necesare sa se conecteze si se poate programa.

Atasez schema+desenul pbc, a fost realizat in eagle + am exportat si in pdf pt a facilita utilizarea si de a nu necesita instalarea unui nou program.desenul PBC am incercat sa il realizez pe cat se poate pe o singura parte, a mai ramas cateva fire de tras (nu necesita realizarea pe placa dubla).

Turometru.zip

Link to comment
  • 2 weeks later...

@Darude ... dorinta ti-a fost indeplinita ... sa nu mai zici ca nu exista Mos Craciun ... :mrgreen:

 

@adamopel ... astept sa-mi raspunzi la PM sa vina si la tine mosul ... (vezi ca e o mica greseala in schema ... greseala pe care am si semnalizat-o undeva in posturile de dupa ce am pus arhiva cu schemele ... Rezistenta R1 de la MLCR nu e la masa ci la +5V ... raspunde la PM sa-ti dau schema corecta).

 

Scuze ... intr-adevar ... nu am mai intrat de ceva vreme ... dar totul s-a rezolvat ...

 

Toate cele bune!

Edited by Zerro
Link to comment

Mersi pt raspuns.

De cateva zile nu am intrat pe net.

Nu am citit pana la capat posturile si nu am observat schimbarea.

Dupa ce imi trimiti cele necesare am sa fac si modificarea la schema+vreau sa adaug si ceva modificari referitoare la pini de alimentare iluminat display ca pe la magazine se gasesc mai multe displayuri si care au acesti conectori invers.

am sa mai adaugand o 'gaora' pe traseul de alimentare la display doar trebuie intrerupt traseul original si tras un fir(nu stiu daca mati inteles, dar daca va confruntati cu ceva probleme,referitor la aceasta modificare am sa va ajut).

multumesc inca1x pt ajutor. :drinkers:

Link to comment
  • 1 month later...

ok,citesc de peste 2 ore cele 25 de pagini ale acestui forum.am un matiz euro 3 din 2007 si ma intereseaza un turometru.pana aici destul de simplu,nu?nu ma intereseaza partea  cu garantia,la nevoie, ma descurc f rapid :D ,ma intereseaza doar sa am un turometru.din cate realizez,cele mai bune sunt cele de la pilot,de pe accesorii-auto.ro si cel al lui zerro daca nu ma insel.e cineva dispus ,contra cost,sa faca toate operatiile legate de functionarea corecta a unui turometru.mentionez ca nu sunt tigan,nu o sa trag de pret! vreau doar sa fie treaba buna,si sa imi mearga bine,sa indice corect.

 va doresc multi km fara evenimente! :lavolan:

Link to comment

Turometrul de la Pilot functioneaza excelent, inainte l-am avut montat pe ticozaur. Acum il am montat pe matiz euro 3 impreuna cu sumatorul lui abramburel.

@bubulanu - daca erai din Gl te jutam cu cea mai mare placere, oricum e simplu de montat, numai daca ai sumatorul lui abramburel.

Edited by adostar
Link to comment
Turometrul de la Pilot functioneaza excelent, inainte l-am avut montat pe ticozaur. Acum il am montat pe matiz euro 3 impreuna cu sumatorul lui abramburel.

@bubulanu - daca erai din Gl te jutam cu cea mai mare placere, oricum e simplu de montat, numai daca ai sumatorul lui abramburel.

 

 

Eu sunt din Galati si as vrea sa montez un turometru, am matiz euro 2 si as vrea sa-mi spui si mie de unde ai gasit Pilot (pret) si cat de complicat este de montat, in conditiile in care eu sunt anti-talent total in ceea ce priveste electronica. Multumesc si sper sa aveti rabdare cu mie . :osanale: :beerchug:

Link to comment

ok,multumesc mult pt ajutorul acordat,insa pana in galati este mult de mers si nu cred k renteaza...daca este cineva prin constanta...sau bucuresti...inteleg ca am nevoie de sumator+ turometru+ mana de lucru..daca e cineva dispus astept orice semn de viata :D ...multumesc mult inca o data !multi km fara incidente! ! !

Edited by Mircea
Renunta la IRC si mai pune si ceva majuscule te rog.
Link to comment

Create an account or sign in to comment

You need to be a member in order to leave a comment

Create an account

Sign up for a new account in our community. It's easy!

Register a new account

Sign in

Already have an account? Sign in here.

Sign In Now
 

×
×
  • Create New...