-
Posts
132 -
Joined
-
Last visited
Content Type
Profiles
Forums
Events
Everything posted by nicubarbu
-
Pompa De Benzina
nicubarbu replied to ovi's topic in Probleme tehnice Cielo, Nubira, Espero, Leganza
Corect! Scuze pentru confuzie - eram prins de ideea in mare si am amestecat bornele. Oricum, punerea acelui contact la masa nu poate duce la deteriorarea pompei de benzina (practic ea ramine nealimentata) asa ca inclin sa cred ca doar tentativele repetate de a porni fara benzina au dus la arderea motorasului pompei. -
Zgomot Ciudat La Relanti
nicubarbu replied to expero 16V's topic in Probleme tehnice Cielo, Nubira, Espero, Leganza
Zgomotul dispare cind tii ambreiajul calcat? -
Pompa De Benzina
nicubarbu replied to ovi's topic in Probleme tehnice Cielo, Nubira, Espero, Leganza
Verifica daca a fost pus capacul din plastic care acopera orificiul de acces la pompa (cel de sub sezutul banchetei spate). E posibil ca din graba, mecanicul sa fi uitat sa il puna sau l-a pus gresit si a sarit la prima denivelare. Pompa s-a ars pentru ca s-a incercat pornirea fara benzina (motorul se raceste prin contactul cu combustibilul). Ma tem ca tatal tau e cel care a ars pompa si nu cei care au incercat sa o amorseze (amorsarea se face prin punerea la masa a unui contact din compartimentul motor - exact ceea ce au facut respectivii - de unde concluzia ca nu erau chiar afoni). Cel putin vara (datorita caldurii) nu se recomanda sa circulati cu foarte putina benzina in rezervor pentru ca motorasul pompei nu se va raci suficient si exista riscul sa se arda sau si mai rau sa se produca o catastrofa (multe masini au ars datorita unei probleme in interiorul pompei electrice de benzina). -
Buna tuturor, Nu stiu de ce va agitati asa si nu ma intrebati direct. O prezentare (e drept sumara) a firmei este in sectiunea "despre noi" (link: http://www.autodaewoo.ro/despre_noi.php). Am preferat sa muncim mai mult la elaborarea ofertei si simplificarea la maxim a modului de comanda on-line dar vom tine cont de observatiile dumneavoastra si vom face pe site o prezentare mai pe larg a firmei. Magazinul functioneaza de aproape 4 ani (avem 3 firme si afacerea se roteste intre ele din motive de reducere impozite - nici una din firme nu este inchisa - toate isi continua activitatea si nu cred ca poate exista cineva care sa spuna ca a avut probleme de garantie cu noi), nu ne-am mutat, nu ne ascundem, facem eforturi (greu de imaginat) sa aducem si sa oferim spre vinzare piese de calitate la preturi cit mai mici. De un an importam piese Daewoo direct din Coreea si vom continua sa ne dezvoltam prin deschiderea unui service auto specializat pe Daewoo. Colaboram cu majoritatea importatorilor de piese Daewoo si incercam ca fiecare reper sa il comandam acolo unde raportul pret/calitate este cel mai bun. Sint multe firme cu profil de informatica in care nu gasesti o retea de calculatoare atit de bine pusa la punct ca a noastra (comunicarea si viteza cu care se face aceasta este foarte importanta in distributi a de piese auto). Cred ca toti angajatii sint pasionati de ceea ce fac si lucram cu placere ca sa facem viata cit mai usoara posesorilor de modele Daewoo. Acum sa revin la intrebarile domnului din Cluj (din cite am inteles sint mai multi care au citeva nelamuriri pe care sper sa le limpezesc acum). La vinzare avem atit piese originale (produse sau distribuite prin Daewoo Motor /GM) cit si piese echivalente (majoritatea produse de firme cu renume) si asta pentru a multumi atit clientii care cauta sa cumpere piese originale cit si pe cei care prefera alternative mai ieftine. Toate piesele au certificat de garantie pentru 18 luni in limita a 30.000 Km. De aici apar diferentele mari de pret pentru acelasi reper. Vom incerca sa specificam si pe site producatorul reperelor astfel incit sa fie clar de unde provin diferentele de pret. Nu promit ca vom reusi foarte curind sa facem asta pentru toate cele 25.000 de repere dar vom incepe cu cele care au rulajul cel mai mare. E foarte greu sa intretii la zi o baza de date de 25.000 de repre in conditiile in care preturile se modifica la fiecare citeva zile, dar facem eforturi. In magazin e mai simplu pentru ca omul vede si compara reperele cu preturi diferite, discuta cu inginerii de vinzari si ia decizia de a cumpara (sau nu) un anume reper. Deocamdata ca regula (aproape) generala - pretul maxim este cel al produselor furnizate de Daewoo Motor/GM Orice nelamuriri sau probleme aveti - puneti un PMB (eu sint on-line cam 16 ore/zi si promit sa raspund repede). Nu insistam sa cumparati de la noi (vinzarile pe site nu reprezinta nici macar 1% din cifra de afaceri a firmei - deocamdata), dar poate va dam un sfat si scapati de un necaz (ca sa nu zic de o tzeapa). Drum bun tuturor! P.S. Cred ca problema cu micul banner afisat pe site-ul nostru s-a lamurit. Chiar ma gindeam sa fac unul mai mare dar se pare ca intii trebuie sa ma explic pentru ca risc ca gestul meu sa fie gresit inteles.
-
In Iasi - la ClubT linga Taxicom - e mic service-ul (3 boxe) deci e relativ usor de mincat
-
Nu mai sta pe ginduri cu cureaua de distributie! Riscul este enorm pentru ca ruperea curelei iti face zob motorul. In service se schimba in jumatate de ora si nu e prea scump (evita service-urile de cartier). regula de baza la cumpararea unei masini SH: se schimba curelele de distributie si uleiul indiferent ce zice vinzatorul (toti se lauda ca acum citeva zile au schimbat cureaua si uleiul dar pariez ca 90% mint doar ca sa obtina un pret mai bun pe masina) O curea originala costa app 600.000 dar sigur gasesti si cu app 300.000 curele echivalente. Intinzatorul curelei e posibil sa nu trebuiasca schimbat - se constata la fata locului - oricum e bine sa pregatesti bani si pentru el (app 600.000 lei unul original sau app 400.000 echivalent). Pompa de apa costa cam 450.000 una coreeana echivalenta si 925.000 una originala (GM). Ar mai fi 20.000 garnitura pentru pompa de apa. In final piesele te vor ajunge 1-2 milioane (functie de producator si de uzura intinzatorului de curea). Mai costa 200-300 miii manopera. Cu pierderea de apa poti sa mai mergi (dar nu la infinit) - dar urgenta este cureaua si daca tot umbli acolo e pacat sa nu rezolvi toate problemele din zona.
-
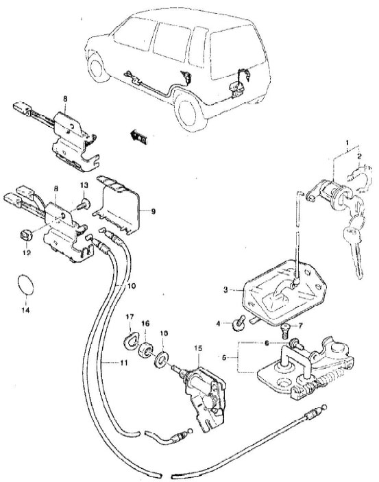
Sint mai multe cauze ce pot generea chitzcaituri in zona hayonului. Uite citeva si sugestii de remediere a lor: - uzura sistemului de zavorire a hayonului a dus inchiderea superficiala a acestuia (nu mai sta strins pe chedere si zavor) - se incearca reglarea zavorului pentru a asigura o inchidere mai ferma sau se inlocuieste zavorul. - placa pe care aveti difuzoarele are joc (incercati sa o fixati cu niste bureti atit in zona balamalelor cit si in zona lunetei) - finitia de portbagaj nu mai sta fixa chiar daca are toate pop niturile montate (mai ales ca deja ati umblat la ea) - bagazti citeva bucatele de burete sub ea si incercati sa o fixati - joc in balamale - incercati intii sa le ungeti. daca nu se rezolva inlocuiti bolturile sau chiar balamalele in intregime Am atasat si citeva imagini care detaliaza subansamblele hayonului - poate va ajuta in rezolvarea problemei.
-
Troncanit Amortizoare Matiz
nicubarbu replied to dArabZaraq's topic in Probleme tehnice Tico și Matiz
Pentru cine isi permite Sachs - urmati sfatul lui andreib. Pentru ceilalti, va recomand sa cereti in service sa vi se inlocuiasca amortizoarele spate cu unele coreene (Mando cod 96323319) care costa sub 1.2 mil lei sau chiar cu unele de Tico (costa sub 1.1 mil lei). Oricum nu mai acceptati amortizoare Bilstein pe gaz romanestipentru ca veti pierde timpul prin service-uri plus ca tinta de drum va fi catastrofala. Precizez ca ambele modele mentionatre de mine mai sus se gasesc cam la orice magazin cu piese Daewoo (sigur le are si fabrica) si nu au motiv sa spuna ca nu le pot procura sau ca trebuie sa asteptati sa le comande. Bafta maxima! -
Poftiti cum doriti (incognito sau nu). Eu voi lucra simbata si ma puteti gasi in biroul de linga magazin (intrebati in magazin de mine daca vreti sa ma vedeti in carne si oase - mai mult carne). Chiar am sa propun sefilor sa acordam un discount celor care cumpara de la noi si sint membri in daewooclub.ro Daca aveti cumva autocolante cu daewooclub.ro - am sa va rog sa imi lasati si mie citeva (pentru masinile firmei si pentru clientii care doresc sa promoveze acest club). Poate primesc asa ceva de la administratorii site-ului - eu promit sa le distribui posesorilor de Daewoo din Iasi. P.S. Simbata programul e de la 8:00 la 15:00
-
In decembrie am spus ca nu avem blanuri (nici macar pentru motoarele de Matiz) si ca dureaza 2-3 luni sa comand si sa primesc asa ceva. Ramine sa vad daca pretul e bun si am cum sa vind cantitatea minima ce poate fi importata (100 bucati). Daca pretul mi se pare foarte mare si risc sa vind 100 de bucati in 2-3 ani - nu ma bag (inflatia e prea mare ca sa imi permit asa ceva).
-
Buna ziua, Cheltuielile de transport si ramburs pentru un set de paravainturi expediate la Bucuresti ajung la 60.000 lei (deci valoarea rambursului de achitat la ridicarea coletelor ar fi de 590.000 + 60.000 = 650.000 lei). Paravinturile arata foarte bine, sint proiectate exact pentru tipurile de masini mentionate pe site (Tico, Matiz, Cielo), vin in cutia originala (sint fabricate in Coreea). Sistemul de prindere este similar cu cel folosit la bandouri - au o banda adeziva care se lipeste extrem de bine de portiera (se recomanda montarea la temperaturo de peste 10 grade). Nu s-a plins nimeni ca i-au fost furate (practic sint extrem de greu de desprins). Toate paravinturile sint fumurii (nu avem diferite nuante ci doar culoarea sticlei maro de bere ) si credem ca se potrivesc foarte bine pe orice culoare a caroseriei. Cu ele montate nu mai aveti problema cu apa ce se scurge in masina (de 2 ani eram disperat ca nu puteam sa deschid geamul macar 1 cm cind ploua afara). Sigur impiedica si formarea curentului cind geamul este foarte putin deschis. O zi buna tuturor! Nicu
-
Momentan nu sint huse decit pentru Matiz si Cielo iar singura culoare este griul prezentat pe site. Pe la sfirsitul lui februarie e posibil sa apara si huse pentru Tico si eventual si alte culori. Mentionez ca materialul este de o calitate foarte buna (maleabil, placut la atingere, foarte bine lucrat,...) si abia dupa analize indelungate iti dai seama ca nu e piele naturala.
-
Am a vazut un autocolant pe un matiz parcat in Iasi (pe linga cladirea Gelsor)
-
Se pot schimba numai bucsele (in service). Fiecare brat spate are 3 bucse la 130.000 lei bucata, deci 390.000 lei bucsele pentru un brat. Bratul spate complet (include cele 3 bucse) costa 800.000 lei (cumpararea lui va scuteste de manopera pt inlocuirea bucselor). Uneori e necesara si inlocuirea suruburilor (din experienta la 1 din app 10 cazuri)
-
Rezervor in care a intrat 39,96 L
nicubarbu replied to Maharul's topic in Probleme tehnice Tico și Matiz
Cind am vazut ca cifrele de pe pompa se apropiau cu viteza maxima de 60 de litri primul instinct a fost sa ma uit sub masina (totul era uscat si parfuit). Totusi in rezervor au intrat toti cei 64 de litri peste cei minim 5 care mai erau. -
Rezervor in care a intrat 39,96 L
nicubarbu replied to Maharul's topic in Probleme tehnice Tico și Matiz
De curind m-am improprietarit cu o Nubira (inainte am avut Cielo si Tico - vedeti ce fidel sint marcii Daeoo!). La primul plin (facut cind inca nu se aprinsese becul de rezerva dar acul litrometrului era destul de jos) era sa cad pe spate cind am vazut ca au intrat 64 litri (mentionez ca nici nu se aprinsese becul pt rezerva). De acum nu ma mai sperii - dar stiu ca trebuie sa am minim 2 milioane la mine cind merg sa ii fac plinul. -
Folosesc mereu centura (si il oblig si pe cel din dreapta). Acum am o nubira cdx si cu toate ca exista airbagurile, tot folosesc centura. Am vazut prea multe accidente si nu va puteti inchipui cit va poate ajuta centura asta. Cred ca pot fi numarate pe degetele de la o mina persoanele decedate intr-un accident rutier la viteza < 100 km/h care purtau centura (acum app 12 ani stiu ca era o statistica din care reiesea ca nimeni nu a murit in aceste conditii). Chiar daca mergeti prin oras, purtati centura! Un accident la 30-40 km/ora poate sa va fie fatal daca nu o purtati. Militez pentru a se respecta regula obligativitatiii purtarii centurii de siguranta in orice deplasare.
-
Ce viteza maxima ati prins cu masina voastra
nicubarbu replied to ovidiuc's topic in Statistici AUTO
Nu mai rideti de nenea care a mers cu Tico cu 160 Km/h!!! Stiti unde este cuiul pentru resetarea kilometrajului partial??? Am tinut acul vitezometrului acolo pentru minim 20 secunde!!! (pe o sectiune din tronsonul Buzau - Urziceni). Nu stiu ce viteza era (nu e marcata zona aia si oricum probabil e o eroare destul de mare) dar simteam ca masina sta sa isi ia zborul. Instantaneu am inteles cit de bine e sa ai un spoiler care sa nu permita intrarea masiva a aerului sub masina. Oricum - viteza aia este nebunie curata pentru o masina atit de usoara. Culmea este altceva... masina inca mai avea rezerve dar sincer am simtit ca nu o mai pot stapini (mentionez ca nu batea vintul si asfaltul era impecabil - doar mici dune care la viteza asta mi se pareau adevarate trambuline). Am scris aceste rinduri doar ca sa stiti ce poate un Tico bine reglat dar nu recomand nimanui sa incerce din nou asa ceva pentru ca cea mai mica adiere de vint va poate spulbera. Oricum, "Tico - ma uimesti!" este perfect adevarata (cu aceeasi masina am terminat pe locul 6 campionatul national de promo rally din 2001 - aveam sanse la podium dar nu am avut bani sa particip la 2 din etape). -
Probabil ati pierdut busonul original de la gura de umplere cu benzina si ati folosit altul fara supapa. Datorita consumului de benzina si a faptului ca nu exista nici un loc prin care sa intre aerul pentru a inlocui volumul eliberat de benzina consumata, rezervorul s-a "supt" reducindu-si considerabil volumul (normal are 28 litri dar am vazut cazuri cind a ajuns sub 10 litri!!!). Rezervorul de Tico este din plastic si se intimpla foarte des aceasta problema (mereu cind se foloseste un buson fara supapa de aer), vara in special (cind plasticul din care este facut reezervorul devine mai maleabil) sau cind se umple foarte rar rezervorul (se face plinul, se stringe etans busonul si se merge pina aproape de gol - dupa citeva manevre de acest gen se ajunge ca volumul de benzina ce poate sa incapa sa scada la jumatate). Singura solutie este inlocuirea rezervorului (nu poate fi refacut prin umflare cu aer sau alte metode intrucit isi schimba forma si poate provoca un dezastru).
-
Unde as putea gasi butonul acela fals din bord
nicubarbu replied to danuzz's topic in Piese Tico și Matiz
Marea minune cautata se numeste (conform catalogului Matiz) ornament comutatorsi are codul 96318294. Revin miine cu pret si sigur nu va costa 700.000 lei (cum mai zicea cineva pe aici - la urma urmei e un dop) -
Probabil arcurile pe fata sint foarte tasate (nu neglijati arcurile). Orice amortizoare ati monta, nu eliminati coborirea botului la frinare (amortizorul are alta functie - asa cum o spune si numele sau el amortizeaza oscilatiile)
-
Orice ulei ati pune in CV nu scapati de jocul manetei schimbatorului in anumite trepte. Problema este doar in timonerie (pentru tico - un set de bucse pentru timonerie costa app 500.00). Din pacate, bucsele de timonerie la Tico nu se schimba la fel de usor ca la Cielo/Espero - dar nu e imposibil (cu putina indeminare si multa rabdare pot fi schimbate si in spatele blocului). Probabil problema s-a remediat prin blocarea (temporara) intr-o pozitie ce reduce jocul. Inclin sa cred ca problema va reveni curind si se va extinde repede si la treptele 2 si 4.
-
Pozitie pedala cuplare ambreiaj
nicubarbu replied to dArabZaraq's topic in Probleme tehnice Tico și Matiz
La ambreiaj se regleaza doar "cursa moarta", aceasta fiind zona in care desi apsati pedala, ea nu actioneaza rulmentul de presiune (discul de ambreiaj fiind lipit de placa de presiune). Se regleaza cablul pentru a obtine un joc liber al pedalei de app 2 cm (masurat la capatul liber al pedalei). Dupa acest joc (necesar pentru a impiedica patinarea permanenta a discului de ambreiaj), pedala trebuie sa actioneze asupra rulmentului de presiune. Cursa activa a pedalei nu este foarte importanta si ea poate sa difere de la masina la masina (fiind influientata de intreg ansamblul amreiaj) -
Tico: direcţie şi ceva la motor
nicubarbu replied to pankrator's topic in Probleme tehnice Tico și Matiz
probabil a pierdut putere (pierderea de putere se observa prima data lin treptele mari la turatii mici - cam seamana cu descrierea ta). Sint cam multe cause care pot genera pierderi de putere - dar tb luate in ordinea probabilitatii si a efortului de a le diagnostica. Cel mai simplu este ca intii sa verifici aprinderea: • verifica bujiile - daca nu au fost schimbate de mult - ia un set nou (e 100.000 una originala) • verifica fisele de la bujii (cea mai simpla metoda este cea clasica si babeasca - scoti fisa in timpul mersului si ar trebui ca imediat sa constati ca turatia motorului scade si apare mersul neregulat) • verifica si capacul delcou (nu e ciar f scump si e bine sa ai unul de rezerva) Daca aprinderea este in regula - la alimentarea cu combustibil se complica treburile (carburatorul de Tico este o mica uzna si nu recomand sa umbli la el). Asa ca e mai bine sa apelezi la un service, de preferinta unul autorizat Daewoo (au oameni cit de cit pregatiti- altfel risti sa nimeresti un mecanic talentat la vorbe care sa iti faca varza masina) -
Nu am vazut nicaieri sa scrie ca zgomotul apare la schimbarea treptelor de vitreza asa ca: daca zgomotul se aude si cu maneta scoasa din viteza (masina oprita, maneta la punctul mort si motorul pornit) - daca nu este rulmentul de presiune (daca as avea o descriere mai exacta a sunetului - as putea diagnostica mai sigur), cel mai probabil este rulmentul de la iesirea arborelui principal din cutie (e un rulment mic care in general se uzeaza repede daca se practica stilul de conducere - economie de combustibil prin coborirea pantelor cu maneta la punctul mort sau chiar cu motorul oprit - stil de conducere pe care NU il recomand nimanui). Mai sint si alti rulmenti pe arborii din cutie - dar in general primul pica cel de la iesirea arborelui principal (partea dinspre ambreiaj). Sfatul meu e sa mergi cit de repede la un service (chiar daca e banalul rulment de presiune - e foarte neplacut sa ramii cu masina blocata in mijlocul unei intersectii sau sa transformi o calatorie de placere intr-un calvar)
