Jump to content

mat142

Membru în rodaj
  • Posts

    4
  • Joined

  • Last visited

Everything posted by mat142

  1. Salut. Si eu mi-am reconditionat recent stergatoarele de parbriz fata la Matiz: (brate, lamele, mecanism stergatoare, motoras stergatoare) si sunt complet functionale. Cauze posibile de functionare defectuoasa: montaj incorect, improvizatii, componente lipsa sau deteriorate Demontarea di montarea trebuie sa se faca de un mecanic auto cu experienta, specializat in DAEWOO Matiz, conform: "Manual de reparatii Matiz PDF"
  2. Salut. Si eu mi-am reconditionat recent stergatoarelor de parbriz la Matiz si mi-a iesit bine
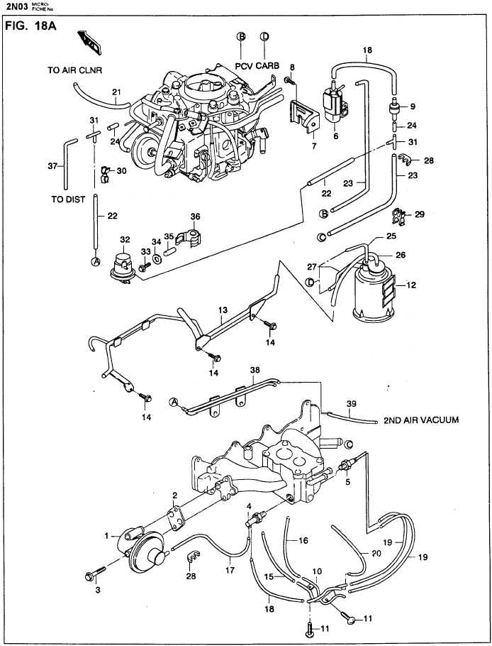
  3. Posibil sa fie: Canistra vapori benzina 18560A78B00-000, Fig. 18A poz.12 din Catalog TICO Radacini.ro (Cotrolul emisiilor-MT Fara plumb) , sau din Manualul de Service Tico pdf de pe "dezmembrari-daewoo.ro", pag.197. Trebuie verificat numai de un mecanic auto cu experienta.
  4. Salut. La Matiz nu pot deschide portbagajul cu cheia. Cum se scot agrafele cu care este montat capacul hayonului in interior ? , ca sa pot ajunge la parghie, sa deblochez incuietoarea
 

×
×
  • Create New...