Jump to content

asa777

Membru
  • Posts

    4
  • Joined

  • Last visited

Everything posted by asa777

  1. Salut. Am Aveo 2007 Platinum 1400cmc si m-am gandit ca ar fi bine sa inlocuiesc uleiul de la servodirectie ,cel de la cutia de viteze (manuala).si lichidul de frana.Toate bune pana aici. Consult manualul de utilizare si magazinele online si constat ca unele nu se mai produc-dar nici dealer nu dau solutia oficiala de inlocuire. Stie cineva care cu care se inlocuiesc? Eu am gasit la magazine o asemenea solutie: Ulei transmisie manuala 1,4D 1,8 L SAE 75W-90 de inlocuit cu Ulei cutie viteze ( manuala ) TRX 75W80 easytronic COD : 1940711 / 1487203 / 9163335 Lichid servodirectie 1,1 L DEXRON® II D de inlocuit cu Ulei GM servodirectie Dexron 6 Cod: 1940184 Nu stiu la lichidul de frana... Am o nelamurire : stiu ca lichidul de la servodirectie se suplimenteaza nu se schimba--eu ce fac ? pun Dexron 6 peste Dexron 2? O zi buna.
  2. Sa-l stapanesti sanatos si-ti doresc multi kilometrii in siguranta. Multumesc de raspuns.
  3. Sper sa fie doar un vis...Dar pe acest topic se pare ca avem vise colective
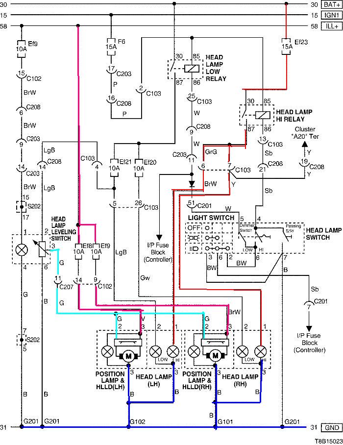
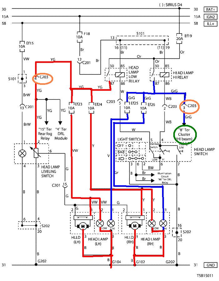
  4. Salut prieteni. Am crezut ca ma insel eu sau nu-mi aminteam ca se regleaza manul si faza lunga...acum sunt sigur!! Se pare ca am patit-o si eu cu schimbarea becurilor (H4 Ossram tot cu H4 Ossram) cel de pe dreapta (prima data schimbat ) cel din stanga l-am schimbat de 3 ori. Masina este Aveo1400 sedan 2007 si am parcurs cu ea 70200km. Cum se manifesta "durerea" 1) acum farurile se pot regla (electric ) doar pe faza scurta. 2) daca dau faza lunga nu mai pot regla nimic (nu mai functioneaza motorasele) 3) daca potentimetrul de reglare este pe o pozitie , sa zicem 1(si faza scurta ) , trecand farurile pe faza lunga si modifican pozitia potentiometrului pe oricare pozitie (0,2,3,4) in acest moment nu se modifica nimic (motorasele nu functioneaza) --cum am dat faza scurta cum se modifica distanta (bataia) luminii pentru pozitia care a fost setata ultima data pe faza LUNGA (0,2,3,4) 4) REPETAND EXPERIMENTUL DE LA (3) CU BECURILE DECONECTATE, MOTORASELE FUNCTIONEAZA DOAR PE FAZA SCURTA!!! Nu stiu cum ati rezolvat voi buba dar eu nu stiu ce schema electria sa folosesc Aveo 2009 sau Kalos ???http://www.autocats.net/manual/chevrolet/ro/documents_2009/Aveo/start_Aveo.html daca ati rezolvat-o voi spuneti-mi si mie cum?? Merci. kalos-aveo.doc
 

×
×
  • Create New...